Search the Community
Showing results for tags 'switch'.
-
Front brake light switch
coltrain posted a topic in Venture and Venture Royale Tech Talk ('83 - '93)
My front brake handle - mastery cyl isn't generating my brake light. I have looked on bikebandit parts diagrams to purchase the new switch and lo and behold I picked the wrong part. Diode? Anyways, was wondering if anyone had the right part number for this bad boy before I throw anymore money away! -
I just solved one problem, here comes another. 99 Venture Royal Star, replaced faulty ignition switch, corrected problem. Now, with the motor running and in neutral, if I place the sidestand down the motor stops. If the clutch lever or the sidestand is in any position, as long as the bike is in neutral no problem.
-
Can someone please direct me to the thread to bypass the ignition switch if it fails on the road. I know I saw it here at one time but i'm having trouble finding it now. I would like to get to know this process to be able to at leaset get the bike home if the igniton switch fails. Thanks Everyone
-
I have an 88 venture. The headlight is not working. From what I can tell the headlight power wire comes from the fuse to the starter switch on the right handle grip. From there it goes to the headlight. I am getting power from the fuse to the switch but nothing out. Is the starter switch a momentary switch that shuts the power off to the headlight when starting? Is there a way that I can clean the switch or something I can do with it. I took it apart and it looked alright to me. If not would it hurt anything to simply by pass the switch. I hate to get into doing thing like that but I have spent way to much on this bike and i am not spending anymore. I will sell it first. Thanks for any help Curtis
-
Ok so being that my New2Me 91 VR has only 6700 miles, I decided to drain the gas tank. Being that I had a heck of time doing that with my 89VR at the fuel filter, I decided it would be easier to do it at the Fuel Off/On switch on my 91VR. So I removed the hose clamp and then broke some of the seal from the rubber to the brass fitting, the hose would not come off. So I pried and pried at the hose until it finally came out. Well what came out was the brass fitting from the fuel Off/No switch. With some more digging the brass fitting finally broke loose from the hose. Well on the brass fitting there were some hose particles. Which means that I will need to clip off the end of the hose where the pieces of hose came off. I took some steel wool and got the rubber off the brass fitting. I drained the tank by using a 2 ft long fuel line and put it over the one end of the brass fitting and then gently placed the other end back into the fuel Off/On switch. Then drained the gas into the can. So now I need to get the brass fitting back into the Fuel Off/On switch. Now all the while draining the tank I only pushed and held the brass fitting into the Fuel switch and not a single drop of fuel leaked from the brass fitting. The brass fitting only went in a little bit and has more room to go into the fuel switch. My though is that I should be able to use some permatex gasket sealer (used on fuel sending units) and then press it all the way back into the fuel Off/On switch. So my question is, does my fix seem workable, or is there a better fix?
-
I was in one of my local independent bike shops today and found a new/ used(1 week) set of Road King mufflers very reasonable do I need any bushings, gaskets, special clamps or brackets to mane the switch, I have an 06 RSV and would like just a little more sound:cool10:
-
It never ends, this shinola. Wanted to do a 50-miler today to start working up to a road trek, weather cooperating, up in the 50s. Left the house, went two miles to a gas station. As I was coasting up to the pump she just unceremoniously up and quit. Like I hit the kill switch. After the fork rebuild, triple tree grease job, clutch slave cylinder replace and assorted small jobs it also did this after it warmed up the first time. Just sitting in the driveway idling, then it just died. Ran the battery down trying to start it, so put the charger on and it fired off again after a couple minutes. Figured the battery had gotten down in the cold and down time since before Christmas and that it didn't leave enough juice for ignition. Then today it happened again. I have started my flyaway kit and had a socket set and a combo screwdriver in the trunk, so removed the top cover to look at the fuses and connections again. I know I have a broken spade on the ignition fuse, but it also controls the starter, which spins just fine. Tried wiggling wires and anything I could reach while cranking, no luck. Decided maybe it was a charging issue so I unplugged the headlight, put everything together again and suited up, just in case, hoping that maybe there would be enough volts without the headlight to get back home. She fired up, so I hopped on and prayed that the 3 lights between me and home would be green. They were, and I made it a mile before she quit again. Pushed it to a school parking lot, and this time I pulled the tail light bulbs. JUST TO GET HOME Y'ALL!! Anyway, she fired back up and I made it within 3 houses of home. Do-able. I've looked at everything including: the emergency cutoff switch, the side stand switch and relay, the wiring to the fuse block and TCI (Ignitech), I have a Radioshack digital meter but I'm beginning to suspect its voracity. Rode around the block for about 10 minutes with it hooked to the battery. I get 13.5 volts idling, then it drops to around 13.1 around 3000 rpm. Dash gauge shows the drop, too. I checked the resistance on the pickup coils and got 136, 272,272, and 267 ohms respectively, book says should be 110± 10%. So those are way off. Think I'll cruise by Radio Shack and see if they can check the accuracy of my meter... So there you have it, sorry for the long post. I've looked for corrosion and loose or broken wires. Battery is right at a year old and freshly serviced with acid. Still suspecting it's a charging problem the way the voltmeter is acting. I haven't check the voltage regulator yet but that's my next step. Thanks for your help! Richard
-
I have a 2008 RSV, I pulled up to a stop light one day when the light turned green I let out the clutch and the bike stalled out. When I looked down I had no power, I checked the main fuse and battery both were good. My neighbor looked on his phone while I was checking these, he said the ignition switch was notorious for going bad. I pulled the ignition switch cleaned it up, I put it back together and it worked fine. I rode for a week with no further problems, then getting ready to leave for work the same thing happened. I used a volt meter and checked the ignition switch sometimes it would make connection sometimes not, when I got the bike home I looked at the ignition switch again. I could get power and even got it to start a few times however I could never get the neutral light to come on. I put a universal switch on and get power to everything except I still do not get a neutral light and it will not turn over. I have checked the clutch switch, kick stand switch, neutral switch, automatic kill switch, manual kill switch, and the starter button. I suspect it is the ignition cut off relay or the ignitor, I have had no luck locating the ignition cut off relay and not sure if there is any way to test it if I did find it. Has anyone experiences this problem? I have a random short in the radio, not sure if it is in the remote head or the main radio. I did find it shorting out so I disconnected the radio, after looking at a wiring diagram I noticed what looked like a wire going into the radio so I pulled the fuse and reconnected the radio. This does not seem to effect anything I have looked at.
-
My ignition switch is bad. Must be the second time because I have two keys, never knew I was only supposed to have one. I have seen much talk about adding a relay to take stress off the switch. I would like to put in the relay when I redo the switch. I am fairly handy, but the elecrical side of things is one of my glaring weaknesses. Is there a step by step post that shows how to do this? Any suggestions on where to get the switch? What type of relay to use? Can the switch be cleaned up and keep on using? Thanks, Ross
-
So I have what is likely a dumb question, but I'll ask it anyways. My neutral light functions intermittently and it has been this way since I have had my bike. I presume that the switch itself it faulty or gummed up. If a new switch wasn't $30+ (partshark) or ~45+tax from my local stealer, I would just replace it and be done with it. What I would like to know is the following: 1) Can the neutral switch assembly be removed from the bike without loosing a significant amount of oil? 2) Is this switch something that CAN be cleaned and put back in (I have no idea how it works or what it looks like which is why I am uncertain about this. 3) Is it correct to assume that if I remove this puppy I will need to find a new gasket for it in order to reassemble? To be a little more clear about what I mean by it functions intermittently is that sometimes it works and sometimes it doesn't (when I am in neutral). There does seem to be a correlation with how warm the bike is but not an absolute since it comes and goes. That is it almost always functions just fine when the bike is cool. After a couple hours of riding it may function or it may not. It doesn't usually flicker on and off or anything it is either ON reliably or it is reliably OFF (again, YES I am in neutral :raspberry:). Anyone else have (and resolve) this issue? Further input? Thanks! Overall this really is not that big of a deal as it doesn't really affect anything other than I cannot leave the engine run and put down the sidestand when it stops functioning. But I am one of those people that likes things to work like they are supposed to and if it is going to be a quick fix, I just assume do it. Also, if the gasket wasn't ~$15 or so I wouldn't question replacing it; but thanks to my local stealership they do not have them in stock and assess a 'special order' fee for any parts they do not have on hand (not to mention their RIDICULOUS markup from the MSRP). Needless to say they get as little of my business as possible.
-
I am in the process of installing cruise control on my 1983 Venture Standard. I have purchased almost all of the items I need to do this upgrade from ebay. Prior to installing the parts, I will be disassembling the ones that I can and cleaning them. I have made the following write up of the process of cleaning the clutch side switch housing that came off of a 1988 Venture. The pictures show the switch completely removed from the bike. It is fairly lengthy, 47 pictures, but thorough. I would recommend removing switch from bike if you perform this cleaning. There are a number of small springs and ball detents that are very easy to lose unless you have a large well lit working area. If you are unable to open the PDF file, PM me with your email address and I will send it to you. I have detailed the throttle side switch in another thread. Picture below is of the switch detailed in this PDF file.
-
Rode my 89 1255 miles round trip from SE Iowa to Little Rock AR to a conference there. This is the first trip I've done like this and I have a lot more confidence in the bike and myself now. Anyway, after having lunch and a brief snooze on the grass (anybody else do that when they ride?) I turned the key, hit the ignition and NOTHING! Rats! Must be that electrical short and the battery went dead while I was sleeping. I went into the restaurant & the owner offered to give me a jump. We hooked up the cables and again NOTHING. Now what could it be? As I asked him to check his connections I happened to look at the red toggle switch that I never use on the left handle bar. YUP! The kill switch was off. So I said to the good samaritan, without mentioning my serreptitious red button correction, "Maybe it is connected right now" and hit the ignition with the now clearly unnecessary jumper cables still attached. And it started. Amazing. I thanked the good fellow and quickly drove away after reassembling the cover and tank bag and dressing with gratitude that I hadn't spent $100 and called a local garage. Duh. BTW, I love the twisties in AR.
-
I experienced electrical gremlins last fall on my 1990 Royale. Strange behaviors. Too intermittent to diagnose specifically, but there seemed to be some relationship to the ignition switch and/or the "IGNITION" fused circuit. I know that ignition switch problems are not very frequent on First Generation Ventures, unlike the Second Gens, never the less I felt I may be having an issue with mine. So to cure possible problems with IGNITION fuse and the ignition switch, I replaced the OEM fuse block with a new fuse block that accepts ATC fuses and I added an "ACCESSORIES" auxiliary block. This auxiliary accessories fuse block is only energized when ignition switch is at ACC or ON. To prevent excessive current draw through the ignition switch, I fed the auxiliary accessories block via a 30Amp relay and 10GAuge wire. When the OEM ACC circuit is energized by the ignition switch, the relay is energized, closing the circuit from the battery to the positive lug post on the auxiliary accessories fuse block. To avoid grounding issues for added accessories, I created a common grounding terminal strip. This terminal strip is connected to the negative post of the battery with a short length of 10GA wire. The terminals on the terminal strip are electrically connected to each other with a heavy brass buss. The fuse blocks and terminal strip are mounted to the unvented maintenance free battery with double face foam "Gorilla" tape. The battery top presented a smooth surface for mounting via tape. This method probably wouldn't work for conventional batteries. I relocated the MAIN fuse to just in front of the Positive battery post. I relocated the CLASS fuse holder to under the other OEM fuse block that contains the AUDIO, BACKUP,etc. fuses for now, but I intend to utilize the remaining fuse position on the new "main fuse block" for the CLASS. Thank you, Earl for the fuse block.
- 21 replies
-
- accessories
- block
-
(and 3 more)
Tagged with:
-
Good Afternoon everybody if any of you have been following my progress (i assume not) I have been rebuilding an 87 Venture royal and i have hit another snag... I finally got the bike running (by cleaning out 10 pounds of rust from the fuel lines and gas tank) and i am onto testing my cooling system and my temp gauge doesn't move. i tested the thermo switch and its resistance changes with temperature (like it says in the manual) and so i check the back of my gauge and it reads its getting voltage but still nothing so i'm stumped anyone have any ideas? here are some pics of the bike in progress
-
My 06 Midnite Venture quit on me this morning 5 miles out of Three Rivers, Michigan, and left me sitting on the side of the road for 20 minutes before it would start again. The same thing happened 10 days ago in Maryland. The symptoms: Cruising in 4th gear or so, the engine acts like it is starving for fuel (or that the kill switch has been hit - it wasn't) Coast to a stop, engine won't start. Yes I tried the kill switch, checked the pitcock - fuel flows from tank. No start. Yes, I hear the fuel pump when I turn the key. I have normal dash lights indicated. There's no smell of flooded engine. No leaks, no smoke, but no start. 20 minutes later (both times) the engine starts and runs normally. Since the incident in Maryland, I have put over a thousand miles on the bike (MD, VA, WV, OH, IN and now MI). The only weird thing today when it finally started was that I pulled the choke on and then off while starting and it suddenly fired up. When it did, it was more like an electrical connection being made than the choke clearing. There was no coughing and sputtering. No smoke, no smell. Engine ran fine to the motel in Niles where we are staying. Any ideas or suggestions before we hit the road Thursday heading South? Thanks for mulling it over. Lynn
-
We left home bound for Sikeston, MO this morning and about 20 miles from home running 70 mph on the parkway the bike just died like it was out of gas. A little sputter and dead. I coasted to the side of the road and checked everything. Kill switch was good, kickstand was up, ignition switch seemed to work, full tank of gas, fuel pump seemed to run, etc. I tried cranking it but it wouldn't fire. We set there a couple of minutes and I pulled the choke out and and tried again. It would fire and run a couple of seconds and then die again. I repeated this several times until it continued to run. So I assumed I had some bad gas or something. I rode on to Bardstown, about 50 miles and stopped a Walmart and got a can of Seafoam. I ran two tanks of gas with the Seafoam treatment as we continued on to Sikeston and we had no more problems other than very poor mileage. Riding two up and towing the Unigo at 70 mph I was only getting 30 to 32 mpg in 92 to 95 degree heat. Is there anything else I should check? Dennis
-
There just has to be an Award for Dumb,,,,,, Let me set this up a little. I just finished converting my 01 RSV to a Trike, and did a total repaint, which means that I had it down to the frame, and chassis for a month. OK did all of the thought needed maintenance including breaking the Oil Pan ( there has to be an Award for that too,, ) You know Plugs, filters air and fuel check wiring, and add wireing for things I added. Etc: Etc... I read the Tech info section or most of it, and have the manuals all downloaded ( great stuff here ) I noticed that the Ignition Switch connector has the dreaded HOT Spot on one wire. Checked it and re crimped it and put dilectric grease on it. Good to go..... Note here on the hot spot: Here in the Toolies I couldn't find a connector to replace it with, so fixed on it. But it is always in the back of my mind. We have been out on several trips 2- 300 miles here and there, and went camping last week end at one of the rallies that we normally attend.. All is well. Getting ready to head out to the Thunder in the Heart of Texas Rally this morning, and rid into town for gas, and work till 3 or so and hopefully head out. Get gas, and hop on to head on in to the computer shop, and What to my surprise,,,, Lights,Radio,every thing, but GoGo,,,Yepp ya got it Want do any thing......... OK I think Crap it happened to me this time, but better here in town than out on the road, but still 7 miles from home, and an easy way to work on it. OK I thinks,, maybe it will start if I get it going down the hill to the hi-way,,,,,,,,,,,,,,,,,,,, NOPE ,,,,,NADA OK now I am in the middle of the road, and Zip I get a couple of guys to help me get the Trike to the side of the road, and I am thinking,,Ain't this the pits!!!! I have a trailer for just this situation for myself and others, BUT it is too narrow for the RSV Hannigan Trike,,,,, Double Crap!!! All right, I think I know what I need to do that will get me going and back to the house ( Maybe if I remember right from the articles ) Just pull the tank and jumper the connection that should do it.... just like adding the switch right,,, should work. Here I am on the side of the road with limited stock tool kit, and taking a fresh filled up full gas tank off..................... on the side of the road,,,,,, OK I have the seat, gas tank, a few bolts and stuff lying on the shoulder of the road, and a piece of wire trying to jumper the connection. Trying every combinatrion I can see ( both of them,, only two wires ) Nuttin still dead as a Stump.... and I am drawing a little of a crowd a couple of Goat Ropers, a truck driver, and a Sheriff . Now I am thinking I have to get it back to the shop some how. One of the guys there said he had a car hauler with a ramp and would go get it,,, Real nice of him, and headed off to get it. SAVED Sort of, but still stuck it want start still. I start putting it all back together to make it easier to load on a trailer, when he gets back. What a revolting development this is. I get it all back to gather, and as I was putting the rubber cover back on the tank tab on the right side I reached up to grab the handle bar to stand back up, and heard a CLICK!!!!!!! Yepp you guessed it.... I had hit the KILL Switch when I got on to leave the gas station by accident, and didn't know it............. An hour and a half taking it apart, and messing with this and that, and putting it back together ON the side of the road,,,,,,,,, and it was the darn Kill Switch... Where's my sign!!!!!!! Now can the kill switch be disabled so this can't happen again,,,, At least I know you can take a Venture apart on the side of the road... If you just have to...
-
I wanted to add a couple of new switches, but I wanted the switches to be accessible by my thumb without moving my hand. Two push button switches. 1) for my Walmart special 55 watt really small lights that I hooked to the mirror brackets. This to get the attention of whom ever I feel the need to see me. Its a push switch. Push it, it is on. Let it go, it is off. 2) I plan on adding on a couple of rear white LEDS, with same kind of switch.
-
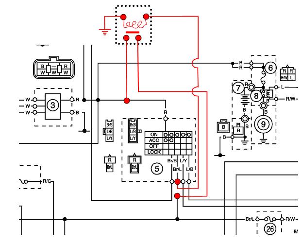
There's been several times members here have by passed their ignition switch due to either switch failures or as a preventive to ward off failures. Today I decided to also do that to my bike and at the same time do a write up on it per a recent posting on this topic. For those who wonder why this is needed or desired the ignition switch has the majority of the power going thru one wire to feed lights and ignition requirements. Needless to say the switches contacts take a beating over time caused by overheating & normal wear & tear. The accessory part of the switch seems to never have this type of failure so this does lend credence to overloading on the one line being feed. By adding in a common 30 amp auto relay to that part of the circuit we can take the majority of the power off the switch before it gets there and route it directly to the line the switch powers, thus saving the switch. You'll need a couple of short 14 gauge wires, push on terminals, shrink wrap, and a 30 amp auto relay to do the job plus a soldering gun and wire stripper. To start you need to remove the drivers seat and gas tank. The gas tank is held on with a single bolt on the end by the seat plus two allen head bolts on the sides up front. Remove the cover by the ignition/gas cap. Disconnect the overflow vent hose and the fuel sender wires. The tank can be lifted off and set down out of the way now. Disconnect the (-) negative cable from the battery as you'll have one wire live otherwise. On top of the engine locate the wire harness coming from the ignition switch. There will be two red plug connectors going through a holder. Pull those out. The one you'll be working on will be the 2 wire one with a pink plug on one end disconnect that plug. Picture 1 shows it well. The next step is to splice a wire to the red wire with 14 gauge leaving it long enough to work with. Refer to picture 2 Cut the brown /blue wire leaving enough at the plug side to work with. Add a short length to both ends of the cut wire. Using a butt connector, soldered, and covered with shrink tubing will give a solid connection as well as protection . Add a female spade terminal to both of those ends. Do the same for the red wire spliced earlier too. Cover with shrink tubing after soldering them. Make a ground wire with a eyelet end on one end and a female terminal on the other. See picture 3. I used the closest bolt holding the radiator fill cap in place to ground the eyelet. The opposite end will attach to the relay. Connect the wires to the relay follows: spliced Red wire fastens to #30 terminal of the relay the brown /blue wire from the switch attaches to #86 terminal on the relay the brown /blue wire going to the harness connects to#87 terminal on the relay the gounding wire attaches to the #85 terminal on the relay. Wrap the wires up with tape and tuck them back into the harness holder. Pics 4 & 5 show the completed job with the relay as tucked in on top of the engine. Note: While this mod will prolong the life of the switch a long time there's always the posibilty that the switch can still fail through normal wear. If it does you can simply connect together the red wire and the brown/blue wire on the harness side to get you home. Some folks take this a step further and add a toggle switch between the two wires. I don't think it's neccassary on newer bikes but if you're experincing any ignition troubles now then I would certainly see the advatage of adding a toggle switch where you can get to it without having to remove the tank.
-
I wanted to get a new housing for one of my passing lamps. Yamaha can't order just one. I decided to go with H3 Halogen so they (Yamaha) ordered the ones for the tour deluxe. They have a switch on one of them that I didn't want or need. What do I need to do to make this work, and get rid of the switch? I'm doing a makeover on my 99 RSV , and I'm trying to get things finished before the painted parts are done.
-
I'm wiring up my heated vest and I am installing a hi low off switch. Anyone know what type of switch I should get? Spdt or dpdt? I would prefer one that I only need to wire in a single power source so it should have a built in resistor if there is such a thing. Any help would be appreciated. Thanks
-
Got on the RSV Thursday for a couple of errands. When I turned the ignition on to head home from the last stop, I hit the starter and nothing! The radio was playing, but the lights were not on. When I turned the switch back to the ACC position, for second, the speedometer "scanned" across and then was back off. Long story short, if I turn the switch completely to the right, nothing, except what is on in the ACC position. Now if I just barely turn the key back to the left, the lights come on, the bike starts and all is right with the world. If after it starts, I turn the key all the way to the right the engine quits. It is like the switch is turning past where there should be a stop. Anyone else experienced something like this? An I headed for a switch replacement?
