-
Posts
6,864 -
Joined
-
Last visited
-
Days Won
169
Content Type
Profiles
Forums
Gallery
Events
Store
Everything posted by saddlebum
-
Princess Auto and many marine stores carry blade type fuse blocks that are ideal replacements for the stock glass fuse holder. The retaining clips on those get corroded thin and weak. Try picking out a block with a few extra fuses for add on,s. Also you may want to carefully take the signal switch apart clean and lubricate it with a light electrical lubricant like ACF 50. Park the bike on an old carpet so if anything drops it won't get lost. https://www.amazon.ca/ACF-50-770153100130-ACF50-ANTI-CORROSION-369GR/dp/B016OMGR0E/ref=asc_df_B016OMGR0E/?tag=googleshopc0c-20&linkCode=df0&hvadid=293033137840&hvpos=&hvnetw=g&hvrand=16358521859039373572&hvpone=&hvptwo=&hvqmt=&hvdev=t&hvdvcmdl=&hvlocint=&hvlocphy=9000858&hvtargid=pla-568295715302&psc=1
-
The only progessive springs I have are in use. You may want remove and inspect the anti-dive valves. They can get bunged up with crap due to old moisture ladden brake fluid. Also check out Zedno in kitchener. There is the chance that they have some damaged forks that may contain progressives.
-
Here is a set up I threw together in a pinch to wet set my carbs on the bench any variation of this would work. The key factors are a pressurized fuel source at a steady 3.5 psi (an air tight container with a tube going to the bottom which supply's gas to the carb and a metal tubeless tire valve secured to the top to add pressure ) the clear plastic tubes installed on the drain holes. I have since Used a different set up much more compact and simplified but I have no pics. however the attachment should give you the jest of it. Home made set up for wet setting floats on the bench.pdf
-
new home Picking up the '86 today!
saddlebum replied to Scotty and his Scooter's topic in Watering Hole
As long as you got the leg length to put both feet on the ground it's still one of the best riding bikes out there. BTW it's worth becoming a full member here not just for tech savvy but the social aspect as well. Thanks to Freebird it is one of the best forums on the net. -
Looks super. I am totally impressed.
-
Even if it's without the bike - let us know. Great excuse (not that we need one ) for a meet and greet.
-
1681986031982_VID-20230419-WA0001.mp4
-
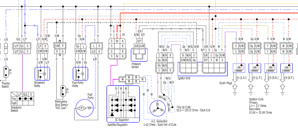
Marcarl is correct. You should have constant 12v to each coil, the ground side of the coil is individually controlled by the TCI. If you look at the schematic you will see that the there is a red/white wire that goes to the 8 pin connector at the TCI , each coil, pressure sensor, fuel pump relay and side stand relay. With ign on you should have 12 volts at each connection point. You should also have constant ground via the black wire 0n the 8 pin plug to the TCI , fuel pump, fuel pump relay, fall over sensor switch, With all the fall over switch, side stand switch and relay all in the normal run position you should also have ground were the black/white wire connects to the TCI at the 6 pin plug. Disconnect the 6 pin plug at the TCI and down by the frame at the stater Which goes to the pick up coils within the stater housing. With an ohmmeter check that you have continuity from the pin on one connector to the pin on the other connector for every wire. Also check the condition of the connector at the stater it is not uncommon for these to turn green in which you would either replace the connectors or just cut them out and hard wire the ends together. If this tests OK perform an ohmmeter test on the pick up coils themselves. With the pickup coil 6 pin connector disconnected check resistance for each coil by connecting one test lead to the black wire and with the other test lead touch each of the other wires you should get ( approx 93.5 to 126.5 ohms ) for each one any one that does meet this spec indicates a pickup coil fault of some sort. Open line reading is an open connection or broken wire to its related coil lower than 93.5 or full continuity would indicate a short of some type.
-
You of all people should it's about the story. Whether or not it's the truth, is totally irrelevant.
-
best for repairing crack in lower fairing
saddlebum replied to mike042's topic in Royal Star Venture Tech Talk ('99 - '13)
Plastifix is my preferred. Used it to rebuild my entire bike back in 2007 and have sworn by it since. Upper fairing on the left side I actually made up of two good halves splice together and no one was ever able to tell. Even held together when the bike fell of the work table 2 years ago, Don't ask You never need to use spot putty because it sands beautifully and you can continue to add as needed until you have a flawless surface. For extra strength you can inlay fiberglass cloth, fiberglass drywall tape or some form of wire mesh (preferably stainless or aluminum). Aluminum is easier to form. Body shops supply aluminum expanded mesh which works great. -
Pull the connectors off the TCI and give them a good cleaning with contact cleaner and tiny straps of fine emery cloth and compressed air. Be carefully cleaning the female terminals so as not to spread them. A male terminal identical to the ones in the connector works great to clean the female terminals and to drag test the female pins for loosenes. I like to follow up with a good dose of ACF 50 spray and move the connector in and out a few times and a final leave in dose when reassembling the connectors. I almost replced my TCI for no spark when I decided to give this a shot and the bike has run great ever since. That was 5 years ago.
-
Another issue with over tightening is that since your threading into aluminum, too much force can tear the threads. A lot of times these bolts get over tightened due to insecurities. If not confident of your sense of feel you can always invest in a quality inch/ lb torque wrench, and tighten the bolt to the proper spec. This would apply to the drain plug as well. It is a worthwhile investment since each time you over tighten anything threaded into aluminum you distort and eventually damage the threads.
-
Nice looking bike.
-
Aftermarket TCI available!
saddlebum replied to tvking63's topic in Venture and Venture Royale Tech Talk ('83 - '93)
Go to vmaxforum.net and check out a member known as dingy. https://www.vmaxforum.net/members/dingy.3541/ He used to be a very active VR member and was very instrumental in introducing this product to VR members. As far as I know he is still active over there and is very knowledgeable on the ignitech system. He used to make them available to members here complete with a plug in harness and already tuned for plug and play instalation. I actually have one but my bike is running so well that I just never got around to installing it. Being one not to fix what ain't broke. -
Front caliper size
saddlebum replied to Sajmon's topic in Venture and Venture Royale Tech Talk ('83 - '93)
Was thinking of doing the same thing but could not get hold of him. Any other time he would be underfoot LOL. Glad someone was able to do it. -
Compact scissor lifts
saddlebum replied to Stasher1's topic in Royal Star Venture Tech Talk ('99 - '13)
I have the lift table and use a modified automotive scissor jack when I feel the need to raise a wheel off the table. -
Thank you for sharing. Like wise we wish you all the luck. Having gone through a similar incident our family fully understands the trauma you went through. Some years back our previous Airedale Jake, got into a box of chocolate when nobody was home, only to be found lying on the floor shaking severely. He also had to be taken to the vet, were his stomach was pumped out and he was fed charcoal. Fortunately he survived and recovered to his full normal self and lived another 3 years passing away at 14 years of age which is the normal life span for an Airedale. We did know that chocolate was bad for dogs, but we then learned this threat also takes in grapes, raisins and onions.
-
The white and blue wire does not give a positive signal. It grounds the neg side of the relay. So if you take a test light the one small terminal should be live all the time. If not you need to trace back to see why. If it is, jump the other small terminal to ground or bat neg. The engine should crank over, if not relay is the issue. If it does relay is OK and you need to trace the wire back to the starter switch. there are a series of relays and switches on that ground circuit that under normal conditions complete the circuit to ground if any of them or open the relay will not get ground and will not operate. These switches are your clutch switch, kick stand switch, neutral switch and panic button. Also a dirty start button can be at fault it is not uncommon to have to take the handle bar switch apart and clean the contacts etc.. I recomend tossing an old carpet under the bike before taking this apart. There are springs and other little things that can go flying when you take this apart (very carefully) or bounce away if they hit the floor. To help you understand a lot of the above I have attached a schematic for the starting circuit I retrieved from the tech section. 86-93 Yamaha Venture Starting Circuit.pdf
-
I agree with all the others. This is a decision only you can make. You ride for your own reasons because that's what you want to do and not because others say you should. On the same note its your decision and yours only, for your own reasons, when you decide its time to give it up. You really don't even need a reason if you feel its time then its time. However stop gracing us with your presence and you darn well better have a good reason because ya can't just up and walk away from family. Plus You know you can still attend M&G even if its by way of 4 wheels.
-
To answer that question I believe a big part of the next generation prefer to live in a Virtual reality, versus reality. When we were young, we talked about the things we went out and did or the sports we played. Now all I hear is talk about what they watch on the boob tube. or the wins and losses they endured on video games. There are times I have listened to them talk about something, only to suddenly realize they are not actually talking about a real life situation but an online pretend one. They talk about a fight, as though it was real, only they did not come home like we did with a shiner , we won in real life scrap, because they were actually sitting at home, the whole time in front of a PC. Cost wise, like everything else pricing is a big factor but than there are always good deals if one looks around on used ,to be found. The other cost factor is insurance. Insurance cost in Canada is ludicrous in comparison the US and forget about adding an extra bike to your stable. Canadian insurance company's want as much for each additional bike, as the first bike, even though you can only ride one at a time. Their justification for this cash grab, is you might let a friend drive it but in reality, how often would that actually happen?
-
The problem with trying to compete with HD is that your not just competing with the bike. Your competing with a brand name, a following, a mentality, a culture, an ideology, so strongly ingrained that even ford and dodge built HD edition trucks. So no matter how much better you build the bike you cannot compete and hope to come on top. The only way to gain is listen to those who already prefer the Yamaha brand keep them happy instead of trying to win over the HD clan. You may even win over some of the HD owners indirectly through currant Yamaha owners, instead of trying to appeal to them directly. If you combine all the none HD touring bike owners you still have a big market to appeal to. I also believe if along with performance and handling one placed a lot of emphasis on the joys and flexibility of economic MC traveling, like outdoor outfitters do when it comes to canoeing, backpacking and wilderness camping. There is a chance of creating a whole new following. JMHO.
-
I test rode the new venture and though it was nice, unlike some I was not overly impressed and was more than happy to climb back onto my 1st gen. I have never ridden a Harley so I cannot really compare. Not being a jump on the band wagon sort of guy, and go for something just because it's popular I lean towards what I like for me not what impresses others. Am I bit curious to take a Harley for a ride once in awhile? On occasion I am but that's about it.
-
I have always wanted a venture since the day they came out. Now I have the 89 and love it. Think I will always own a 1st gen as long as I remain riding. I would also love to own a Ural with side car as a second bike. If I could have afforded it. Guess I am not much on flash but more about what suits my riding style.
