- 
                
Posts
1,124 - 
                
Joined
 - 
                
Last visited
 
Content Type
Profiles
Forums
Gallery
Events
Store
Everything posted by dna9656
- 
	Thanks Kevin! I didn't want to learn that the hard way. I shoulda took a pic!
 - 
	Anyone got a pic of a XVZ1300 of the rear wheel showing the rotor please? the disk has a concave and a covex side, which on goes against the wheel please?
 - 
	Rear brake caliper bracket is located below the rear brake caliperr, the caliper is bolted to the bracket. The bracket is attached to the swing arm (this attachment point is the one I'm talking about) and to the rear wheel axle. This is an '83 to 85 bike but the bracket is used in the same way. The connection id on the forward end of the bracket where it fits on to the swing arm. See item 3
 - 
	I got the tire on the rear wheel of the '88 today, balanced it on my trusty HF M/C wheel balancer I got 2 oz. on each side in those ugly wts. HF sells and the wheel stops turning when it looses momentum, it stops at random places on the "clock" to to me that's balanced.... comment are welcome, this is my 1st wheel balance job. So I got the rear brake caliper bracket in hand, put a little grease in each hole and fit it in place on the bike except it wouldn't go on with an easy push, is that normal? I painted the Swing Arm so I got the paint off the pivot the bracket uses and still no easy fit. Should I tap it on or is something (I can't imagine what) wrong?
 - 
	
	
				Fork seals, again!
dna9656 replied to CaseyJ955's topic in Venture and Venture Royale Tech Talk ('83 - '93)
There are businesses that resurface hydraulic actuator rams and accumulators; and a fork is a kind of accumulator as it absorbs surges in hydraulic fluid flow like a shock absorber on the truck, except it had the suspension's spring integrated with it and we traditionally call it a fork due to there being 2 of them acting in tandem. Like you don't all ready know that... SORRY! - 
	
	
				Dust and thrust covers
dna9656 replied to dna9656's topic in Venture and Venture Royale Tech Talk ('83 - '93)
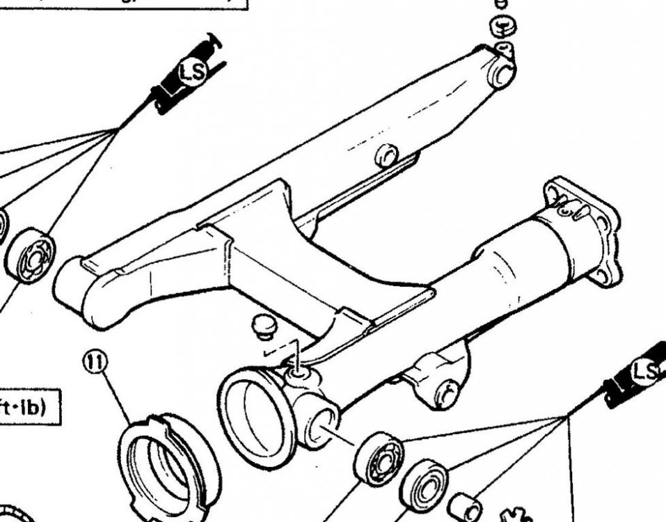
I don't have plastic covers, What I got are washers with a sort of shallow rubber cup bonded to the washer. See my other posts on the swing arm for pics. See index 18, 34, and 36 @ https://www.partzilla.com/catalog/yamaha/motorcycle/1988/xvz13u/swing-arm - 
	
	
				Clocking (indexing) a used tire
dna9656 replied to dna9656's topic in Venture and Venture Royale Tech Talk ('83 - '93)
A common sense approach; you're a good man Charlie Brown! - 
	In the Arm ! and Arm 2 are thrust covers and dust covers. Has anyone had to replace them? I need to replace mine. As they are unavailable has anyone found a suitable substitute?
 - 
	Yeah, the drive shaft on this bike carries a circlip. I ask about replacing the seal because some times seals are replaced due to age (reliability) and or they are known to more often than not replaced due to cost/VS> the PIA it is having to replace it 300 miles after you put the bike back together and the $20.00 seal now "costs" either a lot of duplicate effort (taking the bike apart agan) so soon after just having done it OR 2 hours @ a shop paying the shop rate. I have 2 HF motorcycle lifts; one for maintenance of my rider and one for disassembly of my 5 parts bikes; getting a bike up on the lift by myself is tricky because the side stand won't work on the lift and (I have HF's large M/C stand bolted to the lift to hold the free standing bike up) using the center stand is just impossible for me. I use tie-down straps to hold the bike up for safety and strapping it down while the bike is (almost) free standing. After all is secure I use a Venom M/C scissor jack under the bike to get the center stand down. I then re-set the tie down straps to make sure nothing is going to move. Anyway taking some thing back apart soon after I just had the ^%$#*&^&* thing up and apart is some thing I try to avoid. So this seal is available for less than $10.00 with free shipping. This bike WAS NOT lavishly maintained, the PO had a guy he knew change the oil and do a lot more that he had no idea how to do and some assumptions were made like the drive shaft is (umm no, it isn't) nearly maint. free. The crud I found outside greased areas makes that plain as did the brake pads falling off the steel backing plate due to fork oil/brake fluid contamination and the improperly assembled forks.
 - 
	
	
				Remove and replace tires at home
dna9656 replied to dna9656's topic in Venture and Venture Royale Tech Talk ('83 - '93)
I bought the one in my previous post (above) and rec'd it this past Friday, It works! I may get the smaller rim mounted tool for road trips; I will not go on a road trip with tires that might need changing during the trip but if I should need tires I'll have that smaller tool and a couple of tire irons and save a night's lodging fee by changing my own tires! - 
	The spines in the U-Joint need to be greased by hand or acid brush, the U joint is too small to accommodate a zirk fitting; maybe a hole with a ball in it (serviced by a "needle" on a grease gun) would work but I havn't seen one used in this application, not that I have a huge amount of experience with them..... Mark 2s being the 1300s or newer than 1993? I'd like to hear more from Marcarl and anyone else that has any ideas... I'm here to learn and shoot my mouth off about how much I don't know about these bikes!
 - 
	I JUST WENT through the thought process of just how clean the bead area of the wheel has to be TODAY! I am moving one tire from one wheel to another... What to use to clean it with, etc. I noticed the wheel has a Phonograph finish so that told me Yamaha wanted that finish to promote the sealing of the bead(?) So in the end I wire brushed (by hand) the bead area and the in tire (arg, arg, arg) wheel area that's inside the tire absolutely clean. I tried some WD-40 in an effort to dissolve some of the rubber, then THOROUGHLY cleaned the area between the bead walls with Brake (leaves no oil residue) Clean 4 times to be sure no lube was left. Conclusion: A wire brush and elbow grease is prolly the best tools/method to use for this job. The WD-40 helped but not that much. I thought about a wire brush on my drill but that would tend to polish the metal (at least that's what they (I'm a marine painter) teach at work so I stuck with what works... I had to relearn how to change a tire; back in the day I hung out at gas stations that did repair work, sold a few tires, a LOT of $0.35 a gallon gas when gas went to $0.60 (OMG!) a gallon....etc...I had a Coats 20/20 tire changing machine and good ole tire lube. I got some lube (Bull Snot) on the M/C tire and it came off AHELLOVALOT easier! Tomorrow I"ll re-install the good tire using Bull Snot (tire lube) it's slicker than snake snot on a door knob! I was taught not to use anything but approved tire lube... Some guys on the You Tube use dish soap, some kind of soap... Too scary for me!.....
 - 
	Well I can't really dispute that, I think you're referring to the insides of the Final Drive Assembly (FDA), I'm talking about where the drive shaft engages the FDA; where the Swing Arm and the drive shaft connect. Carl, Neither the forward universal inspection port located on the forward end of the swing arm (on all models/has a plastic plug) above the universal joint is going to allow water to drain nor the location of where the grease fitting is on the 83 to 85 swing arm joint is going to let water out because they are not located on the low side the arm. Unless of course I have no idea what your talking about...(very possible) unless as I wrote above you're referring to some thing inside the FDA? Note to Web Master Freebird; I do not know why the site posted a 3rd picture; I tried to delete it and it doesn't show in the edit window. Also it turns some pics upside down and when you post an up side down (thinking it'll be right side up pic it still posts it up side down. Must be some kind of Gremlin huh? Am I the only one with posting issues? I can't even remember what I was trying to get across to every one in the other post I made that turned into to gobbledigook. From the 88 SM Note: Inspection port/plug To inspect the universal joint From my shop Note: grease fitting above & fwd of FDA and swing arm bearing swing arm joint
 - 
	
	
				Dust and trust Covers
dna9656 replied to dna9656's topic in Venture and Venture Royale Tech Talk ('83 - '93)
I posted (edited) another pic, thanks for the watchful eye and re-posting the pic(s)... I wonder what's going on? - 
	
	
				Dust and trust Covers
dna9656 replied to dna9656's topic in Venture and Venture Royale Tech Talk ('83 - '93)
I can see it! - 
	I trust you have a 83 to 85 bike....Have you ever taken the final drive gear off? On my 83.5 to 85s servicing that zirk fitting just fills the tube with grease, or so i was told on this site, it doesn't necessarily grease the gear coupling and drive shaft end joint. Yamaha does not give a time or miles spec. to lube the location so lube it every time you have the final drive gear and swing arm apart.
 - 
	
	
				Dust and trust Covers
dna9656 replied to dna9656's topic in Venture and Venture Royale Tech Talk ('83 - '93)
Well when I look at my post it has a picture so I really don't know what o say except you might contact the web master and ask him about it.... 
