Jump to content

Recommended Posts

Posted

Just completed the shift segment upgrade Tuesday (ugh...). Still loud shifting but at least it's shifting and have been able to ride to work last couple of days. Wednesday on the way home the rear (and presumably left front) brakes clamped down. Not fully but progressively although I was able to hobble home slowly. Had already needed to clear the master cylinder return hole once before and after getting home, did it again. This time it was pretty firm, like a lot of sludge was present. I've ordered the MC rebuild kit and will get to it weekend after next.

Another (and bigger?) issue... went out yesterday morning and started it up before work and struggled to start. Tachometer didn't budge. Babied it to life and finally the tach reved up and the engine smoothed out. I had assumed there was crud in the carb that finally got flushed out. Ran fine to work but same thing starting it afterwards. Struggled initially but after warmed up evened out. Same thing today however after getting home from work, took it out for a spin before it had cooled down and got 1/2 mile from home and cut out again. Low power, tach not moving. Attempted to rev and didn't help but would occasionally clear and take off like a bat.

About 3 weeks ago I ran about 3-4 gallons through it with 1/4 can of Seafoam and after that had emptied I did 5 oz of the Berryman B-12 in a full tank. After the Seafoam it would bog down around 3k RPMs but would clear out after warmed up. Berryman's seemed to alleviate that problem.

So is it safe to assume I've got carb issues? I really wanted to get through the rest of the month (2 months would be great!) without spending more money and having it sit in the garage as I waited for parts to arrive. Never done one before and daunting to consider but should I do a carb rebuild? I know they'll have to be synced afterwards and of course I don't have the sync tool (yet more money). I did an oil change when I did the shift segment and replaced the plugs about a month ago, fuel filter 2 weeks ago and adjusted the idle up slightly so other than the Seafoam & Berryman's I've not done anything else with the engine.

Local shop refuses to even look a the bike until winter so it's on me. '83 standard Venture and odometer reads 56k but was told closer to 65k. Thoughts? Thx in advance!

Posted

Tach not working points to an electrical issue. I’d start with checking/cleaning connections at the TCI and coils. On second thought check battery connections before that. 

  • Like 2
Posted (edited)

Dielectric grease is protectant, not a restorative. Make sure the connections are clean and tight, then some dielectric grease or other protective solution would not be a bad idea.

 

Edited by luvmy40
  • Like 2
Posted

Thx, @Patch. If you've got time would you mind treating me like a greenie who's used a voltmeter once and has no idea how to check the coils for voltage in and the ohm's on the secondaries? (I'm sure that's not difficult to imagine for anyone who's read some of my posts!!!) Thx again, regardless!

BTW, I've not ignored all the recommendations as I've been on vacation. Even if I look like a boob I want to post updates so other greenies can glean from y'all's insight and my ignorance. Thx again to all.

  • Like 2
Posted

 

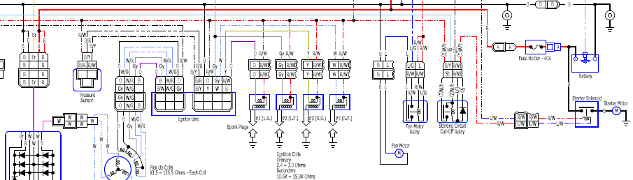
image.png.b285458181fcecf87375470fea6b6115.png

The battery is on the right then a fuse connection and the heavy red line above is the power source for the coils. We want to perform a voltage drop test. This is likely the simplest test we often need to do. The first step is to set the multi meter to Dc 12 to 20 V/Volts. Nest we insert the Black probe into the Black heavy lead that is at the battery terminal (that lead stays put throughout this drop test).

Step two is to measure the Voltage across the battery With the Ignition set to Run (for this I usually pull the headlamp fuse).  

NOTE DOWN THE READING

Step three: locate the ignition coils, there are 2 connections to each coil one of the 2 should always be RED.

Step four: Place the RED lead from the meter to the RED wire feeding the coils (that is the Voltage we want to know for this drop test). Repeat for every coil.

NOTE DOWN THE READINGS

 

Are the primaries working correctly? OHM’s Test:  KEY IN OFF POSSITION

Not know the type of meter you ae using, set the meter to the OHM setting.

This time we will use the BLACK & RED LEADS at the coils.

Each coil has one RED & WHITE  wire and each coil has 1 color wire they are : Orange – Grey – Yellow – White……

Black Lead to the RED/WHITE wire RED Lead to the color wire (just for consistency)

NOTE DOWN THE READINGS

 

The Grey wire reading we may have to work with more depending on the readings.

The reasons we are doing this Drop Test ? forwarding the question to the forum.

  • Like 1
Posted

Thx for the thorough explanation, @Patch. Heading home tonight or tomorrow so anticipate getting back to the bike this weekend. Will post my results. Was planning on soaking the carbs with Puc’s method on the bike so I’ll have time on my hands. 
 

Congrats on the rookie status (I think!)!

Posted

Well Ya, that would suggest a hair transplant footed by the club.... Silly

The coils will take a bit of work to get to. I don't think the problem is the carbs but they can always use a cleaning

  • Haha 1
Posted

I've had to apply the choke to get her started (hot or cold) and has idled low (~500rpm) since I got her. I tried to adjust the idle up when she's cool but was too high after it warmed up. Since I developed problems with bogging down after adding Seafoam and cleared up after the Berryman's that was my first suspicion. I'm sure I need to sync the carbs (regardless of the cleaning) but as I indicated in my other thread I'm just trying to squeak by on the smallest investment this season.

This recent issue sounds (and feels like) a cylinder suddenly firing & even heard a hollow "pop" like the carb quickly opening up. Dunno if that is indicative of anything but will still troubleshoot the coils. I'll check the service manual on accessing them this weekend. I'll also clean the connections at the coils & TCI as also recommended. Thx, guys.

Posted

You could likely be fighting two issues at once - electrical & carb related.  Sounds more electrical, but I have a set of carb sync gauges I'm happy to send you on loan if you want to at least clear that off the table relatively quickly and easily.  I'm not sure how well they will sync if you are having electrical/voltage issues @ the coils or ignitor but worth a shot to at least give you some peace of mind.

PM me if you want me to send the gauge.  I just finished a sync a couple weeks ago, so it will be sitting unused until later this year anyways.

  • Like 1
Posted
22 hours ago, JFootman said:

I've had to apply the choke to get her started (hot or cold) and has idled low (~500rpm) since I got her./// This cancels itself out below// 

I tried to adjust the idle up when she's cool but was too high after it warmed up. Since I developed problems with bogging down after adding Seafoam and cleared up after the Berryman's that was my first suspicion. //ADDRESSED BELOW//

I'm sure I need to sync the carbs (regardless of the cleaning) but as I indicated in my other thread I'm just trying to squeak by on the smallest investment this season. ///NO not yet///

This recent issue sounds (and feels like) a cylinder suddenly firing & even heard a hollow "pop" like the carb quickly opening up.  /// THIS IS THE TRUE DEFINITION OF BACKFIRE the pop you hear came from the intake valve/

Dunno if that is indicative of anything but will still troubleshoot the coils. I'll check the service manual on accessing them this weekend. I'll also clean the connections at the coils & TCI as also recommended. Thx, guys.

 

On 6/24/2021 at 5:07 PM, JFootman said:

 

Another (and bigger?) issue... went out yesterday morning and started it up before work and struggled to start. Tachometer didn't budge.

Babied it to life and finally the tach reved up and the engine smoothed out.

I had assumed there was crud in the carb that finally got flushed out. Ran fine to work but same thing starting it afterwards.

Struggled initially but after warmed up evened out.

Same thing today however after getting home from work, took it out for a spin before it had cooled down and got 1/2 mile from home and cut out again. Low power, tach not moving. Attempted to rev and didn't help but would occasionally clear and take off like a bat.

About 3 weeks ago I ran about 3-4 gallons through it with 1/4 can of Seafoam and after that had emptied I did 5 oz of the Berryman B-12 in a full tank. After the Seafoam it would bog down around 3k RPMs but would clear out after warmed up.

Berryman's seemed to alleviate that problem.    //// AND THIS IS WHY I AM CERTAIN YOU HAVE ELECTRICAL ISSUES///

So is it safe to assume I've got carb issues? I really wanted to get through the rest of the month (2 months would be great!) without spending more money and having it sit in the garage as I waited for parts to arrive. Never done one before and daunting to consider but should I do a carb rebuild? I know they'll have to be synced afterwards and of course I don't have the sync tool (yet more money). I did an oil change when I did the shift segment and replaced the plugs about a month ago, fuel filter 2 weeks ago and adjusted the idle up slightly so other than the Seafoam & Berryman's I've not done anything else with the engine.

                                                                     ----------------------------------------------

Combustion Propagation Characteristics is the issue as I see it.

The cause in this case is temperature shorting or opening circuits.

My opinion is skip past the carbs for now, perform the tests as laid out. You will learn with us how to read the meter as we go forward.

There will be more tests to do as you show the numbers back to us, set a time let us know so those that can will be around to stick it out with you!

As we know I have a language disadvantage which you all get enjoy when I post; but I also read differently.

So that is just like the situation you are now in, you feel disadvantaged not knowing, and we will turn the club into your/A advantage :classic_cool:

PS. welcome to the Family

 

  • Like 1
Posted

I posted the above yesterday as the forum went dark. 

The new format for the forum doesn't seem to lend itself to the format I am use too. So what ever are the new cut and past or quote and comment tricks are, are beyond me.

You'll have to open the quotes and read thru 

  • Like 1
Posted

Thx, @circa1968! Sincerely appreciate the offer. I may take you up on that but after looking on Amazon it looks like I can get a cheap set for around $60 which isn't nearly as bad as I thought. By the time I do shipping both ways I'll probably have covered almost half of it & I assume this isn't the only time I'm going to want to do this.

I guess the problem with 6 kids (5 are boys) is nothing is where you think it should be (it surely CAN'T be MY fault!!!) so I can't find my multimeter. Heading to HF to pick another one up today.

In the meantime I did a little cleaning on the carbs yesterday. Took off the airbox & sprayed the tops and all the ports I could find followed by blowing them out with low-pressure air (40psi). I did the CowPuc trick and drained the bowls and backflushed the cleaner however the #3 cylinder has the hose detached. Of course it has to be the one there is absolutely no easy access to so I'm getting a mirror and long curved hemostat from HF when I'm there. It struggled to start with multiple small backfires and although it started, no RPMs on the tach and as soon as I gave it throttle it died. Of note, there was a trace amount of very small debris (nearly microscopic) in one of the bowls but other than that there wasn't much discoloration of the cleaner after flushing.

After the starting struggles I tried to charge the battery and yes, I know I'm supposed to disconnect the cables before charging and I didn't. I had done it before with no issues (and multiple times on the other vehicles). Thinking the charger might be bad I hooked it on the SUV and worked fine. Disconnected positive and negative cables and charged the bike battery with no issues. Although I could have created another problem, my feeble mind is thinking that may be another affirmation of an electrical issue as @Patch has repeatedly indicated (I promise I haven't doubted you, Patch!).

Just to clarify, Patch, the "pop" I said occurred wasn't a backfire but rather a hollow sound that was more like something opening or closing up which I had (apparently mistakenly) assumed with something carb related. It sounded like it came from there too.

In addition to the multimeter, mirror and long hemostat at HF I was also going to get a can of the CRC QD Electronics Cleaner for any of the contacts I encounter. Was also going to add the dielectric grease from WM for good measure. I'm definitely not opposed to spending a few bucks on new spark plug cables (I assume they're originals) but hoping I'm not looking at 2 new ignition coils or ESPECIALLY not a bad TCI unit. Thankful to all of your help troubleshooting so I'm not throwing the towel in prematurely or spending money on items I don't really need. Will probably do the electrical testing tomorrow & will post results.

Patch, I've never noticed any "language disadvantage" & I'm sure everyone who reads these posts wishes I had a language disadvantage so I wouldn't ramble incessantly!!!

Posted (edited)

getting back to your opening question

Quote

Can't I go a week without an issue???

Stay in bed don't get up :draming:

Edited by saddlebum
  • Haha 2
Posted

So yes as for the popping coming from the carb. The "backfire" means just that. What happens is just like what Terry is going thru. The combustion area becomes to wet, every so often the coil will fire which causes a misfire. How does it happen? Glad you asked ;) 

In this case and with this ignition system there are 2 reasons for it: The coils are not being triggered in sync with the engine timing. This is what we are looking for as to what the cause is. The next reality is this system is based on "wasted spark" that means a coil is triggered on every exhaust stroke as well!

I am going to briefly explain combustion, my hope is that you can visualize the single event that begins the combustion cycle: Each combustion has a duration (time) this is further explained through propagation (the progression of ignition to the fuel/air charge) This can be visualized by 1 single sheet of tissue crumpled up into a ball the lit at the top - as the flame spreads the tissue and flame change shape or propagate the time this takes is called "duration"!

The exspansion is the energy that drives the piston the crank and the valve train and that is continuations. So if the duration is to long then the backfire will light the next charge as it enters past the intake valve on the intake stroke causing the "backfire"!

Next you misinterpret my disadvantage comment. NO reason for you to know my background but enough to say I have worked thru many disadvantages turning them into advantages. I'll share this too: I have been working with a 38 year old that was hit by a train suffering many injuries including head trauma. He is visually not the man he use to be, he walks like a toy soldier, his beautiful loving girlfriend and mother asked me to help him. To be honest with all I didn't believe I could but I found a way and I now know he can, So I persist because he tries. 

I have a small group of PTSD that I work with as well. Each one of us is different but none of us ever laugh at the other unless we all laugh together.

Oh and I also train good people to defend...... None of or any of the above is done for profit. I think I am qualified to know a bit about disadvantage to advantage ;)

  • Like 3
Posted

Thx so much for the thorough explanation, @Patch. I think it's readily apparent you've probably forgotten more than I've ever know about engines! After reading it a couple of times my peabrain is starting to conceptualize.

I guess I had always assumed backfire was the "gunshot" sound from the exhaust and this was distinctly different. Nonetheless I'm thankful we're working towards the goal of just getting her running.

I know you're not looking for praise, Patch but you sound like a heck of a guy. Not just for what you've done for me but your obvious willingness to help others expecting nothing in return.

Just started inspecting again. You weren't kidding when you said the coils "will take a bit of work to get to"! I'm hoping I don't need to do a teardown to get to them but man, that's tight (coils AND wires!)!

Before I went any further and since they were easy to get to I looked at the plugs. The #2 plug (front, left side while sitting on the bike, right?) and saw what looked like a burn mark angling across the plug and the "gasket" at the base appears melted (see pics). The termination of the wire within the plug doesn't appear charred and the spark plug looks fine. I DID replace the plugs a little over a month ago & while I can't guarantee it, I don't remember seeing this burn.

I also saw that #4 (front, right?) and noticed the base of the plug and the cavity around it appeared wet and dirty by comparison to the others. I'm not sure if either of these observances indicate anything but thought I'd throw it out there as we all know I'll have a bunch more to ramble on about when I actually pull out the multimeter!

IMG_1346.jpg

IMG_1347.jpg

IMG_1348.jpg

IMG_1350.jpg

Posted

Just to close the comment/remarks drawer, this membership here in the club has given me more over the years than I have been able to return in kind. (I think that's english)

Your plugs are showing 2 different issues, so let the guys know the plug number, the caps will need attention and is a proper place to start.

The wet plug will lead you to a path that will generate the quickest results. There is a tool I recommend that is cheap and easily found call a gap tester. I always ride with mine in the saddle bag. Say $10.00, using it just cuts down on the work or, will certainly point you/us to the right location (s).

One of the clubs here in Calgary is closing permanently, it is our old guy hangout in these parts. I'll be away for a bit likely till tomorrow afternoon, as we all raise the roof one last time.

All the steps are listed in Terry's thread models are different procedures remain the same. Just don't skip over the questions or measure halfway; and you'll come out knowing how to help the next guy that buys an old bike :classic_cool:

  • Like 1
Posted
4 hours ago, JFootman said:

Thx so much for the thorough explanation, @Patch. I think it's readily apparent you've probably forgotten more than I've ever know about engines! After reading it a couple of times my peabrain is starting to conceptualize.He

@Patch has helped me learn, and no doubt countless others here.  I'm still a newbie, like you, learning along the way.  If it wasn't for guys like Patch, cowpuc, saddlebum, and others, my bike would spend more time in the shop than on the road.  They've not only helped me directly, but I've learned much by reading their older posts helping others. 

Regarding electrical issues, I have a EE and spent 20 years in silicon valley manufacturing, starting as a production floor technician.   I learned a few troubleshooting skills along the way.  Controlled explosions of internal combustion are new to me, but the education process has been a fascinating journey along the way.

Not to get too basic on the electrical stuff, or insult you, but here are a few pointers as you go along that journey (and some basic terminology).

At a very basic level, there are two types of circuit faults; a short (often used incorrectly as a description for ANY circuit fault) and an open.

A "short" is a short circuit, or path for electron flow, between two points that is not intended to exist.  Typical symptoms of a short are blown fuses, charred or melted wires, sparks, something getting really hot & smoke.  To better visualize this, imagine (do not do this) straightening out a paper clip and connecting opposite ends to +Pos and -Neg of a battery.  You've just created a "short" circuit between battery Pos & Neg -  Bad idea - allowing nearly unimpeded electron flow between them.  You will quickly notice:  a) initially a spark; b) a glowing red wire in your fingers and c) 3rd degree burn marks on your fingers.  (Final disclaimer:  I am not recommending anyone do this!).  Intermittent, and/or high resistance shorts can also exist due to dendritic growth of oxidation between two circuits, usually the result of some type of contaminant or chemical reaction with the conductor (even moisture can cause this).  These will cause arcs between circuits and/or ground.  This type of short may likely not cause a fuse to blow, instead, you will have charred insulators and wires, which can lead to either a direct short or even burn a wire out completely, causing an "open" circuit.

An "open" circuit, should be fairly obvious by now.  Its a break in a circuit, stopping the flow of electrons, between two points.  Sometimes an open circuit is intentional, i.e. a switch in the "open" position.  A broken or burn wire creates an open.  You can also have a low/high resistance open, particularly at connection points.  Again, this is due to oxidation (any metal, save the few precious metals) will oxidize over time.  As the oxidation forms a barrier to electron flow between the connection points, heat can be generated causing even greater resistance to current flow. In extreme cases, this could generate enough heat to actually burn out the wire.  Common places to look for unintended mechanical opens are at the connector crimp on a wire, often caused by stress (mechanical stress, not wife/kids/job/mortgage/etc kinda stress...)

This is why the advice to clean/inspect all your connection points is very good advice to follow as a starting point, along with the voltage/resistance measurements that Patch is pointing you towards.

Not sure what to make of your spark plug wire pics.  Can't tell if that's heat, arc or chemical related.  It appears there is some other contamination around the area there, related?  Is the damage just on the outside, or can you see that it is burning through from the inside out?

 

 

  • Like 1
  • Thanks 1
Posted
8 hours ago, JFootman said:

Thx, @circa1968! Sincerely appreciate the offer. I may take you up on that but after looking on Amazon it looks like I can get a cheap set for around $60

I have a similar set, maybe a bit more fancy, that I paid $100 for.  Pick up a couple of tees to hook them all together and check to see if they are calibrated the same.  three of mine were spot on and the 4th was off by just about 1 tick mark.  I just make a mental note of that when syncing and adjust accordingly. 

 

  • Like 1
Posted

Going to try and keep this short??

Often guys turn carb syncing as a cure idle issues which really is not what syncing is all about.

The first trick of the mind is to level the readings out as the solution. Fact is is that what you are doing is reading vacuum only on the intake strokes that can be generated by 1 properly working cylinder effort in rotating the crank.

If we want to balance airflow only then so be it. But it will not smooth out the idle or lead to a more equal fuel air charge.

Everything we do when building and tuning is about transferring reciprocating force into rotating / torque as efficiently as design will permit.

This is where we get into Volumes of fill capacity. The throttle plates are the most troublesome restriction to filling capacity. They also represent the most outbalance in intake flows, however they do provide mixing of the 2 part charge.

I don't know when or how tuning became so grouped into one event? Tuning requires adapting to engine condition as a whole. If in the case of volume we need to understand the ability of the strokes to muscle thru the 4 required strokes.

Carbon buildup hinders this process especially for volume capacity. Ignition triggers and voltage failures are both common and easily solved and should be the second test when working on an old machine after compression.      

Posted

I'll try to be brief as well (what are the chances?!?!)

Thx, @circa1968. Very thorough but basic explanation for my peabrain to understand open & short circuits! I sprayed cleaner on the contacts but was going to wait on the dielectric grease until I thought I was finished. If I get a carb sync unit I'll be sure to check the balance of the gauges like you said.

Was just heading out to the garage to complete the testing when I saw your post, @Patch. Again, your knowledge overwhelms me! Will continue to pursue the electrical concerns before syncing. I did pick up a spark gap tester today & was part of my plan for the evening or tomorrow, time allowing. As it appears I'm going to have to replace at least 1 of the spark caps, I ordered 4 today plus new wire (inexpensive enough to justify). I had replaced the plugs as recommended in the service manual but after researching further, it appears the recommended plugs are the NGK 2022 iridium and picked up 4 today as well. Figured I will remove the plugs at some point to inspect and might as well put in the proper ones at that time anyway. I'm hoping the #4 plug with the debris and moisture might be user error however it was pretty dirty when I changed it the first time IIRC. Was planning on cleaning everything more thoroughly before replacing.

Thus far I've completed the voltage drop testing. Across the battery I had 12.61v and 12.30, 12.28, 12.24 & 12.25 at the coils.

Will do the ohms testing now. Will also test spark gap on each. I didn't see anything in the service manual but is there a minimum gap that's recommended?

Should I swap the plugs now or is there a potential that I will damage them? Since they're more pricey I don't want to shoot myself in the foot if I'm still troubleshooting.

Thx agn!

Create an account or sign in to comment

You need to be a member in order to leave a comment

Create an account

Sign up for a new account in our community. It's easy!

Register a new account

Sign in

Already have an account? Sign in here.

Sign In Now
×
×
  • Create New...