JB601 Posted July 19, 2020 #1 Posted July 19, 2020 First off - Thank you all for your knowledge, advice, and tech docs. I've on week 8 of my 1983 Venture project. You can't place a price on the critical this forum has been. Full Disclosure - My previous motorcycle project was a few years ago on a 84 GoldWing that I literally found in a barn next to cattle. It had been there for almost a decade. The PO won it a poker game, but didn't actual ride motorcycles, so he parked in the barn and left it. The only reason he found it is because he built a new barn and was about to tear it down. So a little history of the bike as I come to know it. 83 VXZ1200 - 33K miles; Been sitting for 8+ years. I found it in a trailer park in KY. It was in pretty bad shape. Probably worse than the GoldWing, but all the parts where there. Even got all the plastics. Sun faded, cracked and in pieces, but they were there. So this is the kind of project that is right up my alley. I get it home and start going through it. Engine would crank, brakes were shot, carbs were broken - no just clogged - physically broken (how in the world to do you even break a multiple carb bodies!) and the gas tank looked like someone poured a bag of potting soil in it. I've never seen a gas tank with 2" of solid gunk. The bike did come with brand new tires and a service manual. I'm thankful for both. So far I've: Replaced the carbs with a set I got off eBay that came off a 1983 XVZ1200. I did clean and rebuild them. Set each idle screw to 2 1/4, re-synced with Motion Pro II and Vacuum Gauges. Cleaned the gas tank. That took several hours with pressure washer and at some points I had to take a hammer and long chisel to break that gunk free. All new fuel lines and a clear see-through Advance Auto Universal fuel filter (so I can monitor it). FYI - it actual fit holder by the fuel pump New spark plugs. Autolite 4164 gaped at 35. I didn't replace the wires, but I did clip the wire ends at the coil packs. Strange enough - the previous spark plugs where gaped at 23 (instead of 32). Clean the wires to the CDI module. The coolant was bright green, I flushed it anyway. Just a normal water flush (no chemicals) and I went back with the normal green stuff. Soldiered the CMU, fixed a broken soldier on the hazard switch, install the battery bypass resistor Fix H4 Headlight connector - somebody switched the hi/low beam wires (just why??) Upgraded the fuse box to a new blade style fuse box. I had to do it. The PO had remove the old fuse box and crimped the wires directly to the blades of the fuses! The brakes where already separated and the rear master cylinder just needed a good flush. Rebuild the front master cylinder, installed brand new brake lines, along with new brake pads all the way around. Rebuild both front calipers. Spend close to 40hrs just repairing the plastics. They look okay. Yes, there are some hidden zip ties in certain places. Installed a really neat stereo and speakers that sound amazing. Crystal clear even at 65mph. (I'll save that for another post) I've changed the oil three times so far. I believe consecutive oil changes in close session is the safest way to clean engine. I stay away from all chemical engine cleaners. I also installed one of those USB ports that has the voltage read out. That voltage readout comes in very handy. Repaired the 3 white stator wires. They were actually twisted together, duck taped, and shoved in the gap by the tank. two of the wires had came loose. I soldiered the wires and used two lays of heat shrink tubing. I do believe that the list I may have forgotten a few things. Had some major headaches and long nights along the way but that was due to lack of maintenance and overall lack of knowledge of the bike itself. I also took plenty of pictures along the way. Kinda like a small photo journal. Overall - This bike is a monster!!! I've never ridden anything quite like it. I would have never imagined it would have so much power. It rides like a dream. It has totally exceeded my expectations in every way. My wife likes it way better than my GoldWing and so do I. I'm a true cruiser, I shift between 3-4000 RPM's. Little did I know how quick this bike gets to 3000 RPM. You barely have to twist the throttle. I took it out one night and really got on it pretty hard... totally different bike. It was like riding my Kawasaki Concurs. I swear the front wheel came off the ground at one point. I'd like to meet the individual that has actual went WOT. I tried - I almost hit 80MPH is second. Scared me a little bit. Shouldn't be able to do that with a full bagger LOL! I'm still learning the bike, so I catch myself trying to kick into 6th gear every so often. But it felt safe and it didn't fade or shy away. So yea, I'm totally sold on this bike. I'm truly impressed and I'm glad I own it. It was definitely time and money well spend. Okay - so to the issue I need some help with. This bike starts great, runs like a mad bull, no pops or pings, no back fires, no warning lights, and runs pretty cool for what it's worth. But I have a strange issue when I come to a stop. The idle will drop and the engine will start bogging down. The tach falls to zero and doesn't move. It will eventually bog down low enough and die. Previously it did not do that. It idled at 1000 and didn't budge. I can play with the idle screw and get the tach to bounce between 1000 and zero (even the engine rpm is steady). Now it will idle at 1500 rpm just fine, but that's way too high for my taste. I have no drive-ability or ride-ability issues. From the point you take off to the point you come to a stop, the bike runs flawlessly. It's only when you squeeze the clutch it will drop. But not every time. Some times you will come to a stop and it will idle right on 1000, then a few seconds later the tack will drop to zero and it will start to bog down. As soon as you take off, it's like nothing ever happened. I've ran a can of seafoam through it. I've reset the idle screws, I've check the sync on the carbs, replaced the plugs again, replaced the fuel filter again, adjusted the linkage cables, cleaned all the grounds, charged the battery, drained the tank, and changed the oil (4th time). Went though an entire can of carb cleaner, searching for vacuum leaks and didn't discover any. There still may be a vacuum leak, but I just didn't find it somehow. Checked the carb slides and diaphragms. It has gotten better. I can find a sweet spot on the idle screw when it warm and it will not die. The tach will be still be at zero, but the engine sounds like it is at 1000 rpms. I can't figure this out for the world. I have rode a total of 516 miles since I put it on the road. This issue didn't develop until I ran seafoam through it around the 300 mile point. I took the bike out tonight and rode 60 miles on the highway at 70mph. it rode like a dream. Shifted perfectly, temp gauge was a little above half, voltage stayed between 13.8 and 13.9 (thanks to that little gauge). It was quite and smooth but the issue was still there when I came to a red light. It didn't die, but it did bog down and the tach went straight to zero. Any advise would be greatly appreciated.
Freebird Posted July 19, 2020 #2 Posted July 19, 2020 The tach dropping to zero is the first good clue. I believe the tach gets it's signal from number 3 cylinder, not 100% sure but I think that's the one. It sounds like that cylinder is not firing. These bikes will run great on just 3 cylinders. First thing I would check would be the number 3 coil.
Prairiehammer Posted July 19, 2020 #3 Posted July 19, 2020 Don is correct about the tach dropping out as a dead giveaway to a TCI or coil issue, but not on number 3 cylinder. The tach gets its signal from number 2 cylinder ignition. Revisit the connector on the TCI for good contact. Also check the wiring from the pick-up coils in the generator/alternator crankcase cover. If one (or more) of the pick-up coils are bad, you will drop one or more cylinders. Typically, a pick-up coil will fail when it gets hot from engine heat. When the coil cools, it often works again. Check the resistance on the pick-up coils when cold and again when hot (and failed).
Freebird Posted July 19, 2020 #4 Posted July 19, 2020 Thanks for the correction. I was't sure which coil it was. I'm fairly sure on the Second Gen that it's number 3. At least I know it's one on the right side. Actually,. it's sort of coming back to me now. The 2nd gen doesn't come with a tach but those of us who added one usually connected it to the front right coil. That is what I was somewhat remembering.
JB601 Posted July 19, 2020 Author #5 Posted July 19, 2020 Thank you all. I will definitely check the contacts and the pickup coil. I will also verify cylinder 2. I'm so glad for this forum. I rode almost 100 miles this morning on the highway. It rode like a dream, but the issue is still there when I come to a stop. Chances are... I'm probably running on three cylinders. I'm terrified of that thought. If it performs this well on three cylinders, I wonder how it will on all 4. I will inspect the electrical today and post any finding or results. Thanks so much.
Patch Posted July 19, 2020 #6 Posted July 19, 2020 So a little history of the bike as I come to know it. 83 VXZ1200 - 33K miles; Been sitting for 8+ years. So far I've: Replaced the carbs with a set I got off eBay that came off a 1983 XVZ1200. I did clean and rebuild them. Set each idle screw to 2 1/4, re-synced with Motion Pro II and Vacuum Gauges. The idea here is not to set them all equal nice if they turn out to be but, if that were necessary we wouldn't thread the "adaption" / Pilot tune! Make sense? 2ish is fine when you are looking for a starting point, then hopefully you will be setting them lower or tighter for a leaner idle (less carbon pumping thru the chambers) If you stay tuned there is another thread we will be touching on this later, not that we haven't many times. Cleaned the gas tank. That took several hours with pressure washer and at some points I had to take a hammer and long chisel to break that gunk free. Lets assume what ever may have been left or floated out was caught by the filter.. All new fuel lines and a clear see-through Advance Auto Universal fuel filter (so I can monitor it). FYI - it actual fit holder by the fuel pump New spark plugs. Autolite 4164 gaped at 35. I didn't replace the wires, but I did clip the wire ends at the coil packs. Strange enough - the previous spark plugs where gaped at 23 (instead of 32). Clean the wires to the CDI module. The coolant was bright green, I flushed it anyway. Just a normal water flush (no chemicals) and I went back with the normal green stuff. Back in the day we always ran Bars thru the systems. This proved to be beneficial at extending Duty Cycles while keeping the lubricated and tight when it comes to aluminium engines.... Your choice of course. Soldiered the CMU, fixed a broken soldier on the hazard switch, install the battery bypass resistor Fix H4 Headlight connector - somebody switched the hi/low beam wires (just why??) Upgraded the fuse box to a new blade style fuse box. I had to do it. The PO had remove the old fuse box and crimped the wires directly to the blades of the fuses! The brakes where already separated and the rear master cylinder just needed a good flush. Rebuild the front master cylinder, installed brand new brake lines, along with new brake pads all the way around. Rebuild both front calipers. Spend close to 40hrs just repairing the plastics. They look okay. Yes, there are some hidden zip ties in certain places. Installed a really neat stereo and speakers that sound amazing. Crystal clear even at 65mph. (I'll save that for another post) For check marks just turn the system of when she starts her lazy cycle next time! I've changed the oil three times so far. I believe consecutive oil changes in close session is the safest way to clean engine. I stay away from all chemical engine cleaners. Very good! Now again I have tested in my own little world SeaFoam in crankcase, even at a 1K lbs plus pressure system I found the readings improved and more steady at higher heat ranges.... Worth a try again, not expensive and now would be a good time. I also installed one of those USB ports that has the voltage read out. That voltage readout comes in very handy. Repaired the 3 white stator wires. They were actually twisted together, duck taped, and shoved in the gap by the tank. two of the wires had came loose. I soldiered the wires and used two lays of heat shrink tubing. So there should be no problem but if there were that harness will stall the bike. I do believe that the list I may have forgotten a few things. Had some major headaches and long nights along the way but that was due to lack of maintenance and overall lack of knowledge of the bike itself. I also took plenty of pictures along the way. Kinda like a small photo journal. Overall - This bike is a monster!!! OH MY looks like we have another 1200 MKl bragger to add to the list Okay - so to the issue I need some help with. This bike starts great, runs like a mad bull, no pops or pings, no back fires, no warning lights, and runs pretty cool for what it's worth. But I have a strange issue when I come to a stop. The idle will drop and the engine will start bogging down. The tach falls to zero and doesn't move. It will eventually bog down low enough and die. Previously it did not do that. It idled at 1000 and didn't budge. I can play with the idle screw and get the tach to bounce between 1000 and zero (even the engine rpm is steady). Now it will idle at 1500 rpm just fine, but that's way too high for my taste. I have no drive-ability or ride-ability issues. From the point you take off to the point you come to a stop, the bike runs flawlessly. It's only when you squeeze the clutch it will drop. But not every time. Some times you will come to a stop and it will idle right on 1000, then a few seconds later the tack will drop to zero and it will start to bog down. As soon as you take off, it's like nothing ever happened. I've ran a can of seafoam through it. I've reset the idle screws, I've check the sync on the carbs, replaced the plugs again, replaced the fuel filter again, adjusted the linkage cables, cleaned all the grounds, charged the battery, drained the tank, and changed the oil (4th time). Went though an entire can of carb cleaner, searching for vacuum leaks and didn't discover any. There still may be a vacuum leak, but I just didn't find it somehow. Checked the carb slides and diaphragms. It has gotten better. I can find a sweet spot on the idle screw when it warm and it will not die. The tach will be still be at zero, but the engine sounds like it is at 1000 rpms. I can't figure this out for the world. I have rode a total of 516 miles since I put it on the road. This issue didn't develop until I ran seafoam through it around the 300 mile point. I took the bike out tonight and rode 60 miles on the highway at 70mph. it rode like a dream. Shifted perfectly, temp gauge was a little above half, voltage stayed between 13.8 and 13.9 (thanks to that little gauge). It was quite and smooth but the issue was still there when I came to a red light. It didn't die, but it did bog down and the tach went straight to zero. Any advise would be greatly appreciated. Personally I would be chasing voltage at the coils during these lazy idles...
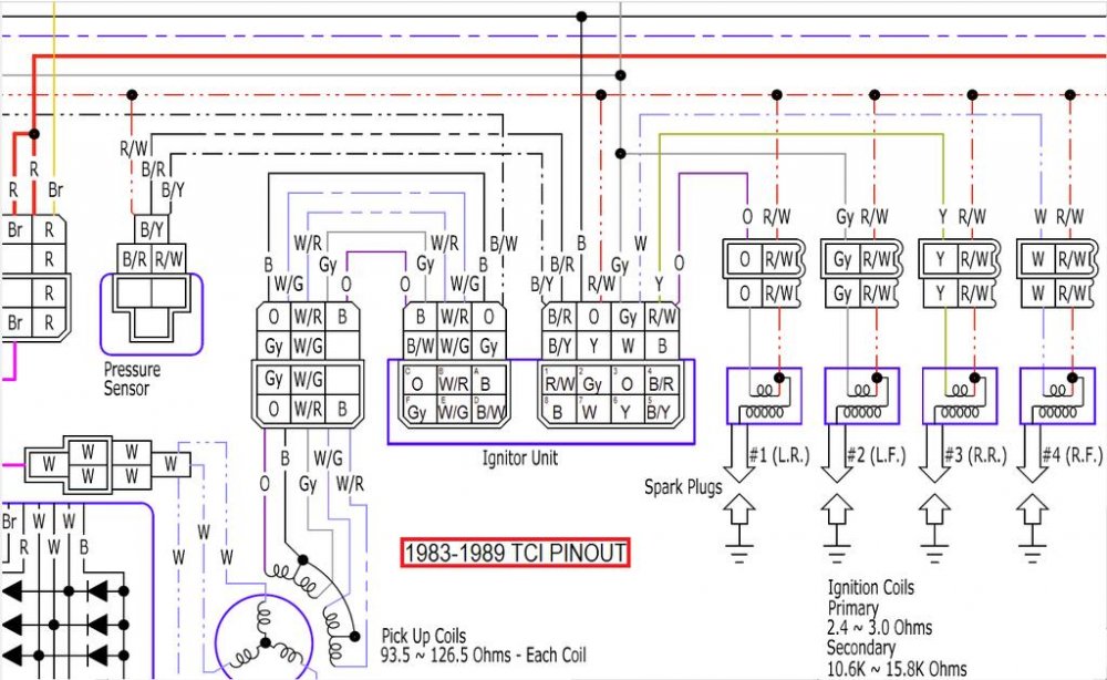
JB601 Posted July 19, 2020 Author #7 Posted July 19, 2020 Quick question regarding ohm testing the pickup coils - the manual indicates that the orange wire is the common, but my readings were off the charts. I searched the forum and found a post that states the manual is incorrect and the black wire is actually the common. I used the black wire as the common and got much better readings. Below are my findings. Outside Tempurature: 97F Cold Readings: B - G/W: 130.4 ohms B- R/W: 127.3 ohms B - Gy: 126.3 ohms B - O: 123.6 ohms Warm Readings (after 10 minute idle) B - G/W: 136.8 ohms B- R/W: 132.6 ohms B - Gy: 133.2 ohms B - O: 130.2 ohms Side note: the connector was filthy. I cleaned it really well prior to testing.
Patch Posted July 20, 2020 #8 Posted July 20, 2020 Yes they are at the limits. Another solid report back I must say! So what to do next eh? Usually we see this effect at higher rpm ranges where it can develop a consistent miss do to angle which of course carries thru effecting ignition duration which means time laps in fuel ignition! At zero advance the timing is set @5*.... you can of course check that with a timing light off of #1 . Of course we cannot recommend not changing them, that is your decision but they are due. Again my initial query of voltage at the coils would still be in the direction I would head first. Another would be pulling one fuse at a time as the bike struggles thru its low rpm. The first one I would pull is the head lamp. Curious to know what is the battery voltage when the engine slows down? I assume you know for a fact that all jugs keep firing at low rpm? In all cases the best ignition system checks are done using a gap tester, here the minimum gap is a solid 1/4" larger being better.
JB601 Posted July 20, 2020 Author #9 Posted July 20, 2020 I have to totally agree with you. I believe I have a gremlin in the electrical system. Based on the experiences I've encountered thus far with with the broken connectors, chopped wires, and crossed wires, there is a high probability there is a bad connection somewhere. I just have to track it down. Great Questions and I actually have an observation for you: Tonight I spend 4 hours on these gorgeous TN back roads. I went through 4 different counties. Up and down hills to sharp curves. On several wide open roads I let her loose. I hit the top of the red line several times. No popping, no backfires, no misses, clutch quick shifted perfectly and the temp gauge hoovered around 3/4 in the green. Thankfully, I installed a small USB charger with a built-in digital voltmeter. Every since I discovered those chopped stator wires, I really wanted a better window into my charging system. With the engine off it reads 12.5 - 12.8 (pure battery voltage). At Idle - 13.1 - 13.2 VDC Idle with bright light - 12.7 - 12.9 VDC Around town - 13 - 13.5 VDC Highway speed - 13.9 - 14.2 VDC Highway speed with bright light on - 13.8 VDC When bogging/stumbling - 12.9 decreasing to 12.3 with the bike will typically die. If I tap the gas during stumble, the voltage will jump back up to 13 or above, I can clearly hear all cylinders firing, then I start hearing the bog. I do notice the regulator will keep the voltage capped around 14 volts. I momentarily may see 14.1 -14.2, but it will stabilize below 14 (typically 13.8 - 13.9) Since it's going to rain the next few days, I will get out the timing light and confirm the timing. I will report back those findings. I believe your totally right, I am losing spark at idle causing a cylinder to drop out causing the engine to bog. once on throttle, the voltage returns, the spark returns and all is well, until I hit idle again. I found something that kinda scares me a little bit. When I got home tonight I pulled the bike into the garage and put it up on the center stand. I looked down and notice a small drip of oil that had come from the crankcase cover. I investigated further and found that my kickstand spring and the frame had thin layer of oil on it as well. I figured I was going to pull the cover tomorrow to inspect the pickup coils, so I will clean up the surfaces and put down a nice bead of RTV. Then I noticed that once of the cover screws was missing.... then I noticed another one was missing! Two are missing. That proves that somebody has been off in there before. Based on the chopped stator wires and the other wiring hacks I've discovered, I'm not really optimistic about what I will find when I pull off this cover. With the missing bolts and the oil drip, I have to pull the cover off and take a look around. I will report back my findings.
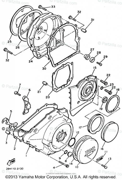
Patch Posted July 20, 2020 #10 Posted July 20, 2020 (edited) I have to totally agree with you. I believe I have a gremlin in the electrical system. Based on the experiences I've encountered thus far with with the broken connectors, chopped wires, and crossed wires, there is a high probability there is a bad connection somewhere. I just have to track it down. Great Questions and I actually have an observation for you: Tonight I spend 4 hours on these gorgeous TN back roads. I went through 4 different counties. Up and down hills to sharp curves. On several wide open roads I let her loose. I hit the top of the red line several times. No popping, no backfires, no misses, clutch quick shifted perfectly and the temp gauge hoovered around 3/4 in the green. Thankfully, I installed a small USB charger with a built-in digital voltmeter. Every since I discovered those chopped stator wires, I really wanted a better window into my charging system. With the engine off it reads 12.5 - 12.8 (pure battery voltage). At Idle - 13.1 - 13.2 VDC Idle with bright light - 12.7 - 12.9 VDC Around town - 13 - 13.5 VDC Highway speed - 13.9 - 14.2 VDC Highway speed with bright light on - 13.8 VDC When bogging/stumbling - 12.9 decreasing to 12.3 with the bike will typically die. If I tap the gas during stumble, the voltage will jump back up to 13 or above, I can clearly hear all cylinders firing, then I start hearing the bog.This is my take on this: Keeping in mind this unit is pre safety stand switch, I think there may be 2 combined electrical shorts? Stepping outside the box for a moment,,, dropping 1 jug will not stall this bike. She'll pull you thru the hills and home on 3 at speed but bottom end of 4th and most of 5th will be less impressive! Back to the issue: vibration may be playing delves with the wiring. This might be as simple as contacts in the kill switch or cabling down bars or within a tight turn in the harness? Could also be a corroded connections, or frayed wire, or even a broke wire that a couple of strands are shorting. What's driving my path is 12.3V which is less than house when not running! For this type of troubleshooting I use an inexpensive tracer over a meter. I also use a test light for loading purposes cuz a led light won't load the circuit anymore than the meter will! So let me give you an ex: with a clear view of suspects if I can I would allow the struggling rpm to reoccur then tweak the rpm just enough to keep the engine rolling in that lumpy state. With the meter I would check house, then check coil voltage, always maintaining ground clipped to negative battery cable Now you are reading actual coil Volts in. With a tracer I would have a couple more options using the features tho.. For ex. I could jumper the coil input straight to house volts bypassing the harness! I could also connect to the switching side of the coil in search of a green/or red flashing led. With a test light I can reverse the hook to the other side of the coil: so that means I would place the probe to positive house side then clip to neg.to neg. side of coil; the circuit stays open till TCI switches it! However I would rather do this with a tracer and avoid the extra load. Remember when shooting the integrity of a circuit you really need to load it or the reading can be false readings. 1 strand out of a twisted wire will show continuity or voltage, doesn't mean it can carry load tho Again an old fashion test light glowing bright is a much better and faster result. If I suspect the circuit say because the test light is dimish then use of meter set to volts grounded to house neg. the poss. connected to wire then, add the light probe to the positive prob of the meter for load! Another crazy one is loose grounds, they'll meter ok but not under vibration or load, in the dark you may luck out and find it sparking.. I do notice the regulator will keep the voltage capped around 14 volts. I momentarily may see 14.1 -14.2, but it will stabilize below 14 (typically 13.8 - 13.9) yep, seems right +/- 0.5 Since it's going to rain the next few days, I will get out the timing light and confirm the timing. I will report back those findings. While there and after finding the angle check advance by raising rpms, just encase.. I believe your totally right, I am losing spark at idle causing a cylinder to drop out causing the engine to bog. once on throttle, the voltage returns, the spark returns and all is well, until I hit idle again. Keep in mind the stator can stall the bike. Page 7-10 show the testing procedures. I found something that kinda scares me a little bit. When I got home tonight I pulled the bike into the garage and put it up on the center stand. I looked down and notice a small drip of oil that had come from the crankcase cover. I investigated further and found that my kickstand spring and the frame had thin layer of oil on it as well. I figured I was going to pull the cover tomorrow to inspect the pickup coils, so I will clean up the surfaces and put down a nice bead of RTV. Then I noticed that once of the cover screws was missing.... then I noticed another one was missing! Two are missing. That proves that somebody has been off in there before. Based on the chopped stator wires and the other wiring hacks I've discovered, I'm not really optimistic about what I will find when I pull off this cover. With the missing bolts and the oil drip, I have to pull the cover off and take a look around. I will report back my findings. I guess you have made contact with cowpuc or viewed his channel, he knows most of these hard to find issues on this model. If he's not pitching tent in the dessert he'll chime in. Edited July 20, 2020 by Patch
luvmy40 Posted July 20, 2020 #11 Posted July 20, 2020 Is one of the missing screws at the bottom of the stator cover? One of those screws needs a copper gasket as it actually penetrates into the oil sump/crank case. Also, the spot where the stator wires exit the stator cover is notorious for leaking oil.
JB601 Posted July 20, 2020 Author #12 Posted July 20, 2020 Thank you all for the responses. I also have an old school test light (non-LED). I'm barking up the same tree. I have weak connection somewhere. I don't trust the rectifier connector. The connector is physically chipped, cracked, brittle and being held together by electrical tape. I did clean the internal of the contacts, but I simply don't trust it. The wire crimps are green and oxidized. I'd really like to remove the physical connector all together and soldier the wires directly to each other. My only concern with doing so is that I will lose the ability to identify the wires individually if I need to troubleshoot them in the future. I may take that trade off because the wires are not making a good connection at the crimp point. @luvmy40 - Thankfully the missing bolts are towards the top. thank you for telling me about the bolt with the copper washer. I will keep an eye out for it when removing the cover. I do apologize. I do have pictures of everything, but I can't upload them until I reach 20 posts. So I try to be as descriptive as possible.
luvmy40 Posted July 20, 2020 #13 Posted July 20, 2020 I miss spoke in my previous post. The screw with the gasket is not on the stator cover but is the bottom screw in "mid" cover behind the stator cover. See parts 22 & 23
cowpuc Posted July 20, 2020 #14 Posted July 20, 2020 Dont know much but I do know that if you cant post pics cause your post loads are short,, I would just post a bunch of real quick short posts to get my post count up so I could post pics LOL.. Just write "Hi Patch" 20 times consecutively in this thread in separate posts and then post the pics.. Around here my kids always called this kind of simple solution "Cowboy Logic" and would smile at me as they sang this simple little tune to me = see vid song.. Also will remind you @JB601 ,, when trying to post those pics, you have to keep them below 1000x750 pixels or the site will not take them,, I use Paint to resize when needed.. Ye be warned. Concerning the MK1 questions,, knowing what little I know about them I would definitely be looking at the stator/rectifier closely.. My experience has been that low stator output and/or weak voltage reg will indeed cause issues as you describe.. Seeing your numbers of less then stellar stator output at the battery causes me pause.. In all honesty,, I like to see at least 14.5 vdc at the battery when the tach touches 2 grand and,, in past cases on my bikes where that is not obtainable but the stator is still showing some output to the battery it normally will result in strange idle issues and stuttering until some revs are reached and the charging system catches up.. Your dashboard volt meter should also be indicating this. That volt meter should pop right up to 14.5 volts when the tach crosses 2 grandish,,, no lagging,, no momentary lapses,, it should snap right to it.. I have never ever ever been impressed with the stators in these bikes,, to say they are weak is an understatement IMHO.. Hardwiring the stator wires on these is not considered a "hack" to me (probable cause I am considered a hack to many varmints - I will take a throw away MK1 with a blown 2nd gear and 30k miles on it and just short shift it out to 300k miles - its my MO,, I am a hack LOL) but is in fact one of the only answers to Mom Yams disgrace of a wire terminal in the stator harness that actually works long term.. You stating that your stator harness has been hardwired is a solid indicator to me that someone had made an attempt to solve a known issue and that there is a good chance that your stator has had at least one update done to it.. I have a hunch though that if you pulled your stator for an eyeball examination you would probably find the top coils of the stator in some form of burnt status.. If you do this and find what I am referring to please note that burned stator outer coils dont always showup in weak OHM testing of those coils.. What happens is as the laminate on those coils has gotten so poor that as the coils warm up they leak/lose resistance and your stator output drops.. This is not always detectable with an ohm meter.. Once your in there,, you really need to double check and make sure the bolt in the end of the crank has a wire sticking out of it and that the stator cover has a splash plate.. The 83's had some (NON RECALL) updates issued consisting of those items.. You can also test the regulator (you got a book? if not take a peek at the clubs shop manual to find the testing for the reg) but I gotta to tell you,, 90% of the time that I have experienced such failure as you describe it ends up being the stator = on the 83 MK1's.. If you pull the covers to access stator make sure you keep track of the screw placement back into the covers,, it is not uncommon for an unknowing mechanic to get a screw in the wrong place and end up going thru a case with a too long screw in the wrong place.. Just lay them out when you remove them so you know what goes where.. Punching thru the case can result in oil leaks.. Thats about all I know about this stuff @Patch,, hope it helps JB in some way! Puc
Freebird Posted July 20, 2020 #15 Posted July 20, 2020 I'm sure that most of you remember when we got hammered with spammers for a few days. I had a hard time getting it under control. We still get some but I manage to catch most and ban them before they ever post. What they were doing though is signing up, immediately posted tons of spam links, then were gone. It was during that time that I added the minimum post requirement before uploading attachments. Though I still check for and ban a couple of spammers every day, most never have an opportunity to post anything at all. Therefore, though IU am not ready to completely disable the minimum post requirement, I have, just now, decreased it from 20 to 10. Hopefully that will help some for now.
JB601 Posted July 20, 2020 Author #16 Posted July 20, 2020 @Freebird - Thanks for updating the UI. I don't mind waiting my allotted 20 posts. I do not want to compromise the integrity of this forum by any means. When restoring my GoldWing, I thought their forums where the best.... little did I know what I was missing. This site is hands down the best of the best. The users are actual riders that have experience dealing with issues. Everyone is very respectful, eager to assist, and actually care about what your issue no matter your experience level. I'm a 3rd Generation Shade Tree Mechanic LOL. I enjoy nothing more than learning (aka Tinkering) with something mechanical. This site is well organized, the members are real people that have found the same rusty bolts I'm fighting (not mechanics paid by the forum to give their best guess) and it's been a pleasure using this site. @cowpuc - Thank you for taking the time to read over my post and respond. I spend most of the morning inspecting the stator and the pick up coils. When I got the bike, the PO didn't have a title, so it was bill of sale. In my county you have to call out a police officer to run verify the vin number before you can register it. Thankfully the VIN came back clean, but I did learn that the bike was last registered in Santa Monica, CA in 1994. That threw up a red flag. Where has this bike been. I know the person I got it from had it for 10 years, why didn't he ever register it? That still leaves close to two decades of pure unknown. I said that to say this - When I pulled the crank cover this morning, everything above the flywheel nut look as expected (goldish hue from years of motor oil). But everything below the flywheel nut had a think layer of black sludge. You could not even see the timing marks on the face of flywheel. The outer ring of the flywheel was totally black as if it had been painted. The stator was also coated with this sludge. I could tell it was a stator, but the silver contact points were all black. The pickup coils were a solid layer of black. You could even see the 4 magnets. They were tarnished so bad. So during that 20 year black out, there where some point where the oil was just allowed to sit and deteriorate back into a crude like state. So it got out the mineral spirits, shop rags, red scrub pad, and a brass wire brush. I did try using some brake cleaner but the sludge just laughed at me. I've been at it for several hours now. I wanted to take my time and use the least amount of abrasiveness as possible. Last thing I want is to scratch the flywheel or contact point. I finally got it clean. The contact points on the stator bright and shiny. I did not find any rust on any of the contacts or anywhere in the cover which is good. I did find any indicators of any potential water/moisture contamination. I was able to clean the flywheel back to it's nice aluminum finish. Polished the inside of the flywheel. No noticeable nicks or groves or any indication of parts physically grinding against on another. I can now clearly see the timing marks. I did not see any metal particles in the sludge which is a good sign. I pick up coils cleaned up nicely. The 4 magnets are clean and bright. I did another ohm check with the cover off. All readings are now ranging between 122 & 124 ohms. I cleaned up the wall of the crankcase and the oil passages. Cleaned the starter gears. Cleaned the gasket mating surface. The gasket was in one piece, but I'm going to remove it and use black RTV. I really don't trust that gasket and black RTV will do the job just fine if you take your time and apply it correctly. If you have a Ford 8" rear end, you learn to apply RTV properly LOL! Plus if I have to replace the stator or coils, I'll have to open the case again. I can get a new gasket at that point. I figured out why those two bolts are missing... the holes where stripped out. I got out the tap and die set and fixed the threads. I also chased all the holes and screws since I had the kit out anyway. Thankfully I have bolts with that same thread size and pitch. They have a torx head instead of a hex head. I guess I can use them to ID the bike in the event it ever gets stolen LOL. But they will work just fine. I threaded them by hand all until the stopping point. Even if this isn't' the source of my issue, it should definitely help in one way or the other. It's also not safe to assume the stator or pickup coils are functional just because they are clean. We all know a bad electronic looks just like a good electronic. My mind does wonder if that thick layer of sludge is also coating my crank shafte and crank bearings? I wonder what the bottom of the oil pan looks like - maybe I should pull it and clean it as well. Worst off - what does my valve train look like? are my valves coated with this same stuff. Crap, the transmission shares the same sump... what does those friction plates look like? And I'm red lining the motor in this condition. I have to apologize to it. I'm very opposed to engine oil additives, but I may have to run some seafoam through the crankcase and perform several oil changes in close session. My though pattern would be to add the recommend amount of seafoam, let the bike warm up (maybe let the fan cycle twice) then change the oil and filter. Do the same proceedure again after 50 miles, then again after 100 miles. Thoughts?
JB601 Posted July 20, 2020 Author #17 Posted July 20, 2020 CORRECTION: I did NOT find any indicators of any potential water/moisture contamination
JB601 Posted July 21, 2020 Author #18 Posted July 21, 2020 Quick Update: I reinstalled the crankcase cover, cleaned all the connections and started it up. First thing I noticed was my voltage readout was at 13.9 - 14.2. After fiddling with the idle screw I finally got it to idle at 1500 and it stayed there. It didn't drop out and the temp gauge was still on "C". So I let it warm up. After the fan cycled twice, the rpm's remained at 1500 and the voltage readout was a steady 14 VDC. As soon as I attempted to drop the RPM's to 1000, it started to drop out again. The voltage dropped to 13.2 and it died. I turned the idle out less than a 1/4 turn. So fired it back up and got it stable at 1500 again. The voltage was bouncing between 13.9 and 14. So I took it for a ride down the bypass highway. This bike performed far better than it did just the night before. The power was constant. The throttle response would lead you to believe you where on a sport bike not a full bagger. Plus it was much quieter. There was no hint of a whine. At 65MPH I couldn't even here the exhaust rumbling anymore. The bike was silent. Only thing I could hear was the front tire traveling over the pavement. Only time I heard the engine is when I cranked on. Shifting was perfect. Honestly, it didn't feel like the same bike I just rode the night before. The voltage gauge was a steady 14VDC. It did drop to 13.9 when I turned on the high beam. But it never fell below 13.9 the entire time. I pulled over at the end of the bypass and decided to see if I could turn it down from 1500 to 1000 rpm. Same result. It bogged down after a half turn. Voltage dropped to from 13.9 to 13.3 then down to 12.7. So I played with the idle screw until it started to tach started to bounce between zero and 1000. I removed my helmet and I could hear the exhaust rumble as a cylinder went down and came back. So I left it alone and let it bounce. On the return trip back home, the bike performed flawlessly as it did on the departing trip down the bypass. I really pushed it hard on the return trip and the bike was ultra responsive. Voltage remained at 14 the entire 20 miles return trip. Until I came to a stop. The RPM's hung at 1500 for a few seconds. I could hear the engine calming down. As soon as the tach got close to 1000, it dropped out and when directly to zero, then it started bouncing between zero and 1000. The voltage was starting ranging between 13.7 and 13. So my efforts today were definitely a step in the right direction, but the issue still remains. So tomorrow (and the rest of the week) will be centered around testing the various electrical components. Basically step through the service manual and test everything accordingly. This bike runs way to well to let this issue stand in the way. The problem is this issue isn't black and white. It's just going take patience and voltmeter (I hope). I'm not really a fan of throw parts at problems. Cost too much money LOL I will update you guys tomorrow afternoon with any results.
Patch Posted July 21, 2020 #19 Posted July 21, 2020 Guess its time to tell the kid the truth about the club, so, here is where you are hanging out How many of us wish we were peeking over Carl's shoulders as he reads? Between mine, Pucs and these new detailed threads, Carl must be taking time off of work to stay caught up! LOL It will be interesting to get the readings Puc mentioned off the charging system. Yes I would use the SeaFoam in the crankcase, but I'd use cheap oil for the continued flushing. I would also try turning in your pilots 1/2 turn for now until you can lower the rpm to adjust them correctly. If you find this doesn't improve by increasing the rpm after you turned the down you can go back. The concern we have with the stator is in part because it is not belt driven it as we know is driven straight of the end of the crank. Nothing, is for nothing, it there is a short in the system then the low rpms likely are not producing enough power to generate past the short and may be why she gives up at a thousand!? So best we just get it checked off the list
dingy Posted July 23, 2020 #20 Posted July 23, 2020 Check the 6 pin connector that connects the two pickup coils near stator to wiring harness. In past on here I have sold quite a few replacement Ignitech TCI's to people (no longer do that). On several occasions it was found that this connector was intermittent or corroded. On one occasion I went to a shop where the bike was located at. When I disconnected that connector it was full of debris. After connector was cleaned bike ran as it should. Each female terminal needs to be checked that it grips male terminal sufficiently. Best way to do this is to have a spare male contact and insert into each pin cavity in connector. 5 are used of the 6 pins.
JB601 Posted September 28, 2020 Author #21 Posted September 28, 2020 I'd like to follow up on this post just incase someone has an 1983 XVZ1200 that they are ready to light on fire LOL. It appears that I have finally resolved the issue. The path to the solution has been a very interesting journey that I feel I have to share. In the process I've basically replaced almost every critical component... that didn't make a bit of difference. Here is a list: Replaced all 4 coil packs, new NGK wires, new NGK caps, and new NGK Iridium spark plugs - issue still persists. Replaced stator, rectifier, and pickup coils - issue still persists Removed and recleaned carbs - issue still persists Recleaned gas tank, replaced fuel pump, fuel filter, and all new fuel lines - issue still persist Installed brand new Ignitec TCI module (all the way from Sweden) and boost sensor- Issue still persist!! Even after replacing all those parts, the bike did run better, but the issue was still there. So at this point, I've ran out parts to replace. I've flipped through every page of the service manual and forum post. Humiliated and defeated, I pressed on. I changed my methodology. I can't be the only person on earth that has had this issue with this bike. Somebody has the answer, I just needed to find that "somebody". Who could I call... who else - I called Yamaha. Not Yamaha America, I called Yamaha Japan. . After getting bounced around a little, I was able to speak with the technical R&D department. I explained the issue and we through all the troubleshooting I've completed and the parts I've replaced. He was stumped and said he would call me back the next day. Guess what... the next day he called me back. It was group of people on the call. We discussed the issue and they gave me a list of tests to run (which was basically all the test I've already completed). Later that night I recorded a video of me completing each test. I was hoping something in the video would help. I felt like this was a NTSB investigation. I send them all the videos. Two days later, they called me back. There was a older gentleman on the call this time. Thankfully I had the day off and was at home. He asked me to perform several steps while on the line so he could hear the bike. And I did. I had to start it and hold it at certain RPM's and put the phone to different locations on the bike. Here is where things literally take a turn.. The older man says: "the bike is running lean". So we flipped over to a video call. I pulled a spark plug and it looked normal. The guy insisted that it was running lean and was quite adamant about it. He asked about the the idle/air screw. I told him that I've set them at 2.5 turns out like the manual states. He asks if those carbs had every been replaced. I told him that I wasn't for sure because I'm not the original owner of the bike and don't know the service history. He explained that there is a chance those are not the stock carbs. My bike was built in 03/83 which uses a jet that was changed in 06/83 to a slightly smaller jet. Then he said.. the bike is running lean. Double the amount turns on the idle/air screw. Turn each carb 6 turns out. At this point, it's midnight and I'm talking a group of men in Japan, hell why not it's worth a try. So I turned each idle screw 6 turns out. I touched the start button and it fired right up and idled perfectly at 1K RPM's. I was astonished. I turned off the bike, set the screws back to 2.5 turns and the issue returned. I set them at 6 turns out and the issue went away. I was unwilling to believe that was the solution. I just dropped a load of cash on parts, long nights, and elbow grease, this issue can't be solved by a small flat head screw driver. So I kept repeating the test, just unwilling to accept the solution. At 2.5 turns, cylinder #4 was definitely not firing, the idle was struggling, voltage was at 13, and the bike would eventually die. At 6 turns, cylinder #4 was definitely firing (confirmed by heat gun), the idle was perfect, voltage was a steady 14.2, the bike never stumbled/die/pop/backfire, it just purred. I took it a step further since I had this new fancy Ignitec TCI module. I connected it to my laptop. At 6 turns all reading where normal and in the green. At 2.5 turns, the readings were all over the charts. I had several things in the red and the TCI was actually struggling to keep the bike operating. That further confirmed that old guy was right. I guess I found that "somebody". Before I decided to write this follow up, I rode the bike for month plus. The bike runs perfectly. You guys were correct, I was not running on all 4 cylinders, I can tell a huge difference now. Its much smoother, quieter, and almost twice as powerful as it was before. My gas mileage is through the roof. It has not died, the RPM's drop quickly and it's just a pleasure to ride. The power and torque of the engine is freaking insane! I find myself going from 1st, to 3rd, to 5th. I totally skip 2nd and 4th. What surprises me most of all is that I can start the bike without using the choke. I may need half choke occasionally, but even after sitting overnight, it starts right up. I do let it warm up, but rather it's cold or warm, it's still idles at 1K RPM's. I can get around 210 miles out of a tank and have ridden close to 1500 miles without the issue resurfacing. Then my water pump started slightly dripping from the weep hole. After what I just went through, I'll gladly replace the water pump LOL. I went through the entire cooling system. I flushed out everything and there was no rust surprisingly. I replaced the water pump with one that has a metal impeller because the one I removed had a plastic impeller. I also replaced the thermostat, replaced the hoses, and went with extended life coolant with some Royal Purple Ice. Honestly, I don't notice any difference in cooling ability so I think that Royal Purple was a waste of money, but I could say the same thing about those Iridium spark plugs, it's a little too late in the game to think about the budget that I blew months ago! While I was in the radiator area, I noticed how the front exhaust headers (#2 and #4 ) where awfully close to all the cooling components (radiator, water pump, thermostat). So I decided to wrap them with exhaust wrap. Why not? I removed those two exhaust pipes, cleaned them really well with a wire brush, sprayed them with black VHT, then wrapped them with black fiberglass exhaust wrap, then coated them with the exhaust wrap spray. It made very little difference (if any), but boy does it look cool. IDK, it can tell it takes much longer for the temp to raise, it does cool off faster, and the fan cycles much less when sitting in traffic, but that could also be due to a fresh clean cooling system. But... they look great!!! FYI - If you ever wrap your exhaust, be prepared for the steam. It will steam/smoke for several days. The first day, I thought my bike was on fire. It was smoking like a chimney. But over the next few days it diminished. But at first, it was unbelievable. I digress...they look great LOL. To circle back, my bike basically has a new fuel system, ignition system, electrical system, and now cooling system. But why stop there, the bike is running like a brand new bike. Time to have a little fun. I added a brake light w/ turn signals to the trunk. I liked it so much, I added the same lights to each saddle back. So each saddle bag has a running light, brake light, and individual blinker. Oh, I made a custom detachable wire harness, so you can still remove the trunk and saddlebags without any issues. Then I added to totally cool and super bright driving light/day time running lights. When they are "off" they have cool "X" (I'll upload pictures). When they are on, they are super bright. I cheated though. I didn't want to drill holes and couldn't find a good spot to put them, so I turned the horns around and used the horn mounts. It worked perfectly! Since I mostly ride at night, the more light, the better. But why stop there. I'm not a fan of underglow kits, but I have air vents... so I put LED's in the front vents...that also blink...they look awesome. I upgraded my fuse box when I first got the bike with a 6 fuse holder. I replaced it with a 12 slot fuse holder. That way I can clearly label everything and it just more integrated and professional. I will upload pictures to a different post, but I wanted to make sure I followed up on this post with what solved my issue. I really appreciate everyone's help and input. I hope that this may help the next person with an 83 that has this issue.
cowpuc Posted September 28, 2020 #22 Posted September 28, 2020 I'd like to follow up on this post just incase someone has an 1983 XVZ1200 that they are ready to light on fire LOL. It appears that I have finally resolved the issue. The path to the solution has been a very interesting journey that I feel I have to share. In the process I've basically replaced almost every critical component... that didn't make a bit of difference. Here is a list: Replaced all 4 coil packs, new NGK wires, new NGK caps, and new NGK Iridium spark plugs - issue still persists. Replaced stator, rectifier, and pickup coils - issue still persists Removed and recleaned carbs - issue still persists Recleaned gas tank, replaced fuel pump, fuel filter, and all new fuel lines - issue still persist Installed brand new Ignitec TCI module (all the way from Sweden) and boost sensor- Issue still persist!! Even after replacing all those parts, the bike did run better, but the issue was still there. So at this point, I've ran out parts to replace. I've flipped through every page of the service manual and forum post. Humiliated and defeated, I pressed on. I changed my methodology. I can't be the only person on earth that has had this issue with this bike. Somebody has the answer, I just needed to find that "somebody". Who could I call... who else - I called Yamaha. Not Yamaha America, I called Yamaha Japan. . After getting bounced around a little, I was able to speak with the technical R&D department. I explained the issue and we through all the troubleshooting I've completed and the parts I've replaced. He was stumped and said he would call me back the next day. Guess what... the next day he called me back. It was group of people on the call. We discussed the issue and they gave me a list of tests to run (which was basically all the test I've already completed). Later that night I recorded a video of me completing each test. I was hoping something in the video would help. I felt like this was a NTSB investigation. I send them all the videos. Two days later, they called me back. There was a older gentleman on the call this time. Thankfully I had the day off and was at home. He asked me to perform several steps while on the line so he could hear the bike. And I did. I had to start it and hold it at certain RPM's and put the phone to different locations on the bike. Here is where things literally take a turn.. The older man says: "the bike is running lean". So we flipped over to a video call. I pulled a spark plug and it looked normal. The guy insisted that it was running lean and was quite adamant about it. He asked about the the idle/air screw. I told him that I've set them at 2.5 turns out like the manual states. He asks if those carbs had every been replaced. I told him that I wasn't for sure because I'm not the original owner of the bike and don't know the service history. He explained that there is a chance those are not the stock carbs. My bike was built in 03/83 which uses a jet that was changed in 06/83 to a slightly smaller jet. Then he said.. the bike is running lean. Double the amount turns on the idle/air screw. Turn each carb 6 turns out. At this point, it's midnight and I'm talking a group of men in Japan, hell why not it's worth a try. So I turned each idle screw 6 turns out. I touched the start button and it fired right up and idled perfectly at 1K RPM's. I was astonished. I turned off the bike, set the screws back to 2.5 turns and the issue returned. I set them at 6 turns out and the issue went away. I was unwilling to believe that was the solution. I just dropped a load of cash on parts, long nights, and elbow grease, this issue can't be solved by a small flat head screw driver. So I kept repeating the test, just unwilling to accept the solution. At 2.5 turns, cylinder #4 was definitely not firing, the idle was struggling, voltage was at 13, and the bike would eventually die. At 6 turns, cylinder #4 was definitely firing (confirmed by heat gun), the idle was perfect, voltage was a steady 14.2, the bike never stumbled/die/pop/backfire, it just purred. I took it a step further since I had this new fancy Ignitec TCI module. I connected it to my laptop. At 6 turns all reading where normal and in the green. At 2.5 turns, the readings were all over the charts. I had several things in the red and the TCI was actually struggling to keep the bike operating. That further confirmed that old guy was right. I guess I found that "somebody". Before I decided to write this follow up, I rode the bike for month plus. The bike runs perfectly. You guys were correct, I was not running on all 4 cylinders, I can tell a huge difference now. Its much smoother, quieter, and almost twice as powerful as it was before. My gas mileage is through the roof. It has not died, the RPM's drop quickly and it's just a pleasure to ride. The power and torque of the engine is freaking insane! I find myself going from 1st, to 3rd, to 5th. I totally skip 2nd and 4th. What surprises me most of all is that I can start the bike without using the choke. I may need half choke occasionally, but even after sitting overnight, it starts right up. I do let it warm up, but rather it's cold or warm, it's still idles at 1K RPM's. I can get around 210 miles out of a tank and have ridden close to 1500 miles without the issue resurfacing. Then my water pump started slightly dripping from the weep hole. After what I just went through, I'll gladly replace the water pump LOL. I went through the entire cooling system. I flushed out everything and there was no rust surprisingly. I replaced the water pump with one that has a metal impeller because the one I removed had a plastic impeller. I also replaced the thermostat, replaced the hoses, and went with extended life coolant with some Royal Purple Ice. Honestly, I don't notice any difference in cooling ability so I think that Royal Purple was a waste of money, but I could say the same thing about those Iridium spark plugs, it's a little too late in the game to think about the budget that I blew months ago! While I was in the radiator area, I noticed how the front exhaust headers (#2 and #4 ) where awfully close to all the cooling components (radiator, water pump, thermostat). So I decided to wrap them with exhaust wrap. Why not? I removed those two exhaust pipes, cleaned them really well with a wire brush, sprayed them with black VHT, then wrapped them with black fiberglass exhaust wrap, then coated them with the exhaust wrap spray. It made very little difference (if any), but boy does it look cool. IDK, it can tell it takes much longer for the temp to raise, it does cool off faster, and the fan cycles much less when sitting in traffic, but that could also be due to a fresh clean cooling system. But... they look great!!! FYI - If you ever wrap your exhaust, be prepared for the steam. It will steam/smoke for several days. The first day, I thought my bike was on fire. It was smoking like a chimney. But over the next few days it diminished. But at first, it was unbelievable. I digress...they look great LOL. To circle back, my bike basically has a new fuel system, ignition system, electrical system, and now cooling system. But why stop there, the bike is running like a brand new bike. Time to have a little fun. I added a brake light w/ turn signals to the trunk. I liked it so much, I added the same lights to each saddle back. So each saddle bag has a running light, brake light, and individual blinker. Oh, I made a custom detachable wire harness, so you can still remove the trunk and saddlebags without any issues. Then I added to totally cool and super bright driving light/day time running lights. When they are "off" they have cool "X" (I'll upload pictures). When they are on, they are super bright. I cheated though. I didn't want to drill holes and couldn't find a good spot to put them, so I turned the horns around and used the horn mounts. It worked perfectly! Since I mostly ride at night, the more light, the better. But why stop there. I'm not a fan of underglow kits, but I have air vents... so I put LED's in the front vents...that also blink...they look awesome. I upgraded my fuse box when I first got the bike with a 6 fuse holder. I replaced it with a 12 slot fuse holder. That way I can clearly label everything and it just more integrated and professional. I will upload pictures to a different post, but I wanted to make sure I followed up on this post with what solved my issue. I really appreciate everyone's help and input. I hope that this may help the next person with an 83 that has this issue. :bowdown::bowdown::bowdown::guitarist 2::guitarist 2::bowdown::thumbsup::dancefool::clap2::clap2::bowdown::bowdown::happy65::happy65::happy65::cool10::cool10::bowdown::bowdown::bowdown::bowdown::bowdown: IN ALL THE YEARS AND IN ALL THE MILES OF KEEPING MY 83'S ON THE ROAD THRU COUNTLESS ENDEAVORS AND MANUVERS BEHIND ENEMY LINES I HAVE NEVER EVER EVEN CONSIDERED AN ATTEMPT AT CALLING YAMAHA OF JAPAN WHEN IN A BIND!! MY HAT GOES OFF TO YOU @JB601 FOR HAVING DONE THAT AND FOR INCLUDING US IN HOW THAT ALL WORKED OUT!! THIS IS SO MAGNIFICANT, BRILLIANT AND OUTSTANDING THAT I AM SPEECHLESS!! CONGRATS BROTHER ON A JOB WELL DONE!! PUC
Mach VIII Posted September 30, 2020 #23 Posted September 30, 2020 Wow, what an incredible update! Thank you for your diligence and persistence. And most of all, thank you for the detailed write up. It's really good inspiration and motivation to keep me moving forward with my own resurrection project.
Patch Posted September 30, 2020 #24 Posted September 30, 2020 I thought we knew it was the carbs? Not rereading the full thread but weren't they to fat then reduced? If you are still running at 4 turns out on 4 then that tells you there is a problem only on that circuit, right?
anglngr9 Posted April 14, 2023 #25 Posted April 14, 2023 (edited) I logged in just to comment on this post lol, what a story to read honestly. I recently have been working on motorcycles and I just fixed a yamaha virago from ground up, I had no experience/knowledge of how a motorcycle works and I still dont know how to ride a motorcycle. I noticed that the carbs are the same in parts placement and functionality and I stumbled on this post as I was looking for the amount of turns for the jet, I bought a 1984 venture royale and I will convert it to bobber, I have it in barebones and yesterday I finally got the motorcycle to get its first spin on the engine, I was so happy the engine was not seized, but I digress, you really have changed my perspective on pushing through to get answers to fix an issue, this story will live rent free in my brain as a testament of persistence, I kind of went through the same predicament with the virago, I ended up changing everything on that bike but now I can say it runs and I get complements from people about it. hats off to you my friend, I will be going through a leghtly process myself and this gave me the extra kick i needed to believe anything is possible. cheers to those sleepless nights and boom you got the answer. Edited April 14, 2023 by anglngr9
Recommended Posts
Create an account or sign in to comment
You need to be a member in order to leave a comment
Create an account
Sign up for a new account in our community. It's easy!
Register a new accountSign in
Already have an account? Sign in here.
Sign In Now