KIC Posted May 16, 2016 #1 Posted May 16, 2016 So I have read a lot of the threads/posts while dealing with different issues with my CLASS. I have dealt with E-errors, re-soldered the board. Removed and cleaned the solenoids and wire contacts, cleaned the dryer lines etc. But who understands which solenoid does what when the buttons are pushed on the CLASS display ? What should do what ? Which closes and opens when This past weekend VideoArizona ( David) notified me that in the manual there is a procedure stated that you should adjust the front pressure first before the rear or the solenoid(s) will allow residual air pressure into the front. I have never read/heard that from any of the threads and discussions that I have read/had about the CLASS. So I figured maybe the couple of gurus that really know and understand the CLASS could explain much of what they know about the actual function of each part of the CLASS here and enlighten those of us that are electronically/system challenged.
bongobobny Posted May 16, 2016 #2 Posted May 16, 2016 Hmmm, seems I remember Marcarl having taken them apart a couple of times! Sorry, I never took the time to study exactly how they worked, I had a couple of spare soloenoid units off Ebay in case mine ever failed. Did the solder routine on mine, never had a problem. Even had a spare controller unit off Ebay as well..
frankd Posted May 16, 2016 #3 Posted May 16, 2016 (edited) Well, it's been a while since I've worked on mine, but....The air line that goes down the right side of the bike goes to the rear shock, and the front suspension air line goes down the left side. Yes, you need to fill up the front first because when you pump up the rear you need much higher pressure, so the there is so much pressure on the compressor side of the front solenoid (air manifold) that when you hit the button to raise the front pressure, it jumps up as soon as the solenoid opens. I think there are 3 solenoids, one connects the front to the air manifold, another to connect the rear suspension to the manifold. Only one is picked up at a time and when you have the key in the ACC position and push the front or rear buttons, you can tell which is which. The 3rd solenoid bleeds pressure off of the air manifold when it is picked up. When it's dropped out, it closes the vent route. When the compressor runs, it raises the pressure in the air manifold. This pressure goes to which ever system you have selected. If you open up the CLASS system, dry out the desicant in your microwave. It'll change colors (to blue I think) when it's dry. You'll probably see that it's pink when you look the first time, or it's absorbed all the moisture that it can. I just read the problem you're having with the front changing air pressure when you select the rear. Follow the line that goes down the left side of the bike (to forks), and see which solenoid it connects to. There are two ways for it to be connected to the rear air hose when you have the rear selected on the operating panel. 1) The operating panel is picking up both the front and the rear solenoids when you select the rear. You can measure and see if you have voltage across the coil when the rear is selected, or disconnect the wiring to the coil (I don't remember if the solenoids have connectors that can be unplugged) or put you hand on it and have somebody else push the Front and Rear buttons. When it picks up (and opens the air path) you should be able to feel it. If it's not being energized when the rear is selected you probably have problem 2)The air valve doesn't seal when the solenoid is not picked up. I've never taken one of these solenoids apart, so I don't know if they can be repaired or not. If it can't, you probably have another class system that you can you can pull the front solenoid and install it on this one. You could install Progressive fork springs, and disconnect and plug the air line to the front forks. Then you would only use the class for the rear suspension. Edited May 16, 2016 by frankd Had more to write
Marcarl Posted May 17, 2016 #5 Posted May 17, 2016 So far so good and I won't repeat because then I would tend to get more confused, but I do agree. The solenoids will come apart and should be cleaned once in a while, at least in my opinion. Seeing as we don't worry about the class until it gives us issues, very few, if any of us will take the time or initiative to dry the desiccant. Once the desiccant is full of moisture it will no longer pickup moisture anymore and so moisture can then enter the system where it tends to stay and cause issues which it is not supposed to, because it is not supposed to be able to get there in the first place. Got me so far? The solenoids ate really quite simple. 2 small screws holding the coil to the body, inside you'll find a plunger and a small spring. The plunger has a rubber attached to one end that seals the whole in the body. That's it, nothing else!! Problem with these is, that any moisture getting into the system will lodge onto the body where the rubber seal is suppose to do it's thing. In the process of making a home for itself on the seal area it corrodes the tower of the seal, so now you will have a leak, and it depends on which solenoid as to where the leak goes. Carefully take the whole thing off the bike, lay it on the bench with a terry towel under and around it so you don't loose parts so easy. Clean as best you can and then take it all apart and clean as you go. All parts are small and can easily be seen as long as you don't loose them, but once they head for nether territories they can be impossible to find. Like I said before, there are 2 screws, one plunger and a small spring in the solenoid, not hard but be careful. Again, clean all the parts and keep them where they won't go missing. Now you have the body open and can look inside where the business takes place. Look at the seal towers to make sure that they are clean and not corroded. If one is corroded, simple find a drill bit that will nicely fit inside the body with some room to spare, wind some 000-steel wool around the bit making sure you have plenty on the end, insert the drill bit into a drill and then carefully, I said carefully!!!! insert the bit with the steel wool into the body as it turns slowly. Don't press too hard or the bit will work it's way true the steel wool and do damage. Like I said, be careful!!! and so try a little, remove the drill bit and look to see what you have done and then from that lesson proceed to clean and refurbish the tower. Once it's clean, blow it all out with air and reassemble. I coated my parts with super light oil, the kind that is used in electric motors, but I'm not sure it helped, but it worked well. Before re-assembly make sure you dry the desiccant.
Prairiehammer Posted May 17, 2016 #6 Posted May 17, 2016 (edited) Edited May 17, 2016 by Prairiehammer
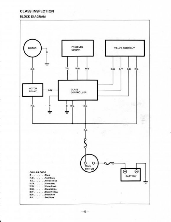
KIC Posted May 17, 2016 Author #7 Posted May 17, 2016 Great information ! Thanks guys. I think the first thing I will check is the reed valve. I have never checked that. Love the diagrams and thanks for the cleaning tips MarCarl.
suds Posted March 30, 2019 #8 Posted March 30, 2019 A few pics I took for those finding this old thread about the CLASS. Getting it off the bike is pretty straightforward and here are a few close ups of the whole setup for those who are visual learners like me [emoji16]. I hope that helps anyone who stumbles on this thread. I forgot to take a pic of the pink desiccant prior to baking it at 275*F Sent from my SM-G955W using Tapatalk
Vickersguy Posted April 1, 2019 #9 Posted April 1, 2019 I just did the same job on my CLASS system. My tip on cleaning the seats where the rubber cap on the solenoid plunger seals the orifice on the valve body, is to use a new rubber eraser on a lead pencil. It fits right into the hole, is easy to hold straight so the burnishing of the seal area is even. It has just the right abrasive to do the job evenly and quickly. Do blow out the eraser grit with compressed air.
Recommended Posts
Create an account or sign in to comment
You need to be a member in order to leave a comment
Create an account
Sign up for a new account in our community. It's easy!
Register a new accountSign in
Already have an account? Sign in here.
Sign In Now