- 
                
Posts
3,621 - 
                
Joined
 - 
                
Last visited
 
Content Type
Profiles
Forums
Gallery
Events
Store
Everything posted by Prairiehammer
- 
	Yesterday it was $2.25. Today it is $3.00.
 - 
	
	
				83 Fuel pump
Prairiehammer replied to tufftom4's topic in Venture and Venture Royale Tech Talk ('83 - '93)
No. A safety feature of the fuel pump is that it will pump for only about five seconds and if the engine is not running, the fuel pump stops pumping. Shut off the ignition key and turn it back on. Does the fuel pump again for a few seconds? Repeated cycling of the ignition key from ON to OFF and back to ON should finally fill the carb bowls and the fuel pump will then only run until the bowls are filled. - 
	
	
				overheating
Prairiehammer replied to MrOflam's topic in Venture and Venture Royale Tech Talk ('83 - '93)
1. Insure that the cooling system is filled to the proper level. In the right fairing there is a radiator coolant reservoir. Check the coolant level there. Are there any apparent leaks? 2. Does the fan come on when the gauge nears the red? 3. Check the temperature gauge sending unit connector for cleanliness and tightness. 4. Check that the cooling system drain cock is properly set. The drain cock is located below the radiator. "OFF" on the drain cock should be pointing to a mark on the valve body in the 2 o'clock position. - 
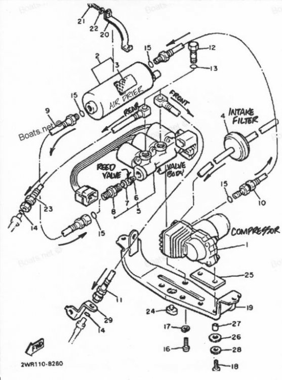
	Before you disassemble the solenoid valves, check the reed valve at the inlet to the valve body. The reed valve acts as a check valve, air travels only in one direction through it. If debris is caught in the reed valve, it will not perform as a check valve. Most common cause of reed valve failure is a particle of desiccant caught in it. Insure that the solenoid valves are actually opening and closing fully. Make sure the intake (suction) air filter is clean and free flowing. Finally, the Teflon piston ring may be worn out. The compressor will seem to function when freely running, but the back pressure when installed in the bike causes blowby past the piston.
 - 
	1. Engine Stop Switch 6. Cruise Indicator Light 7. Chassis Ground 8. Speedometer Sensor 9. Diode Assembly (?) 10. Sidestand Switch (?) 11. Signal Fuse (power) 12. CMS I scanned the XVZ12DN Wiring Diagram. I hope it is clear enough. The circled numbers on the Cruise Diagram are shown on the main wiring diagram. XVZ12DN Wiring Diagram.pdf
 - 
	Tufftom's is a Royale. Why did you think his wasn't?
 - 
	
	
				Adaptor plates for 32mm carbs.
Prairiehammer replied to KSRIDER10's topic in Royal Star and Royal Star Tour Deluxe Tech Talk
Here: http://www.venturerider.org/carbswap/ - 
	Yamaha specifies 60 grams (2.11 ounces) of desiccant. The Yamaha part number is 31M-22945-00-00. Retails for $106 if available. There is 31M-22945-00-00 available here on eBay for $26. http://www.ebay.com/itm/N-O-S-YAMAHA-P-N-31M-22945-00-00-AIR-DRYER-DESICANT-XVZ1300-XVZ-1200-/360728941233?hash=item53fd1ed2b1&vxp=mtr However, most any desiccant will work, as long as the silica gel particles are not too fine. Saturated silica gel (pink color) can be dried and reused by placing into a low oven until the desiccant is dry (blue in color).
 - 
	Read this thread for the specifics of the battery electrolyte sensor elimination: http://www.venturerider.org/forum/showthread.php?489-Battery-Warning-Bypass
 - 
	I am not aware of the failure to run with the electrolyte sensor disconnected. A disconnected electrolyte sensor will only result in a flashing warning light and illuminated "battery" icon on the Venture CMS. No harm will be done with sensor disconnected. Harm WILL be done to the CMS if one connects the wire directly to 12 volt without the resistor.
 - 
	Commonly, the battery electrolyte sensor is disconnected at the bullet connector. Snip the sensor from the end of this disconnected wire assembly. Strip the cut end of the wire and solder a 2.2K ohm to 22K ohm resistor onto the stripped bare wire. Solder another short wire to the resistor. Cover the resistor and the soldered joints with heat shrink or electrical tape. Connect the end of the new wire extension to the Positive Accessory Post on the fuse block. Reconnect the bullet connector to the bike harness where it was previously. The CMS warning light will light when the battery sensor is removed. Incorporating the resistor into the circuit will satisfy the CMS that there is a good battery electrolyte level and the warning light will be extinguished. This "mod" is very commonly done and a search of the forum will return innumerable hits on the subject.
 - 
	Yes, you can remove a good diaphragm from a cracked slide and install the good diaphragm onto a good slide. The diaphragm should be pinched onto the slide between the white plastic ring and the she slide lip. Warm the whole thing up to make the rubber diaphragm more pliable and gently pry the white ring off the slide, then gently ease the diaphragm from the slide. Some gentle prying with a tool may be required. Be certain the tool is not too sharp or you may tear the good diaphragm. Install the good diaphragm onto the good slide, utilizing some lube and your thumbnail. Make sure the off center hole in the slide is at 6 0'clock when the diaphragm indexing tab is located in the recess of the carb body. SCI (Sirius Consolidated Industries) is a Canadian company offering new diaphragms for the Venture. http://www.siriusconinc.com/search_result.php?search=search&make=2&model=Venture+Royale&part=1&partno=&x=60&y=19 SCI also has an eBay store: http://stores.ebay.com/Sirius-Consolidated-Inc/Yamaha-Carb-Kits-/_i.html?_fsub=4&_sid=24743148&_trksid=p4634.c0.m322
 - 
	Russ, it is good that you succumbed to the "wringer", if for no more reason than peace of mind. I had a male classmate who died from breast cancer. Many are unaware that men can and do get breast cancer.
 - 
	If you are dead set on retaining the electrolyte level sensor, get this battery: Yuasa SY50-N18L-AT It comes complete with an electrolyte sensor. A word of warning for those who may try to use a conventional lead acid (wet) battery with the original equipment electrolyte sensor: not all sensors are the same. One can short out the new battery if the old sensor is used, because the old sensor may be too long and it may make actual contact with the plates in the new battery. Conversely, some OEM electrolyte sensor may be too short and will indicate a low electrolyte condition before there is an actual low electrolyte level. Bottom line: don't use the sensor from the old battery. Only use the sensor provided by the battery manufacturer.It is best, if one wishes to retain the electrolyte sensor, to utilize the sensor that may come with the new "wet" battery. Having said that; I would not install a conventional "wet" lead acid battery. The Absorbed Glass Mat (AGM) battery (Yuasa YTX24HL-BS) is maintenance free and has a higher cranking capacity.
 - 
	
	
				air ride
Prairiehammer replied to blaine1's topic in Venture and Venture Royale Tech Talk ('83 - '93)
The OP concerned the Standard Venture, (no CLASS). To Blaine: what exactly is wrong with the "air ride" now? Loses air? There isn't much to go wrong with a Standard air ride. Pretty much all that can fail are the hoses, shock, fork O-rings or fittings. Check all the air lines with soapy water. Look for small bubbles. Any bubbles indicate a leak. Particularly important to check the hose joints. And the 'Fool beat me with the "CLASS" comment while I was editing my first comment. - 
	Johnny Strabler don't do no stroll. I might ride the bike onto the dance floor, though. I think I will take the mufflers off first. Kathie Bleeker: Well, what d'ya do? I mean, do you just ride around or do you go on some sort of a picnic or something? Johnny: A picnic? Man, you are too square. I'm... I... I'll have to straighten you out. Now, listen, you don't go any one special place. That's cornball style. You just go. [snaps fingers]
 - 
	So, OK. I just spent 55 freaking dollars for a Marlon Brando "Wild One" cap. I sure hope the prize is worth it. And the 650 mile ride there. And back.
 - 
	Would a Marlon Brando leather jacket (I have mine from the Seventies, when I was young) count as a '50s costume? I can roll my jean cuffs up and wear engineer boots. I'll look for the proper cap. Please?
 - 
	
	
				Gotta make room in the shop......................
Prairiehammer replied to DragonRider's topic in Watering Hole
The front forks with the side mounted anti-dives are definitely 1988 or newer. In addition to checking the title, have him check the VIN label on the frame beneath the brake pedal. And it goes without saying that I would like to add it to the First Gen database. 
