-
Posts
5,403 -
Joined
-
Last visited
Reputation
234 ExcellentAbout dingy
- Birthday 01/28/1955
Personal Information
-
Name
Gary Dinges
location
-
Location
Mansfield, Ohio, OH, United States
Converted
-
City
Mansfield, Ohio
Converted
-
State/Province
OH
Converted
-
Home Country
United States
Converted
-
Interests
Making a quick RSV, whatever it takes !!!
-
Bike Year and Model
83 1st Gen VMaxed Tweety / 2005 Gold Wing
Recent Profile Visitors
The recent visitors block is disabled and is not being shown to other users.
-
dfwthompson started following dingy
-
Prairiehammer started following dingy
-
dingy started following Snaggletooth
-
What do you have as far as the air filter box and air filter? When I did VMax conversion on Tweety, I experimented with numerous modifications to air intake to reduce the power lag. Both the VMaxs and Ventures are sensitive to air flow changes, even running without tank cover on will affect it. I ended up relocating battery on its side where the coil pack was in order to get enough room to put a Vmax air filter housing on it. That was best thing I tried and worked fairly well. Coils were replaced with COPs VBoost servo motor is visible below new battery box on right side. Battery has been like this for 8 years now.
- 24 replies
-
- carbs
- loss of power
-
(and 2 more)
Tagged with:
-
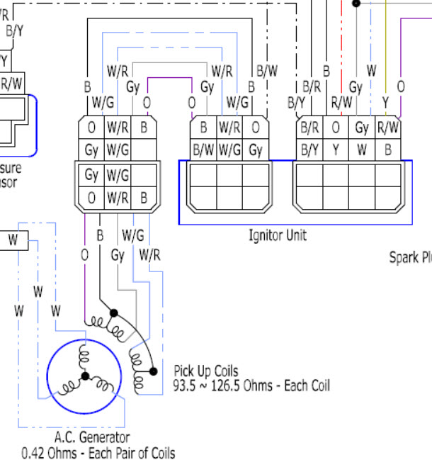
Check the 6 pin connector that connects the two pickup coils near stator to wiring harness. In past on here I have sold quite a few replacement Ignitech TCI's to people (no longer do that). On several occasions it was found that this connector was intermittent or corroded. On one occasion I went to a shop where the bike was located at. When I disconnected that connector it was full of debris. After connector was cleaned bike ran as it should. Each female terminal needs to be checked that it grips male terminal sufficiently. Best way to do this is to have a spare male contact and insert into each pin cavity in connector. 5 are used of the 6 pins.
-
Brake De-linking Question
dingy replied to VerntureVet's topic in Venture and Venture Royale Tech Talk ('83 - '93)
It would have been easier to take the guts out of the proportioning valve, then it is just a straight through housing. Rear line still connects to proportikning valve housing, no change needed. Remove line that runs to front metering valve and plug at rear master cylinder. This will isolate front brake linkage. Front brake plumbing then is tied, either by running new line to front master, or putting a splitter from an RSV or VMax in. Gary -
83 VR Carb choke rod question
dingy replied to Droneh8tr's topic in Venture and Venture Royale Tech Talk ('83 - '93)
Send the guy 4 of them, they go flying into never never land sometimes when putting on !!! Few pictures of two of them. These are to keep throttle cable from wearing into choke rod, cable rides on nylon spacer. Gary -
See if thread linked below helps. http://www.venturerider.org/forum/showthread.php?40559-Vibration-reduction-of-Instrument-Cluster-on-83-85-Venture Gary
-
Brace on side of engine NEEDED?
dingy replied to VerntureVet's topic in Venture and Venture Royale Tech Talk ('83 - '93)
This was the inspiration for Tweety's side cover's !! Gary -
Brace on side of engine NEEDED?
dingy replied to VerntureVet's topic in Venture and Venture Royale Tech Talk ('83 - '93)
Tweety does have solid aluminum motor mounts, all 6. One seems like it would be very difficult to change without pulling motor, I think. Gary -
Brace on side of engine NEEDED?
dingy replied to VerntureVet's topic in Venture and Venture Royale Tech Talk ('83 - '93)
You do not need them. I have a fair amount of horsepower & have a VMax (FJR actually) and a 15" rim on rear, both help low end acceleration. I don't notice anything out of the ordinary. I have pushed this scooter fairly hard in turns and it is stable. The braces (stays) were removed to allow bikini cut on side covers to expose the motor. Braces looked crappy crossing the heads with cut side covers. I cut brace off and left about 4" on back side to secure side covers. You might be able to see head of screw at bottom front point of side cover in picture. It retains a zip tie fastener that slips over the studded of ends of braces to hold covers secure. Gary -
Sending both of you a replacement CD tomorrow. I would like to see if this CD is readable in your laptop. I previously was using LightScribe CD's, which can have an image burnt on the non-data side. Haven't been burning image on lately, it takes about 20 minutes. I picked up some standard CD's tonight. Gary
