Jump to content

Recommended Posts

Posted

Not sure, need to see a picture, but there was an unused plug on the harness for hooking up the module for California Emissions standards that wasn't used in the other 49...

  • Replies 91
  • Created
  • Last Reply

Top Posters In This Topic

Posted

Wild guess on the connector, what about your Pressure sensor, do you have it connected to the wiring harness. If I recall it is on the left side of the bike on the coil tray and is were the vacuum line from carb #2 connects to also.

If that isnt is, give us a better description of connector and/or a picture of it.

 

Sounds like the coils are being fired if you are seeing the voltage drop, so that should, I repeat, "should" rule out the ignition box I would think. I would pickup an inline spark plug tester from Walmart, Autozone or some parts store and use it to test the coils, wires, and caps on the bike. You could also try the resistance testing of the coils as described in the service manual on page 7-30. I would also measure thru the plug wires and cap to make sure you dont have an open in there also.

 

Good luck and just stick with it as you will lick this issue soon.

 

Rick F.

Posted

I kind of remember plugging in the pressure switch when I installed the new one. This connector has about 3 inches of wire before it joins the loom. I will post some photos when I get out there and start taking parts off again. Would not be a bid deal if I did not have another project that needs to be done to complete the sale of a bike. Which in turn will provide the money to go buy another bike. Addiction is real and it does not just apply to drugs.

 

I clipped 1/4 inch off each plug wire as recommended and screwed them back into the caps. I have now double checked those twice. I also replaced the back two cylinder spark plug caps because the rubber was so melted I thought that was where my wet weather miss was coming from. I have since been advised that it was likely moisture in getting into the TCI box. I have checked for spark at the cap with a tester that enables you to adjust the gap so you can get an idea of how strong the spark is. It appears to clearly show a spark on 1 and 3 and nothing on 2 and 4. At this point I really do have to start checking backwards like you recommend. Resistance to the and through the coil and then signal and voltage at the coil.

 

The coils are difficult enough to get to and while it is possible that I disturbed something while looking for a place to install the plastic shield I have a hard time believing I messed something up in there. But the reality is that the bike will not fire up. I

 

Thanks for the input guys, I dig in some more and up date the thread. I am sure the problem is simple and I am just not seeing it. Tonight I just found something I have been looking for weeks. And of coarse it was right where I would have expected it to be. It was just in a container that I was not expecting to see it in. This tells me that anything is possible. Speaking of that, is there any fuses involved in the ignition system.

Posted

IMG_5569.jpg

Ok so it appears from the location of this plug it likely has nothing to do with the ignitions system but I a cannot help look at it and think it does not look like a block connector that has been sitting exposed for 30 years.

 

I thought of something else while cranking it over today. It is getting spark enough on one or two cylinders (1 and 3) to back fire. So why is it back firing and not starting (even on two cylinders I think it would turn over and run. For it to be backfiring would suggest timing is way off also.

 

This brings up the question of how and where does this bike pick up crank position in order to signal the coils to fire. The backfiring suggest something more than no spark on 2 and 4 is the problem.

Posted

That could be the connection for the California emissions air vent control valve. My wiring diagram shows it with Brown and Black wires into it but the location looks correct. What color wires do you have in that connector?

 

There is a fuse for the ignition and it is #4 on the fuse panel. If it was bad, I dont believe you would have spark on 1 & 3. For timing to be off on this bike would mean that something is broken in the flywheel area as that is where the pickup is located. The timing isnt really adjustable.

 

I am still leaning towards the secondary side of the coil. Do the ohm test and then one with the cap and wire connected to the coil. Also when you cut the spark plug wire, did you notice a small o-ring on the spark plug wire up by the coil. there is one there that help retain the wire in the screw on cap for each coil. Make sure you have those there for all 4 wires.

 

Check out the troubleshooting chart on page 7-28 of the service manual. This is where you can do an ohm test of the pickup coils and might help with this issue.

 

Good luck..

 

Rick F.

Posted

This is a big help. If you saw the mess that is my fuse box you would understand why I picked up one the replacement kits. I have traced and replaced ground wires all over one of my old bikes like you would not believe. It eventually turned out to be a fuse that we looked at several times.

 

Good to know about the timing. I am still puzzled by the backfires but at least I know its not timing like having your distributor installed 180 out of line. Yes it will run but the header got so hot my spark plug caps caught on fire. Almost burned up a new motor on the f up.

 

Regarding the coils. When I dug the TCI box and vacuum boost out I barely even looked at the coils. They are stuck up in there in such a manner that getting to them is not something I saw a need to do or even wanted to attempt. So did I do anything with the wires or connections at the coils. No never touched them.

 

I am curious to know what happens when the diode on the TCI go bad. I replaced mine and could have a bad contact. Does anyone know what happens when one goes bad. What happens? I really don't think they are the problem since I checked the continuity multiple times for each connection. It would be nice if that was the problem because they are easier to get to at this point than the dam coils.

 

Correct me if I am wrong but getting the coils out requires removing the fairing which is basically all the front end body work. And even then they are still not that easy to get to. I could be wrong so if anyone thinks just pulling the battery box out will get you at the them I go that route. I am also suspicious that I may a wire or two pinched someplace.

Posted

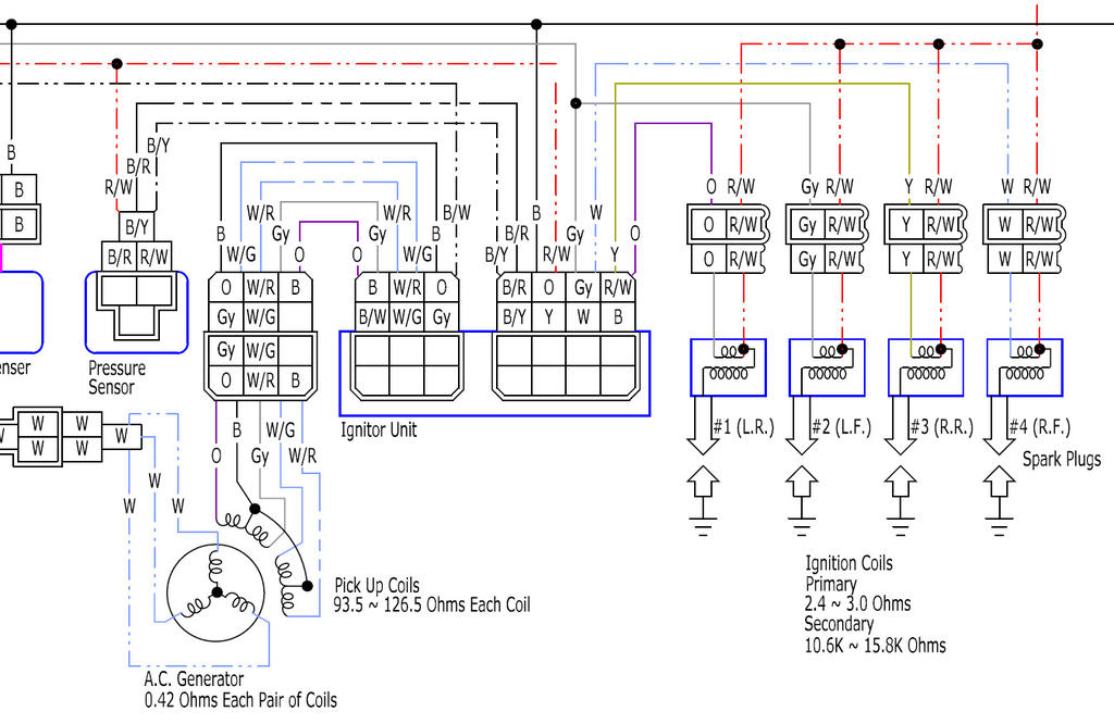
There are 2 pickup coils, one coil is for cyl 1 and 3 the other is for cyl 2 and 4. All of the pick up coil wires come to the smaller 6 pin connector at the TCI. You can check for resistance at the now easily accessible connector. With the connector unplugged from the TCI connect an ohm meter lead to the black wire, Check the resistance from the black to each of the other 4 wires in that connector. They all should be similar and in a range of 93.5 to 126.5 ohms Because you are also checking the wire harness at the same time you might be a couple of ohms higher do to the resistance of all the wires and connectors, but not by much. By checking at the TCI you are also checking all of the wires and connectors in the system. At least this is an easy place to start looking for your gremlin.

 

Another popular test is to borrow a known good TCI from someone just to see if that fixes the problem.

Posted

This is a big help. Thanks Flin. I check this out as soon as get home. If anyone is willing to plug my TCI into their bike I also would be happy to send it to you with appropriate return postage.

Posted

It Snyper. Didn't you once have a conversation about that red orange TCI box out of Norway and not using the vacuum advance connection or something? I was wondering about that cuz my guy said he just plugged everything in it was there and the bikes running really well

 

...in the Eternal scheme of things, this isn't even the blink of an eye.

Posted
This is a big help. Thanks Flin. I check this out as soon as get home. If anyone is willing to plug my TCI into their bike I also would be happy to send it to you with appropriate return postage.

 

I would but your 83 and my 88 are not plug and play compatible.

Posted
I would but your 83 and my 88 are not plug and play compatible.

 

I thought I read that correctly on my phone. Some how I must have intercommunicated. I have and 88 and would love to send you my TCI if you don't mind doing the plug and play thing. Just send me your address and I will take care of all the shipping costs.

Posted (edited)
There are 2 pickup coils, one coil is for cyl 1 and 3 the other is for cyl 2 and 4. All of the pick up coil wires come to the smaller 6 pin connector at the TCI. You can check for resistance at the now easily accessible connector. With the connector unplugged from the TCI connect an ohm meter lead to the black wire, Check the resistance from the black to each of the other 4 wires in that connector. They all should be similar and in a range of 93.5 to 126.5 ohms Because you are also checking the wire harness at the same time you might be a couple of ohms higher do to the resistance of all the wires and connectors, but not by much. By checking at the TCI you are also checking all of the wires and connectors in the system. At least this is an easy place to start looking for your gremlin.

 

Another popular test is to borrow a known good TCI from someone just to see if that fixes the problem.

 

Ok so I put a ohm meter on the wires and go approximately 109 between each and the black wire with the exception of the Black and Yellow wire. I got nothing on that one. Now to find that wire diagram in the shop manual.

 

And the ignition fuse has been replaced some time ago. God I cannot believe I don't remember replacing that one. Must not have failed while out on a ride like the head light fuse did.

 

Ok that was easy, here is the wire diagram now where are my super duty magnifying reader glasses.

Edited by Geobob
Posted

Are you sure you got the correct connector? According to my wire diagram there is no yellow wire. You want the 6 pin connector on the TCI, the other one is an 8 pin. You do not need to check the Black/white wire. The Black/White wire is for parts of the safety circuits for the tip over switch and the side stand switch.

Ignition.jpg

Posted (edited)
Are you sure you got the correct connector? According to my wire diagram there is no yellow wire. You want the 6 pin connector on the TCI, the other one is an 8 pin. You do not need to check the Black/white wire. The Black/White wire is for parts of the safety circuits for the tip over switch and the side stand switch.

http://www.venturerider.org/forum/attachment.php?attachmentid=111852

I checked all of the wires and they all had the correct resistance. Regarding the other wire, black and white or black and yellow it had nothing. I might have been looking at the wrong wiring diagram. It looked like it went to the vacuum boost. So they all tested ok. Now what does that tell us.

 

I just checked the wiring diagram and yes there is a black and white wire leading to the side-stand switch (which by the way is disconnected)

 

It did actuall run for a short time last night on two cyclinders or maybe one but i did notice that the tach worked. I llulled the battery box and got a look at two of the coils for what it was worth. I guess i can check resistance through the wire and cap on number 4. It was loose so maybe thet is the problem. Not sure if you can get at coil 2 very easily but maybe if i take the radiator off. (And a bunch of othe stuff) none of which fits perfectly anymore. I worry every time i pull some panels that some mounting point will crack.

Edited by Geobob
Posted

That tells you that the pickup coils and their wiring is all good. You have at least eliminated one possible thing.

 

The tach is driven from the #2 coil, since the tach did work that tells you that the problem is not in the #2 cylinders ignition on the primary side.

 

You mention that you eliminated the side stand switch. How did you terminate the wires that go to the side stand switch? If that Black/White wire finds a ground it will shut the engine off. If it is finding an intermittent ground it could just make it run bad.

Posted
That tells you that the pickup coils and their wiring is all good. You have at least eliminated one possible thing.

 

The tach is driven from the #2 coil, since the tach did work that tells you that the problem is not in the #2 cylinders ignition on the primary side.

 

You mention that you eliminated the side stand switch. How did you terminate the wires that go to the side stand switch? If that Black/White wire finds a ground it will shut the engine off. If it is finding an intermittent ground it could just make it run bad.

 

I disconnected the kickstand switch a couple of years ago if memory serves me. I looked at the wires when I had it up on the stand I did not notice anything coming apart. I believe I sealed them up with shrink wrap. I would say so far it consistently sends spark to 1 and 3 and nothing to 2 and four. I opened the TCI up for you and it should make in the mail tomorrow. We will have another answer soon enough.

Posted

Not sure if you have done this but what I would do next is to get a new spark plug and pull the cap off of #2 plug and attach it to the new spark plug and with an insulated pair of pliers, hold the spark plug and ground the side of it to the engine and verify either a spark or none. Then do it again for #4 cylinder also. We know we are getting the tach to work so we are trying to fire the coils on that side. At this point I dont believe it is your TCI unit, so I am ruling that out for now. If you see a spark when doing the test it is possible that you are looking at a carb issue and might need to looks at those. If no spark, then it could be a coil issue or spark plug wire or cap issue.

Let us know what you find out.

 

Rick F.

Posted
Not sure if you have done this but what I would do next is to get a new spark plug and pull the cap off of #2 plug and attach it to the new spark plug and with an insulated pair of pliers, hold the spark plug and ground the side of it to the engine and verify either a spark or none. Then do it again for #4 cylinder also. We know we are getting the tach to work so we are trying to fire the coils on that side. At this point I dont believe it is your TCI unit, so I am ruling that out for now. If you see a spark when doing the test it is possible that you are looking at a carb issue and might need to looks at those. If no spark, then it could be a coil issue or spark plug wire or cap issue.

Let us know what you find out.

 

Rick F.

 

Hi Rick, thanks for the help. Unfortunately I have checked for spark on 2 and 4 with a park tester. It is one of the ones you can adjust the gap and what the glass tube and witness the park jump. I clearly shows good strong spark on 1 and 3 and nothing on 2 and 4. While I have often made the mistake in assuming something like this is definitive, I have all to often been proven wrong. Its like looking for something lost. Check the most obvious place first and was sure it was not there. Then look everywhere else and repeat. Eventually I have found it where it was mostly and just over looked it. The problem here may be similar but in light of my soldering the new diodes and having some messed up connections (one in particulate) I think its time to swap TCIs. Thanks to Flinn mine is in the mail to him for a cross check. The photo below is the connection that I suspect is giving me issues since I cannot really see where the copper plating leads to. As a result it is difficult to determine if the circuit is good while checking with the meter.

 

IMG_4706.jpg

 

IMG_4707.jpg

 

IMG_4705.jpg

 

I laid down some solder on the copper plating leading from the one end of the diode in the photo. The problem I have is where does that plating lead to next. Testing continuity from the end of the repair to its next location is where I end up with a lost continuity. It could be the problem and without a schematic of the board or another board to look at, I just cannot see a clear path of copper.

 

I do hope anyone in the future can use this thread to help them with their project. And if anyone want to speak to the removal of the coils and just what they had to do to get at them I'd love to here it. I am waiting on that task until we determine if the board is good or bad. I did pull the battery box and was able to get at two of the coils and might be able to do some more detailed investigation but the front two coils look like another story.

Posted
if anyone want to speak to the removal of the coils and just what they had to do to get at them I'd love to here it. I am waiting on that task until we determine if the board is good or bad. I did pull the battery box and was able to get at two of the coils and might be able to do some more detailed investigation but the front two coils look like another story.

 

Well you need to take 4 bolts out but to get to those bolts you have to remove the fairings. The coils are on the same rack as your tci and boost sensor.. So kinda stumped why as you having hard time being you have your tci out... Anyways may be it was skill and precision but once you get fairing out of way should be 4 12mm bolts if memory serves me right.

 

 

 

Ride like your invisible, not invincible. Never ride faster then your angle can fly. I am as free as the wind on my face, ride to live and live to ride.

Posted
Well you need to take 4 bolts out but to get to those bolts you have to remove the fairings. The coils are on the same rack as your tci and boost sensor.. So kinda stumped why as you having hard time being you have your tci out... Anyways may be it was skill and precision but once you get fairing out of way should be 4 12mm bolts if memory serves me right.

 

 

 

Ride like your invisible, not invincible. Never ride faster then your angle can fly. I am as free as the wind on my face, ride to live and live to ride.

 

The TCI came out when the fairing was off and now it sits on top of the air cleaner and the fairing is back on. I am so glad I put it all back together before trying to start it. Honestly getting the coils out even with the faring off did not look that simple and since I saw no need to, I never touched them. That is why I have a hard time believing the problem lies there. But you never know. And isn't that what makes working on mechanical things so much fun.

Posted
The TCI came out when the fairing was off and now it sits on top of the air cleaner and the fairing is back on. I am so glad I put it all back together before trying to start it. Honestly getting the coils out even with the faring off did not look that simple and since I saw no need to, I never touched them. That is why I have a hard time believing the problem lies there. But you never know. And isn't that what makes working on mechanical things so much fun.
A lot of times its not the coils, its the wire that's gets stuck by the prick of the coils gets groddy green.. I trimmed my wire back half an inch but kept getting green wire.I finally ended up replacing my wires and caps cost me all of $25.00 if that the wire I think was like .60[emoji767] a foot might been a little less and the caps for ngk were $4-$5. And it is quite possible because I did it that when assembling things I unplugged a thing or two. My bike tho looked as if Freddy Crouger got up in there trying to fix the wiring![emoji44]

 

Ride like your invisible, not invincible. Never ride faster then your angle can fly. I am as free as the wind on my face, ride to live and live to ride.

Posted

I was just rereading some of you post and reports back. Question, have you measure the resistance between the end of the spark plug cap, putting the end of the probe into the cap in place of the spark plug and the correct wire going into the TCI unit. What I am thinking is pull the caps off all of the plugs, measure the resistance for all of the spark plugs wires and the corresponding TCI plug wire. ie, measure #1 cap to the orange wire in the connector for the TCI and see what we are getting for resistance. Do this for all the spark plug wires and lets see if they are all close to the same resistance.

 

It could be the TCI, if you had some of the copper traces come off the board, that would cause issues for sure. The best way to replace them is to use insulated wire to run between the points where the traces have been lifted. Of course another issue is if it is a multi-layer circuit board with plated through holes. That can be a whole another story. I have not had my TCI apart so I can not say just how it is layed out or even guess where the traces all go. I would imagine that not even Yamaha has the schematic for it as it was most likely supplied by a 3rd party vendor and if repairs were needed, they sent it to them.

 

When you said you got it running that last time and the tachometer worked, that makes me think that #2 coil is being fired or I should say the circuit is being grounded as I believe that is how the spark is getting generated. Looking at the circuit diagram, the lead for #2 coil, the gray wire, also provides signal for the tach and the fuel pump relay control, which in turns supplies the power for the fuel pump. If you had no voltage on the gray wire, that wouldnt power on the fuel pump and you would not be getting it to run. I believe that we have a constant 12v on the gray wire since that isnt dependent on the TCI unit. But the tach needs to see that drop if voltage, ie signal, to measure the RPMs of the engine. So that is why for me, the tachometer working when the bike was running tells me that the TCI is grounding the voltage on the gray wire for #2 coil as it needs the signal to generate a RPM reading.

 

I would try getting some nonresistance spark plug wire. Parts Unlimited does sell 7mm in 72" pieces and it is fairly inexpensive. Dennis Kirk list it for $3.95 just to give you an idea. You could also pick up some NGK spark plug 5K ohm caps just to make sure they are good also. Caps are under $10 each also. I was able to replace my wired without taking the coils off the bike or removing the main fairing. I did remove the side panels and lowers to access the coils. The caps on the coils screw on and off and have small o-rings around the wire inside the caps, so be careful not to have them get misplaced.

 

 

If you like I could try testing your TCI unit as I have my connection on top of the air cleaner also. I dont have my bike out for the season yet as I still have a lot of snow on the ground here in Minnesota. But I can get to mine and I could test it out for you and maybe check out your soldering and such in the TCI unit. I was an electronics bench tech at one point in my life long ago.

 

Sorry for all the different thoughts and such here, thinking about this as I type and different ideas pop in my head about it.

Let me know how things go and we can see what we can do to get this resolved for you.

 

Rick F.

  • 2 weeks later...
Posted

Just thought it would be good to update the thread. So Jeff Borowski was kind enough to take a look at my TCI and confirmed that it was the problem. Lesson learned was don't fix it if its not broken. Apparently it was probably likely to fail soon anyways so replacing it with another used one worked out. It was only something like $75 off of ebay. Plugged it in and all four cyclinders fired. I took it out for a spin and it feels like the new used vacuum boost is also working. So now I just have to work the wires through the inner fairing wall so I can mount the TCI next to the radio some place. I might also put it on top of the battery if put the new fuse block on top of the air box. I could not get the TCI to fit on the air box. I think someone mentioned that it would not fit on the 1300s.

 

I am very happy to have it running again now that the weather is getting better.

Create an account or sign in to comment

You need to be a member in order to leave a comment

Create an account

Sign up for a new account in our community. It's easy!

Register a new account

Sign in

Already have an account? Sign in here.

Sign In Now

×
×
  • Create New...