-
Posts
977 -
Joined
-
Last visited
Content Type
Profiles
Forums
Gallery
Events
Store
Everything posted by yamagrl
-
Ground cable upgrade?
yamagrl replied to Chaharly's topic in Venture and Venture Royale Tech Talk ('83 - '93)
Yeah... We hope to start doing a lot of traveling next year. I still have at least this year before I'm able to be away for lengthy periods. I'll be around if anyone needs. H -
Ground cable upgrade?
yamagrl replied to Chaharly's topic in Venture and Venture Royale Tech Talk ('83 - '93)
Sold all the bikes. At one point I had 4 and a parts bike. After the wreck in late 2016 I figured it was best to "read the writing on the wall". I hadn't seen the pavement side of a motorcycle since 1981. I thought I was invincible. I'm not on the site much anymore but I get notifications when I'm quoted. That's how I popped up on this one. I am still available if someone has problem that I might be able to help with. Just quote me in the post or pm or phone always works. I have been resurrecting a 2000 29ft motorhome with 7.3 Powerstroke. Named it Harvey (get it?) Learning diesel engines is interesting. Anyone good with 7.3 Powerstroke? Heather -
Ground cable upgrade?
yamagrl replied to Chaharly's topic in Venture and Venture Royale Tech Talk ('83 - '93)
I still can. They're still listed on member vendors Sent from my XT1060 using Tapatalk -
Weird transmission issue...
yamagrl replied to s.tyler58's topic in Venture and Venture Royale Tech Talk ('83 - '93)
Yeah I'm not on much anymore. If you want to get my attention PM me or text or call me. My contact info is still there. Sent from my XT1060 using Tapatalk -
Weird transmission issue...
yamagrl replied to s.tyler58's topic in Venture and Venture Royale Tech Talk ('83 - '93)
Motorcycle transmissions have been known to be a little finicky at times. If it shifts while moving but won't while stopped just slightly let the clutch out and try it with a slight clutch drag or slightly engage and disengage the clutch. This will will allow the transmission to try to rotate and the transmission forks to get a little different bite. This is kinda like rocking the bike back and forth to go through the gears when the engine is not running. Heather -
Bought Carb Rebuild Video by Damon Ferraiuolo
yamagrl replied to BlueSky's topic in General Tech Talk
Damon_Ferraiuolo@msn.com Sent from my XT1060 using Tapatalk -
exhaust gas analyzer
yamagrl replied to Gdserlin's topic in Venture and Venture Royale Tech Talk ('83 - '93)
Here's one for $81+ $10 shipping http://www.ebay.com/sch/i.html?_odkw=gunson+gas+tune&_osacat=0&_from=R40&_trksid=p2045573.m570.l1313.TR0.TRC0.H0.Xgunson+gas+analyzer.TRS0&_nkw=gunson+gas+analyzer&_sacat=0 http://www.ebay.com/itm/Gunson-Exhaust-Gas-Tester-Digital-Exhaust-CO-Analyser-EXCELLENT-/262919657488?hash=item3d373b9810:g:WMsAAOSwzgBY4BqY http://i.ebayimg.com/images/g/WMsAAOSwzgBY4BqY/s-l400.jpg -
I think the Service Update also included a new stator for some of the bikes. The picture on page three illustrates the "punch mark" that dealer would have made when when if it was Service Update was done. The picture on page 2 shows the "ID mark on the new rotor bolt". I would think that the original owner would have had it done. It was free to the owner. I only have it as jpegs
-
sealer on outside of middle gear pinion seal?
yamagrl replied to frankd's topic in General Tech Talk
No RTV or sealer. I think I used assembly fluid or moistened with oil so that it smoothly reassembled. Be sure to get your shims correct. It is also advisable to check the backlash with a dial indicator. -
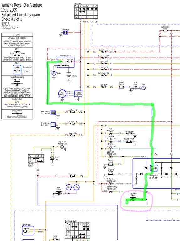
Problems with the Trike.
yamagrl replied to Brenda H's topic in Royal Star Venture Tech Talk ('99 - '13)
Good news Brenda! The starting system on these bikes is fairly simple and straight forward... Sometimes the biggest problem is not being able to see the "forest for the trees". I'll attach a couple of pics, etc to help me explain. The first thing we'll do is determine if the problem is the battery, the starter or somewhere in between. The below pic shows the Starter Solenoid. Make sure the bike is in NEUTRAL (not negotiable) NEUTRAL. If not it might just jump off of the trailer! Ignition switch can remain in any position. OFF is fine. Jump across those two big bolts (10 mm I think) with a screwdriver. The screw driver will likely cause some sparks. This creates a DIRECT CONNECTION from the battery to the starter and DIRECT BYPASS of the entire starting system as well as the solenoid. If the battery is good and the starter is good and the cable connection are good then you will know it. There will be no questions. The starter motor will turn. If the starter DOES NOT TURN then the problem lies within one of the following: Battery, starter motor or cable/connections. If the starter DOES TURN then the problem lies somewhere in between. So... Now we will jumper the relay from with in itself... This will tell us if the solenoid is working or if the problem lies farther in between. Step 2 Make sure the bike is in NEUTRAL. If not it might just jump off of the trailer! Turn Ignition ON. At this point no other switch positions are relevant. It doesn't matter the position of the clutch, engine kill...nothing else matters. Just make sure the ignition key is in the ON position. Jumper a wire from that little blue wire to ground. Any good ground will work but a wire to the NEG side of the battery would be best. Just poke your jumper wire into the back side of the connector and then touch the other end to GROUND. If the starter motor turns then you now know that the Solenoid is good and the problem lies farther in. If the starter motor does NOT turn then the problem is the solenoid. This is essentially what is happening when everything is in the proper position and you hit the start button... That blue wire finds a ground and that causes the solenoid to fire off the starter motor. The green highlight in the diagram illustrates this. Let me know what you find. If you need to you can call or text me. My number is on my profile and also VR Assistance page. Heather P.S. Take it a step at a time... jump it with the screwdriver first then move on to Step 2. If you still haven't figured it out at this point we'll dig deeper. -
Cable upgrade
yamagrl replied to Big Auggie's topic in Venture and Venture Royale Tech Talk ('83 - '93)
I have enough supplies to make a few more sets... if there is enough interest -
Mixture Screws - Replacements?
yamagrl replied to mountainmanVR's topic in Venture and Venture Royale Tech Talk ('83 - '93)
Just hide in plain sight Sent from my XT1060 using Tapatalk -
Mixture Screws - Replacements?
yamagrl replied to mountainmanVR's topic in Venture and Venture Royale Tech Talk ('83 - '93)
I have a little hiding place in Northwest Florida Sent from my XT1060 using Tapatalk -
Mixture Screws - Replacements?
yamagrl replied to mountainmanVR's topic in Venture and Venture Royale Tech Talk ('83 - '93)
Actually a crochet hook works great to extract those stubborn orings. I learned that from Damon's carb video. Also siriusconinc offers some decent carb screws, diaphragms, etc https://www.siriusconinc.com/mobile/search-result.php?make=2&model=xvz12&part=1&partno=&search=search Sent from my XT1060 using Tapatalk -
Carb help please....
yamagrl replied to Javenmcd's topic in Venture and Venture Royale Tech Talk ('83 - '93)
Hardware store, Lowe's, just about anywhere. Most all of that clear tubing is fuel resistant. I think I used 1/4 inch. -
Carb help please....
yamagrl replied to Javenmcd's topic in Venture and Venture Royale Tech Talk ('83 - '93)
Here is a good pic of the carbs and YICS chamber from above. The airbox and battery box is out. You can see the clear vent/drain lines and if you look closely you can see the color coding. 2 is no color, 1 is black, 3 is blue and 4 is orange. -
Carb help please....
yamagrl replied to Javenmcd's topic in Venture and Venture Royale Tech Talk ('83 - '93)
YICS is only on the 83-85's. 86 on they were not installed. I don't know what that might be. I could look at my 86 parts bike and try to figure it out tomorrow when it's light out. There shouldn't be fuel in anything except the gas tank, fuel filter, fuel pump, fuel lines and float bowls. Even the vent lines shouldn't even have any unless there's a stuck float needle. Side note... I changed all of the vent/overflow lines with clear tubing. and color coded the upper and lower ends of the tubes. You can tell without a doubt which one is stuck. Don't have the drain lines too long because if they are in a slipstream under the bike while riding it can create a low pressure condition in the float bowls and actually draw fuel out. This particular condition is only present during riding and the only symptoms are reduced mpg and a few drips under the bike after stopping. I discovered this after installing my clear lines. My mpg dropped about 2 mpg and every time I shut it off I would find a bit of fuel underneath after about an hour or so. The problem stopped after I shortened the lines a couple of inches. -
Users of berrymans chemtool??
yamagrl replied to Javenmcd's topic in Venture and Venture Royale Tech Talk ('83 - '93)
I wouldn't fill the carbs up with it and let it sit. I'm sure it would cause great damage but an oz per gallon is nothing to worry about. I have had it sit for a couple of months at a time with Berryman's in the gas. ¡No problema! Opinions vary... -
Users of berrymans chemtool??
yamagrl replied to Javenmcd's topic in Venture and Venture Royale Tech Talk ('83 - '93)
I didn't look at like that. Actually I was kinda disappointed that nobody got him. It wouldn't have been that hard o fix. -
Users of berrymans chemtool??
yamagrl replied to Javenmcd's topic in Venture and Venture Royale Tech Talk ('83 - '93)
Yes, I could have. I also posted that I'd get for someone but nobody wanted. I still have a couple of motorcycles. -
Users of berrymans chemtool??
yamagrl replied to Javenmcd's topic in Venture and Venture Royale Tech Talk ('83 - '93)
Yeah, quite a bit! -
Users of berrymans chemtool??
yamagrl replied to Javenmcd's topic in Venture and Venture Royale Tech Talk ('83 - '93)
I ran Berryman's in Big Red every tank at a rate of approx 1oz per gallon for 4 years. Actually, I just poured in about 1/4 can each fillup (15oz can). I did this for over 4 years. I've had the carbs off and apart several times... valve adjustment, 2nd gear repair, twinkie leak, etc. and never a drop of water, never a stuck float, never a spec of grunge in the float bows. He always started, ran like a scalded dog and got consistent 40-ish mpg. I never had any deterioration of the carb seals etc. One other note... performance was better with it in the gas than when I didn't have any to put in. I think it supercharges the gas or replaces something that is missing in today's gas. But, Berryman's is really strong stuff. It even states on the can to not drip it on the paint because it will immediately remove paint. And I'm certain it will. -
We have done so much with so little for so long...that we can now do anything with nothing in no time all. Sent from my XT1060 using Tapatalk
-
Here is a link to Community. It will likely come up sorted on User name. You can sort on State/Province and the go to Michigan. Its around page 4 or 5. http://www.venturerider.org/forum/memberlist.php
-
Whoulda thunk it!
