Brenda H Posted March 27, 2017 Author #26 Posted March 27, 2017 (edited) I'm feeling a bit pissed at the moment. I spent quite a bit of time trying to get the size of the pics I "posted" so that they'd be big enough to see without being so darn big, it took an entire "page" to see them. I did a "preview post" to make sure everything was kosher. The pics were there. So I posted my reply to the thread without checking the actual post. Apparently, something decided they should not get posted. Can anyone see them? My ISP is a major pain in the a** and at times so slow that I usually set up a game to play while I'm waiting! I'm going to try one more time at the end of this post and hope for the best. Back to the bike. I've pulled the solenoid and checked the 30a fuse in it. Both it and the spare check out fine. The clips/connectors/whatever on it look ok. No signs of any rust/whatever on them. I'm making a run into town tomorrow to pick up some stuff for the work and run some errands. As for Ace Hardware here, I'm well aware of the local store and plan to take one of the passenger footrest bolts with me. Those two are noticeably heavier and longer than any others I have run across on the bike so far. Ace is where I get the elongated nuts I use to hold the seat on. They make getting that munster on and off a lot easier. OK here goes try #2 on the pics. More later! Edited March 27, 2017 by Brenda H typed bolts instead of nuts, darn it.
eusa1 Posted March 27, 2017 #28 Posted March 27, 2017 (edited) Brenda, before you replace the baby or the bath water........ these machines are not known for starter failure, it's possible but not probable. with that said, might i suggest you have a look at a few common concerns before you proceed? the few catastrophic failures of these machines can be traced back to a bike that has set for a long period of time and the needle and seat in one or more carburetors will get gunked up from old fuel and cause the float to stick and allow fuel to flood the carburetor until the point that it overflows and fills a cylinder with fuel and eventually seeping into the crankcase and causing what is commonly called a hydro lock and not allowing the pistons to move because there is too much fluid / gas mixed in with the oil or sitting on top of the piston. so before you jump it or add to much power to the system and possibly causing bigger damage i would suggest a look at the fluid level in the oil sight glass and make sure it is not way over full. if you find an over full issue, you will need carbs cleaned and new needles and seat gaskets. and a oil and filter change. if that is not a concern, i would proceed to the starter solenoid to check for corroded connections due to a poor location that mother Yamaha put it. a dirty connection at the solenoid would still allow a good show of lights and a good battery would not overcome. this solenoid is in the same place on your trike as it would be on the two wheeler and just as much of a pain in the a$$ to access. remove the rear floorboard two bolts on the kickstand side/ left side of the trike and you will see a single allen bolt holding the half moon shaped chrome cover in place. remove this cover to see and locate the solenoid and clean as needed. not looking for a debate or a battle of text. just giving my $.02 for a .0$ price Mike Edited March 27, 2017 by eusa1 your bike has chrome covers rather than stock plastic covers
vzuden Posted March 27, 2017 #29 Posted March 27, 2017 If hydro lock is suspected you should remove the spark plugs and try cranking it over. With the plugs removed hydro lock will be relieved and the fuel will spray out of the spark plug holes as the pistons come up to TDC
eusa1 Posted March 27, 2017 #30 Posted March 27, 2017 If hydro lock is suspected you should remove the spark plugs and try cranking it over. With the plugs removed hydro lock will be relieved and the fuel will spray out of the spark plug holes as the pistons come up to TDC unless..... the crankcase if full of fuel and it hydro locks on the down stroke// fuel under the pistons.. if it's over full, don't mess with it until you drain the oil and fuel from the crankcase and cure the problem before cranking. + cranking over a cylinder full of fuel with a plug wire hanging in the area can have ugly results also..lol
djh3 Posted March 28, 2017 #31 Posted March 28, 2017 Crankcase over fill is easy to check. Just look in the sight glass. That would have to be an EXTREME case I would think. I have seen more ground problems with electrical stuff than positive voltage. As Mike mentioned the ground is a good suspect. I guess if you smell gas and think possibly it could have the cyl filled with gas you could pull the plugs and then the motor would spin freely.
Brenda H Posted March 28, 2017 Author #32 Posted March 28, 2017 OK more info for Mike Didn't read everything, did you big guy? The bike was running just fine back in Nov. when I took it to the paint shop to get some body work done. That was Thanksgiving week. I picked it up 2 months later and this problem showed up while it was at the shop. It will not turn over. Turn it on and it clicks, nothing else. I figured starter or part of that system from the getgo. As for the carbs being screwed, not likely. I keep Seafoam in that bike darn near 100% of the time with 3 oz. going into every tank unless I know I'm going thru that tank usually that day. I've two other bikes sitting here thanks to screwed up carbs so I don't take chances with the trike. The chrome plate you're talking about cannot, at present, be removed. We've tried. The bolt holding it in place just turns. It feels like the nut holding it on the back side of that plate is countersunk just like the bolt head is. We can't get a good enough grip on it to stop it turning. GRRRR I pulled the battery compartment and now have access to the solenoid and it's fuse. In fact the solenoid is currently sitting in the basket on my Honda Rancher. I tested that fuse and it's ok. I hit the local WM today picking up dialectric grease, some mini file tools, wire brushes, etc., and will start cleaning all the connectors. Just hope I remember how to put them all back together! My biggest concern is all the wiring in the battery area. I don't know which is the bike's and which is all the aux stuff Don put on it. Unless it wires into the two battery cables, I'm just going to leave that alone until Kreg's MD. More info & pics later, providing I can get the darn things to load!
eusa1 Posted March 28, 2017 #33 Posted March 28, 2017 OK more info for Mike Didn't read everything, did you big guy? The bike was running just fine back in Nov. when I took it to the paint shop to get some body work done. That was Thanksgiving week. I picked it up 2 months later and this problem showed up while it was at the shop. It will not turn over. Turn it on and it clicks, nothing else. I figured starter or part of that system from the getgo. As for the carbs being screwed, not likely. I keep Seafoam in that bike darn near 100% of the time with 3 oz. going into every tank unless I know I'm going thru that tank usually that day. I've two other bikes sitting here thanks to screwed up carbs so I don't take chances with the trike. The chrome plate you're talking about cannot, at present, be removed. We've tried. The bolt holding it in place just turns. It feels like the nut holding it on the back side of that plate is countersunk just like the bolt head is. We can't get a good enough grip on it to stop it turning. GRRRR I pulled the battery compartment and now have access to the solenoid and it's fuse. In fact the solenoid is currently sitting in the basket on my Honda Rancher. I tested that fuse and it's ok. I hit the local WM today picking up dialectric grease, some mini file tools, wire brushes, etc., and will start cleaning all the connectors. Just hope I remember how to put them all back together! My biggest concern is all the wiring in the battery area. I don't know which is the bike's and which is all the aux stuff Don put on it. Unless it wires into the two battery cables, I'm just going to leave that alone until Kreg's MD. More info & pics later, providing I can get the darn things to load! best of luck to ya
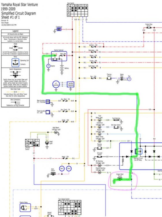
yamagrl Posted March 28, 2017 #34 Posted March 28, 2017 (edited) Good news Brenda! The starting system on these bikes is fairly simple and straight forward... Sometimes the biggest problem is not being able to see the "forest for the trees". I'll attach a couple of pics, etc to help me explain. The first thing we'll do is determine if the problem is the battery, the starter or somewhere in between. The below pic shows the Starter Solenoid. Make sure the bike is in NEUTRAL (not negotiable) NEUTRAL. If not it might just jump off of the trailer! Ignition switch can remain in any position. OFF is fine. Jump across those two big bolts (10 mm I think) with a screwdriver. The screw driver will likely cause some sparks. This creates a DIRECT CONNECTION from the battery to the starter and DIRECT BYPASS of the entire starting system as well as the solenoid. If the battery is good and the starter is good and the cable connection are good then you will know it. There will be no questions. The starter motor will turn. If the starter DOES NOT TURN then the problem lies within one of the following: Battery, starter motor or cable/connections. If the starter DOES TURN then the problem lies somewhere in between. So... Now we will jumper the relay from with in itself... This will tell us if the solenoid is working or if the problem lies farther in between. Step 2 Make sure the bike is in NEUTRAL. If not it might just jump off of the trailer! Turn Ignition ON. At this point no other switch positions are relevant. It doesn't matter the position of the clutch, engine kill...nothing else matters. Just make sure the ignition key is in the ON position. Jumper a wire from that little blue wire to ground. Any good ground will work but a wire to the NEG side of the battery would be best. Just poke your jumper wire into the back side of the connector and then touch the other end to GROUND. If the starter motor turns then you now know that the Solenoid is good and the problem lies farther in. If the starter motor does NOT turn then the problem is the solenoid. This is essentially what is happening when everything is in the proper position and you hit the start button... That blue wire finds a ground and that causes the solenoid to fire off the starter motor. The green highlight in the diagram illustrates this. Let me know what you find. If you need to you can call or text me. My number is on my profile and also VR Assistance page. Heather P.S. Take it a step at a time... jump it with the screwdriver first then move on to Step 2. If you still haven't figured it out at this point we'll dig deeper. Edited March 28, 2017 by yamagrl
Mike G in SC Posted March 28, 2017 #35 Posted March 28, 2017 (edited) Brenda, This is the primary ground bolt,, dead center of the picture. Mine has the mount bracket for the Stebil air horn. If you have stock horns, yours is just a ground wire and bolt. This is the bolt that, although tight, had corrosion that was faulting my starter,,, giving me the same CLICK under the seat but no start. Did you try taking it out and cleaning the connection? check yes or no. If yes,,, disregard. Mike G in SC Edited March 29, 2017 by Mike G in SC
Recommended Posts
Create an account or sign in to comment
You need to be a member in order to leave a comment
Create an account
Sign up for a new account in our community. It's easy!
Register a new accountSign in
Already have an account? Sign in here.
Sign In Now