cruiserlover Posted April 19, 2018 #1 Posted April 19, 2018 I bought a solenoid for my 86.It came with a blue white wire with a bullet connector that mates to a wire from the harness with the connecting male end of the bullet connection.This wire is under a small screw in the backside of the solenoid.The other small screw has nothing under it.I know a blue white and red white have to be connected for the solenoid to work. Does a wire from the small screw lead to the post of the solenoid and connect under the large nut of the solenoid post. The positive battery cable goes to one post.The same side the bluewhite wire is connected? there is no red white wire from the harness to connect to any post on the solenoid.I had the bike running just a few days ago.That solenoid was from an 83.It had a smal redwhite wire that was connected from the small post to the large post.Then that post had a battery cable under the same nut.I cant remember if its the blue white or the redwhite that is ground. also, I am replacing the clutch mastercylinder and handlever assembly because the original is broken and the one from the 83 is different.Inside the original assembly was a wiring connection.It has like half a switch.The other half comes from the harness.That snapped inside the handlebar assembly.Is that the clutch switch? If its not connected does that open the start circuit? Is there a way to disable it? The replacement master cylinder assembly has 2 male prongs, not anything a device from the harness can snap into.
cowpuc Posted April 19, 2018 #2 Posted April 19, 2018 (edited) Lets see if the following is of any assistance Cruise.. Keep in mind that this info is coming from limited electrical knowledge all based on the MK1's but I am pretty sure it should be/is applicable BUT - lets leave it open for correction by those in the know just in case... I am including a few pics here to help you in your valiant attempt to follow my folly - hope this all helps some way.. Neither of those two small wires leading to your solenoid are ground wires.. One of them, the red and white one I believe leads to a device that decides whether or not the starter system is ready to be energized - think its called the start circuit cut off... The Blue and White wire leads to your start button up by the throttle.. The wire harness has a small pig tail coming under the solenoid when the solenoid is attached to the left side of the battery box. That two wire (containing the Blue/White and Red/White wire) pig tail has a spade terminal attached that the two wires coming from the solenoid terminate into. Neither of those two wires small wires attach directly to the larger lugs on top of the solenoid but both of them (on the OEM solenoid) are soldered right below the area where those large lugs/studs protrude from the solenoid body. The blue/white wire is soldered below the battery side of the solenoid (meaning where the battery or + or input cable coming from the battery is attached to one of larger studs on top of the solenoid) and the red/white wire is soldered below the starter side of the solenoid (or the other larger stud where the cable leading down to the starter attaches).. Therefore, the only thing that should be attached to those larger lugs are the battery/high amp input lead and the high amp lead going down to the starter.. The way it works is when those two small wires leading to a coil inside of the solenoid have a current flow passing thru them - the coil inside the solenoid is excited/energized with 12vdc which pulls a set of high amp load contacts inside the solenoid together. Those high amp contacts have the battery lead attached on one side just waiting to send a current flow down to the starter via that other contact set so when they close - BINGO your starter gets hit with full amps 12vdc directly from the battery and over she rolls.. Make sense? In my pea brain, I really cant imagine that the coil inside of the, what sounds like a non OEM, solenoid you have purchased (I am pretty sure that Mom Yam would not send out a solenoid with bullet connectors instead of a terminal) is subject to polarity so it may not matter whether the blue/white and red/white on that solenoid you have are attached to the matching color combo on the pig tail (probably ok if they happen to be reversed) BUT = if it were mine I would hunt around under the battery box and find the pig tail I am showing in the pics and attach them up to the matching colors.. For sure - neither go up to be terminated (attached) below a large cable that is lugged up (attached) to the large studs on top of the solenoid (as shown with the rubber caps on them in the pics).. Still with me so far? Concerning the clutch switch - yep,, that sounds like the clutch switch... I dont have actual pics of the dismantled clutch master as I just shipped that off to a brother in need but I do have a shot of the switch I will share with you.. The switch, as shown in my hand, has a small flipper molded into the side of its body that holds it in place inside of the handle housing that it sets in.. Your clutch lever perch/housing should have a small hole in the face of it right below where the handle meets the perch where that switch slips into.. Its been a while since I had to check one for diagnostic purpose but I believe that it is a normally closed switch held open by the clutch lever when you let go of the lever.. If verifying that is important for what your trying to accomplish I would be happy to verify if one of the astute lop eared gear head varmints dont jump in here and verify one way or the other... Think that covers it,, hope you were able to follow some of this and it helps in a small way.. Puc Oh, yea,, pics... Edited April 19, 2018 by cowpuc
garyS-NJ Posted April 19, 2018 #3 Posted April 19, 2018 Lets see if the following is of any assistance Cruise.. Keep in mind that this info is coming from limited electrical knowledge all based on the MK1's but I am pretty sure it should be/is applicable BUT - lets leave it open for correction by those in the know just in case... I am including a few pics here to help you in your valiant attempt to follow my folly - hope this all helps some way.. Neither of those two small wires leading to your solenoid are ground wires.. One of them, the red and white one I believe leads to a device that decides whether or not the starter system is ready to be energized - think its called the start circuit cut off... The Blue and White wire leads to your start button up by the throttle.. The wire harness has a small pig tail coming under the solenoid when the solenoid is attached to the left side of the battery box. That two wire (containing the Blue/White and Red/White wire) pig tail has a spade terminal attached that the two wires coming from the solenoid terminate into. Neither of those two wires small wires attach directly to the larger lugs on top of the solenoid but both of them (on the OEM solenoid) are soldered right below the area where those large lugs/studs protrude from the solenoid body. The blue/white wire is soldered below the battery side of the solenoid (meaning where the battery or + or input cable coming from the battery is attached to one of larger studs on top of the solenoid) and the red/white wire is soldered below the starter side of the solenoid (or the other larger stud where the cable leading down to the starter attaches).. Therefore, the only thing that should be attached to those larger lugs are the battery/high amp input lead and the high amp lead going down to the starter.. The way it works is when those two small wires leading to a coil inside of the solenoid have a current flow passing thru them - the coil inside the solenoid is excited/energized with 12vdc which pulls a set of high amp load contacts inside the solenoid together. Those high amp contacts have the battery lead attached on one side just waiting to send a current flow down to the starter via that other contact set so when they close - BINGO your starter gets hit with full amps 12vdc directly from the battery and over she rolls.. Make sense? In my pea brain, I really cant imagine that the coil inside of the, what sounds like a non OEM, solenoid you have purchased (I am pretty sure that Mom Yam would not send out a solenoid with bullet connectors instead of a terminal) is subject to polarity so it may not matter whether the blue/white and red/white on that solenoid you have are attached to the matching color combo on the pig tail (probably ok if they happen to be reversed) BUT = if it were mine I would hunt around under the battery box and find the pig tail I am showing in the pics and attach them up to the matching colors.. For sure - neither go up to be terminated (attached) below a large cable that is lugged up (attached) to the large studs on top of the solenoid (as shown with the rubber caps on them in the pics).. Still with me so far? Concerning the clutch switch - yep,, that sounds like the clutch switch... I dont have actual pics of the dismantled clutch master as I just shipped that off to a brother in need but I do have a shot of the switch I will share with you.. The switch, as shown in my hand, has a small flipper molded into the side of its body that holds it in place inside of the handle housing that it sets in.. Your clutch lever perch/housing should have a small hole in the face of it right below where the handle meets the perch where that switch slips into.. Its been a while since I had to check one for diagnostic purpose but I believe that it is a normally closed switch held open by the clutch lever when you let go of the lever.. If verifying that is important for what your trying to accomplish I would be happy to verify if one of the astute lop eared gear head varmints dont jump in here and verify one way or the other... Think that covers it,, hope you were able to follow some of this and it helps in a small way.. Puc Oh, yea,, pics...I like what cowpuc said there and seems our venture solinoods don't use a mount ground to complete the primary circuit but rather use a second wire (that goes to a start lock out?, I won't pull a wiring diagram if the OP won't). The start button usually brings 12v to the primary side and then a second terminal on primary could complete the circuit to ground. Some solinoods get ground through the mount. I just put a bike scrap solenoid into a '77 suzi gs750 and it had two big terminals and two small terminals and I grounded the housing and touched 12v briefly and one side energized the solenoid while the other side arced, (like it was an extra ground, so I grounded it). I have seen bikes pull 12v off the battery side of the solenoid with a pigtail and that voltage goes to ignition switch. Sent from my VS987 using Tapatalk
Prairiehammer Posted April 19, 2018 #4 Posted April 19, 2018 The MKII starter relay (solenoid) has but one small wire, the blue/white. The second small screw is connected to the battery positive via a jumper strip built into the solenoid. Depending on the manufacturer of the solenoid, the jumper connecting the big post to the small connection may be internal or external (manifested by a visible conducting strip).
cruiserlover Posted April 19, 2018 Author #5 Posted April 19, 2018 thanks guys.That is a great description.And good pictures.I have tried in vain to decipher the wiring diagram in my manual.There is not even a mention of battery on it.plus tracing the blue white and red white is impossible.one because its all black and white, and 2 because the drawings have everything so small its hard to even read the L/w and the r/w. blue white and red white.Thanks.The solenoid did in fact come with a blue white wire under the small screw and it does have a bullet connector and the bike has the matching bullet connection to plug into it.That used one of the small scews but left the other unclaimed.I should be ok to get it fixed now thanks to the great explanations.Thank you.
cruiserlover Posted April 19, 2018 Author #7 Posted April 19, 2018 the mk 2, vmax and other solenoid pics tell me a jumper is needed from the small post to the big post.
cruiserlover Posted April 19, 2018 Author #8 Posted April 19, 2018 The MKII starter relay (solenoid) has but one small wire, the blue/white. The second small screw is connected to the battery positive via a jumper strip built into the solenoid. Depending on the manufacturer of the solenoid, the jumper connecting the big post to the small connection may be internal or external (manifested by a visible conducting strip). http://www.venturerider.org/forum/attachment.php?attachmentid=112274 mine looks like 2 of those combined.it has the rubber protective cover like the vmax, but the single attached blue white wire under the small screw like the mk2.They really all are basically the same except the mk1.I am putting a jumper from the unused small screw to the big post of the solenoid.The positive battery cable goes under one post.I assume its the one on the same side of the attached blue white wire, and the ground cable goes to the big post where I attached the jumper wire.
Prairiehammer Posted April 19, 2018 #9 Posted April 19, 2018 (edited) The positive battery cable goes under one post.I assume its the one on the same side of the attached blue white wire, and the ground cable goes to the big post where I attached the jumper wire. NO! I hope you haven't hooked the "ground" cable to the solenoid yet! That would let a lot of smoke out! The positive cable from the battery goes on the big lug next to the small "unused" screw. The cable that goes to the starter goes on the other big lug. As I said earlier, the MKII solenoid with the single blue/white wire should already have the jumper incorporated from the big lug (battery side) to the small screw. Edited April 19, 2018 by Prairiehammer
cruiserlover Posted April 19, 2018 Author #10 Posted April 19, 2018 NO! I hope you haven't hooked the "ground" cable to the solenoid yet! That would let a lot of smoke out! The positive cable from the battery goes on the big lug next to the small "unused" screw. The cable that goes to the starter goes on the other big lug. As I said earlier, the MKII solenoid with the single blue/white wire should already have the jumper incorporated from the big lug (battery side) to the small screw. http://www.venturerider.org/forum/attachment.php?attachmentid=112278 I am about to try that.I have looked on here, cannot find how to bypass the clutch switch.The original wiring coming from the harmess connected with a switch half inside the mastercylinder handlebar assembly.But the replacement assembly has 2 male spade type prongs which wont connect to the factory side.The clutch switch wiring appears to be blue white,black, and black with white stripe.My limited knowledge says the black and black white are grounds and the blue white is positive.I would think and am probably wrong that the black and black white could be twisted together and some extension wire to them then reach under some screw someplace and ground it.The same with the blue white.connect the one from the harness to where? under the small solenoid screw, or to the wire under the nut you showed in your picture? Thanks for your help and indulgence.I know if the clutch switch is bypassed it no longer interferes or harms the bike.
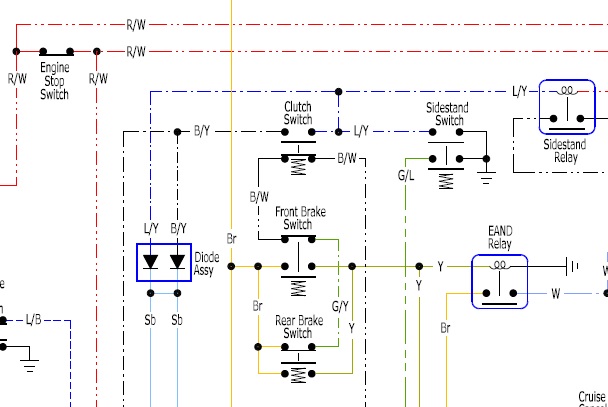
Prairiehammer Posted April 19, 2018 #11 Posted April 19, 2018 As this wiring schematic shows, the proper wires on the clutch switch are black/white, blue/YELLOW, and black/YELLOW. Study this diagram and one can figure out what wires should be "jumpered" to bypass the clutch switch.
cruiserlover Posted April 19, 2018 Author #12 Posted April 19, 2018 I am about to try that.I have looked on here, cannot find how to bypass the clutch switch.The original wiring coming from the harmess connected with a switch half inside the mastercylinder handlebar assembly.But the replacement assembly has 2 male spade type prongs which wont connect to the factory side.The clutch switch wiring appears to be blue white,black, and black with white stripe.My limited knowledge says the black and black white are grounds and the blue white is positive.I would think and am probably wrong that the black and black white could be twisted together and some extension wire to them then reach under some screw someplace and ground it.The same with the blue white.connect the one from the harness to where? under the small solenoid screw, or to the wire under the nut you showed in your picture? Thanks for your help and indulgence.I know if the clutch switch is bypassed it no longer interferes or harms the bike. some progress.now at least I have a solenoid click.The jumper from the big post to the small post where the blue white wire was when it came in the mail must be internal,it is not external.Maybe I need to create an external one. I put a screwdriver across the solenoid posts and nothing happened.Usually that makes a motor turn over, even if no key is in the ignition.I am wondering if the unhooked clutch switch is now the culprit.Even if the switch needs connected the solenoid pole crossing should have made the motor turn over.I wonder if I destroyed the solenoid.
Prairiehammer Posted April 19, 2018 #13 Posted April 19, 2018 some progress.now at least I have a solenoid click.The jumper from the big post to the small post where the blue white wire was when it came in the mail must be internal,it is not external.Maybe I need to create an external one. I put a screwdriver across the solenoid posts and nothing happened.Usually that makes a motor turn over, even if no key is in the ignition.I am wondering if the unhooked clutch switch is now the culprit.Even if the switch needs connected the solenoid pole crossing should have made the motor turn over.I wonder if I destroyed the solenoid. There is NO electrical connection internally from the blue/white wire to the either of the big posts. The blue/white wire simply completes the circuit for the internal solenoid coil. The blue/white is connected to ground when the start switch is depressed. Do not jumper anything to the small post that the blue/white wire is connected to. Again, lots of smoke if you do. With the positive battery cable hooked up to the "IN" side of the solenoid (as I explained above) and the starter cable hooked to the "OUT" side of the solenoid, simply grounding the blue/white wire should cause the starter to crank.
cowpuc Posted April 19, 2018 #14 Posted April 19, 2018 thanks guys.That is a great description.And good pictures.I have tried in vain to decipher the wiring diagram in my manual.There is not even a mention of battery on it.plus tracing the blue white and red white is impossible.one because its all black and white, and 2 because the drawings have everything so small its hard to even read the L/w and the r/w. blue white and red white.Thanks.The solenoid did in fact come with a blue white wire under the small screw and it does have a bullet connector and the bike has the matching bullet connection to plug into it.That used one of the small scews but left the other unclaimed.I should be ok to get it fixed now thanks to the great explanations.Thank you. OUTSTANDING!! @Prairiehammer is in the classroom - THANKS Kev for getting us on the straight and narrow here!! Cruise,, I think I may know exactly where your coming from when mentioning the diagram not showing the battery and being in hard to read black and white... You may be looking at a shop manual?? If that is so,,, take a look at some more pics below and see if this all jives and maybe even help some... When working thru the shop manual in electrical diagnostics, the manual pulls the over all schematic down to smaller pictures as shown in pics one and two below.. If I am correct and this is similar to what you are doing (it wont be exactly the same because, as Kev points out - the MK1's and 2's are totally different and I am working from a Mk1 manual), now look at pic three as I point to the tiny little symbol in that picture that does represent the battery and then pic 4 where I do the same with the even smaller pic... Now look in the back of your manual and see if you cant find a full blown fold out schematic attached at the very end of the manual like shown in pic 5?? Now look at the battery I am pointing to in that full blown schematic in pic 6.. Also,, note in pic 6 that the color code legend is included on the full fold out schematic = definitely useful too if your non guru like myself IMHO!! If you dont have a full blown fold out schematic in your manual as shown in pic 5, click on this link and it will take you to the PDF file of the schematic for your MK2 as posted in our clubs archives by our friend/club member Dingy (thanks @dingy!!): http://www.venturerider.org/wiring/86-87%20Yamaha%20Venture%20DS%20Wiring%20Diagram%20Rev%20D.pdf
cruiserlover Posted April 19, 2018 Author #15 Posted April 19, 2018 I give up.I am done for a while.I had this bike running a few days ago.I connected the positive cable to the big post next to the blue/white wire.I connected the ground cable to the other post.I touched the blue white wire to a metal place on the frame,had it hard pressed and nothing happened.I stil get a solenoid click.I even reversed the cables on the big posts.No click then.In regard to the clutch switch it had the blue yellow black yellow and 2 black white.I twisted the black white together and the black yellow and blue yellow together.I know that really has nothing to do with this.I even put the former solenoid that I had originally had when the bike was running before.still just a click. I did everything you said.It does still leave one small nut next to where the bluewhite is connected unused.I am thinking that one doesnt make any difference.I dont know why it is even there if its not necessary.I do appreciate your time.I had this bike running with the solenoid connected as I wrote.Now it wont.I also tried key on,sidestand up,clutch lever pulled in, neutral light on.Nothing. One odd finding, with the key off touching the solenoid body to a metal surface caused a spark. I just went out,tried once more.The battery is so run down now the neutral light doesnt come on, the horn doesnt honk, the voltmeter needle doesnt move.I am thinking my brand new battery might be bad.Until tomorrow, thanks a bunch.I have an xj 650 I am replacing the cams and cylinder head and all its expected gaskets and that is easier to me than this is.With those parts they either are in right or they wont go in for the most part.Not some unexplainable glitches. I could see the battery running down if I had cranked on the starter a long time.
cowpuc Posted April 19, 2018 #16 Posted April 19, 2018 Sooo,, looking at the schematic for your bike,,, if I were going to bench test that solenoid to see if it was any good I would attach the little blue and white wire to the ground terminal of the battery.. I would then run a jumper wire from the positive post on the battery and touch it momentarily to one of two large studs sticking up on the solenoid.. If nothing happened, I would try the other stud.. If nothing happened again I would touch that same positive jumper on the small nut where nothing is attached.. One of those three tests should pull the contacts in inside of the solenoid and you should hear a distinct "click" when it does. If the click happens when touching one of the large studs - that means that the solenoid is already wired correctly and that stud becomes the stud that you will attach the positive lead from the battery to.. If the solenoid will not engage when touching either of the studs with the positive jumper from the battery but does so when touching the little nut with nothing attached to it - then you will want to run a permenant jumper from that little nut up to one of the large studs - it will not matter which one of the large studs you use at that point BUT - which ever one you use will now be the large stud that you will have to attach the positive lead from your battery to and the other stud will become the stud you attach the lead going down to the starter to.. If non of the above tests work - the coil in the solenoid is kaput..
Prairiehammer Posted April 19, 2018 #17 Posted April 19, 2018 I don't think I can make this any simpler:
cruiserlover Posted April 19, 2018 Author #18 Posted April 19, 2018 Sooo,, looking at the schematic for your bike,,, if I were going to bench test that solenoid to see if it was any good I would attach the little blue and white wire to the ground terminal of the battery.. I would then run a jumper wire from the positive post on the battery and touch it momentarily to one of two large studs sticking up on the solenoid.. If nothing happened, I would try the other stud.. If nothing happened again I would touch that same positive jumper on the small nut where nothing is attached.. One of those three tests should pull the contacts in inside of the solenoid and you should hear a distinct "click" when it does. If the click happens when touching one of the large studs - that means that the solenoid is already wired correctly and that stud becomes the stud that you will attach the positive lead from the battery to.. If the solenoid will not engage when touching either of the studs with the positive jumper from the battery but does so when touching the little nut with nothing attached to it - then you will want to run a permenant jumper from that little nut up to one of the large studs - it will not matter which one of the large studs you use at that point BUT - which ever one you use will now be the large stud that you will have to attach the positive lead from your battery to and the other stud will become the stud you attach the lead going down to the starter to.. If non of the above tests work - the coil in the solenoid is kaput.. havent tried any of this, but you are a genius.
cruiserlover Posted April 19, 2018 Author #19 Posted April 19, 2018 I don't think I can make this any simpler: http://www.venturerider.org/forum/attachment.php?attachmentid=112289 sorry,you are getting irritated.I now know why the other nut isnt used.It is used.Its connected by the jumper copper strip to the big post.No, it couldnt be any simpler.I think I shorted out the insides of the new solenoid and probably the other one too with some of my errors.this is my solenoid:
Recommended Posts
Create an account or sign in to comment
You need to be a member in order to leave a comment
Create an account
Sign up for a new account in our community. It's easy!
Register a new accountSign in
Already have an account? Sign in here.
Sign In Now