-
Posts
91 -
Joined
-
Last visited
Content Type
Profiles
Forums
Gallery
Events
Store
Everything posted by B.E. Coyote
-
Is there any perceived performance gain in the Harley mufflers? My bike came with them on. Not sure if they have been modified. When they are off I can see straight through them but I don't see evidence of them being hacked up. They are not obnoxious but I might prefer stock if I don't lose any performance.
-
Email sent
-
I just bought a 99 with 91k on it for $1200. I put a lot of time into it, a bit of money and made quite a few upgrades. After all the TLC it runs pretty dam strong. The 91k doesn't concern me at all. 50k is just broken in. If the owner doesn't have service records indicating the valve check and it is something you can't do on your own then figure the cost of that service into the price. Mine handled horribly, almost dangerously but after making the raising links, lubing and tourqing the steering head, fork rebuild and new tires I am amazed at how well this bike bike handle. So far I found this an easy bike to work on and pars are cheap and easy to find.
-
Rear Brake caliper for RSV
B.E. Coyote replied to videoarizona's topic in Royal Star Venture Tech Talk ('99 - '13)
It really surprise me that this bike never got abs. Same with it being an option on a Wing. -
seat questions 99
B.E. Coyote replied to B.E. Coyote's topic in Royal Star Venture Tech Talk ('99 - '13)
Already heard back from him and I'm looking for a box! -
seat questions 99
B.E. Coyote replied to B.E. Coyote's topic in Royal Star Venture Tech Talk ('99 - '13)
Does he take the rear rise out at all? I know he will narrow the front but I don't need that. -
The seat on my 99 is the only gripe I have with this bike. Not so much my butt, but basically my tailbone. I hate that rise in the seat. I'm 5'10 230 pounds and have a 32" inseam. Big but not giant. Doesn't seem to be a way to sit without being pushed into the rise. If I completely inflate my airhawk cushion it gives me some relief by making me sit high enough to not rub up against it but I am probably 2" too high. Is the pillow top different at all in shape? I don't feel like I need more cushion, just more flat surface. I have hacked up a few dual sports seats and replaced the foam and reshaped them with good comfort results but the covers always look ugly. Not sure I want to try surgery on this one. I reached out to Rick Butler to see exactly what he does and for how much. Had a few Russells but they are too pricey for this old bike at the moment. Any other thoughts?
-
Yes, I've done it to a few 1150's for other people but then you lose abs and the value of the bike goes to nothing. It is also probably illegal or at least a possible insurance problem to remove built in safety features. Also a working unit that has an issue goes into a "limp" mode which is like trying to stop a car with power brakes and having the ignition off. Caused me quite a pucker moment once an 06 1200GS. I'll never own another BMW that has servo brakes. Replacing the unit with something from the dealer is over 2k and quite a bit for labor if you can't do it yourself. I did have a Tenere for a while. Great bike. My 11 year old son and I took it two up from Virginia to Alaska.
-
We will see. I sit here going back and forth. On pavement the RSV wins hands down and the electronic cruise would be pretty awesome with the hand problems I have. The Beemer is probably worth double the RSV and the RSV would probably last twice as long as the Beemer. One thing is though, the Beemer I have is kind of hard to find as it was only made one year before BMW over complicated it with servo controlled brakes. If I sell the BMW I may never find another. If I sell the RSV, they are much easier to replace. Wife has medical bills, daughter starting college and all the other problems that we all face. Both my bikes are old but I still can't justify two. Decisions Decisions....
-
Very solid bike but I think I am going to keep my BMW and let this go. My BMW is a big dual sport GS and I have a camp with a challenging steep, rutted, gravel driveway. Also, my riding buddies are also on big dual sports. Really impressed with the RSV though. I will be back. If anybody knows anyone looking to get into a solid RSV for not a lot of money, check the classifieds here.
-
Rear speaker / amp question
B.E. Coyote replied to B.E. Coyote's topic in Royal Star Venture Tech Talk ('99 - '13)
Thanks. I think this project will end with an upgraded pair of speakers up front and moving one of the working front speakers to replace the broken rear speaker. I did not realize that a 100watt amp was 100 watts of output but that the input could be 3-4 times that amount. I have a Sena headset and am getting a BT transmitter for the stereo. I'll just use that for highway travel. For around town the stock stereo is good enough. -
Rear speaker / amp question
B.E. Coyote replied to B.E. Coyote's topic in Royal Star Venture Tech Talk ('99 - '13)
Had some of the same concerns. Was kind of hoping that the stock amp would not really be a draw just supplying signal to the new amp and that that the new amp would just provide cleaner, less distorted power with the same draw. Like this amp would get me the the same power to the speakers at 60% as the stock amp would give me at 100% but with less distortion. I have one speaker in the rear that is damaged and needs to be replaced. This has my wheels turning but I definitely need to get some more information on adding an amp and how much extra I am really drawing from the bike. -
Rear speaker / amp question
B.E. Coyote replied to B.E. Coyote's topic in Royal Star Venture Tech Talk ('99 - '13)
Thanks! I did read a bunch of threads and got conflicting info. The wiring diagram didn't clear it up any for me. -
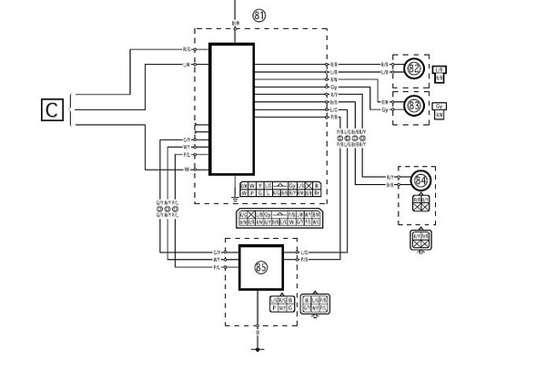
So the I've read the rear speakers are mono. I'm guessing the two are run in series? 82&83 are the front speakers. 84 is the rear. I'm not seeing a way to add a 4 channel amp with all speakers stereo and still keep the fade function of the oem stereo. Can I split the wires going to the rear speaker where they input the amp and then run all 4 speakers independently after the amp? I know the two rears wouldn't be stereo but at least all 4 would be getting the same wattage and the fader would work. Are the stock front and rear speakers the same ohm rating? I'm thinking 4 of the Polk 401's with one of these two amps. Kind of like the Kenwood. You can cut off the rca input jacks and use the stock speaker wire to turn on the amp. I like this because then you would not have to run a control wire from a parking light or something and if the stereo was off or you had just the speakers off to use the headset I assume the amp would not be on. Thoughts? https://www.amazon.com/Clarion-XC2410-Marine-Amplifier/dp/B00S7G1TPO/ref=lp_2383694011_1_5?s=marine&ie=UTF8&qid=1516149861&sr=1-5 https://www.amazon.com/Kenwood-KAC-M1804-Compact-4-channel-Amplifier/dp/B00JEC0YFQ/ref=lp_2383694011_1_9?s=marine&ie=UTF8&qid=1516149861&sr=1-9
-
Before all the maintenance it seemed to pop a good bit while warming up with the chock on. Maybe a little while riding. If it pops at all anymore it is just a bit at idle with the choke.
-
Ah yes, you are correct. Is running a hotter plug a common thing to do on an RSV?
-
Went with the stock front tire size but I forgot to list above that I also made the raising links for the rear suspension. Read mixed reviews on the narrower tire with the links. For plugs I did go with NGK. Used NGK DPR8EA-9 as called for. The ones I took out were NGK DPR7EA-9 which is one level cooler. Read that in general cooler plugs might be used to cure popping. Thought maybe the PO did these plugs in conjuction with the Road King mufflers but after also synching the carbs I am not seeing any signs of popping with the correct plugs.
-
Bought this a few weeks ago. It wasn't running, had 90k on it but was in overall good shape. To get it running it just needed a new rectifier. It ran okay but the handling was downright awful. Front tire was worn oddly but still had tread. Back tire was passable. Over the past 3 weeks I really dug into it. Started up front. New sonic springs, bushings and seals. Of course new fluid. The old fluid was pretty nasty. Quite possibly it was original. I also opened up the steering head. Greased the bearings and torqued it correctly. Spooned on a new Metzler while the wheel was off. Some electrical work up front inside the fairing to remove the cassette player and add BT, rewire the passing lights etc. Brakes were very poor. Up front I added 4 piston calipers and a 14mm master cylinder. Rebuild the rear caliper and flushed all the old fluid. Valve check, needed 6 valves adjusted. They were just slightly tight and there was evidence that the valves had been done before such as rtv on the valve covers. Cleaned the carbs, they were pretty nasty. New fuel filter too. New plugs, found that the old plugs looked okay but were cooler than what the manual called for. Wondered if it had anything to do with the Harley mufflers on it. Went to what the manual called for. In the back I lubed the drive shaft and all of shock linkage. The shock had been replaced as it was marked from a salvage yard as having 21,000 miles on it. No idea on how many miles it has now but it showed no signs of leaking and it holds air. I'll call it good for now. I had planned to lube the swing arm but it seemed that the other bearings had been serviced and the swing arm moved nicely with no play so I left it alone. Removing the rear wheel was a PITA so I went ahead changed the rear tire while it was off. One issue the bike did have was a sticky throttle. Turns out it was all from the union box. The cables were free and even better after lubing. I spent lots of time monkying with that. I was pretty frustrated. I ended up just loosening the screws a bit that hold it together. It all worked great. I'll have to revisit that. Took it out for a good spin. The thing handles fantastic for such a big girl and it runs sooooo much better! Love rehabing older bikes that will get a new life. I doubt this will have any problem adding another 90,000 miles. Edit: also made suspension raising links and did a carb sync
-
another passing light wiring option
B.E. Coyote replied to B.E. Coyote's topic in Royal Star Venture Tech Talk ('99 - '13)
To clarify, the diagram shows the two relays used for the passing lights. A third relay was used to turn off my low beam when desired, -
added bluetooth in today
B.E. Coyote replied to B.E. Coyote's topic in Royal Star Venture Tech Talk ('99 - '13)
I might and will check later. Really not much to see though. There are a few threads about splitting the audio in minijack on the radio with a Y connector. I just ran one of my new audio leads into the cassette storage. For power to the usb I just tapped into the cigarette lighter. I replaced my old cig lighter with this and when I did I crimped a 2nd wire into each female spade connector. I ran another circuit for power in my tankbag so this will probably only be used as a voltage meter. For the power lead I used this. Cut the fuse end off so it could slide through the passage in the cassette deck and the sae connector would keep it from ever going too far. https://www.amazon.com/gp/product/B01DYE54LI/ref=oh_aui_detailpage_o05_s01?ie=UTF8&psc=1 -
Re_use valve cover gaskets?
B.E. Coyote replied to B.E. Coyote's topic in Royal Star Venture Tech Talk ('99 - '13)
yep, oem I don't know the age of the gaskets for sure but suspect they are as old as the bike, 1999. Been putting a lot of the time into this bike and your right. I would be pretty unhappy to have to tear it down again, especially since they are paid for and on the way. Shop expects them here by the end of the week. -
Never mind, I'm going to wait for them.
-
I'd add, fill the tank and remove the battery but it sounds like you are on the right track.
-
Straight rate fork springs
B.E. Coyote replied to B.E. Coyote's topic in Royal Star Venture Tech Talk ('99 - '13)
They still do not send enough pvc.
