Jump to content

Tsarge

Expired Membership
  • Posts

    7
  • Joined

  • Last visited

Reputation

10 Good

Personal Information

  • Name
    Travis lokker

location

  • Location
    Whitesboro, Texas, Tx, Us

Converted

  • City
    Whitesboro, Texas

Converted

  • State/Province
    Tx

Converted

  • Home Country
    Us

Converted

  • Bike Year and Model
    2006 yamaha royal star venture
  1. I am having a hard time finding it. There is a fuse block behind front right fairing and one behind cover by radiatir over flow tank. I cant tell which one to look at. Any advice would help. I cant even find anything that connects to blue and white wires.
  2. I did short sustem like a dumb ass I didn't disconnect battery. I did a continuity test on stand switch and it checks out fine. Thank you sir I am going to try and locate it today. Where would I get this diode?
  3. Sounds like these things have a ghost. Sorry to hear your having an issue as well. I just got this bike and love it. Killing me not to ride. I just wish I could bypass something!
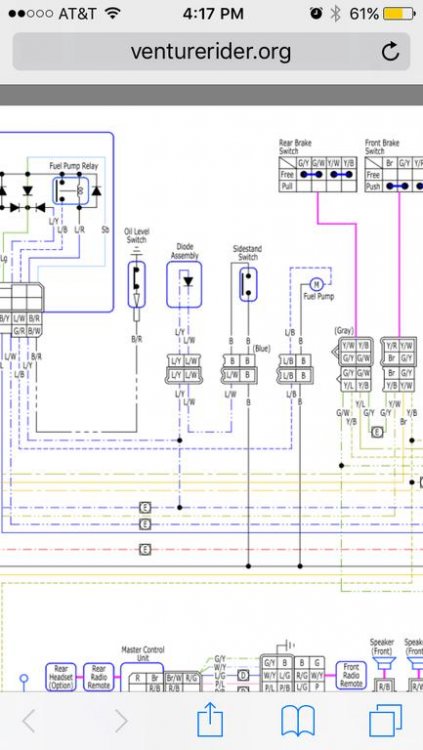
  4. I am trying to find the location of this diode assembly . I have been told this is the problem causing my bike to die when put in gear. I am putting a pic of the schematic that says it there with wire colors. Please help!
  5. I was wondering that I might have fried the diode when I installed the ignition Switch because like a dumb ass I did not disconnect the battery and of course crossed wires not know it was on a diode. where is the diode assembly sir? Do you know a good place to purchase this? Also it does have an OD light. Thank you sir.
  6. I have a 2006 Royal Star Venture. I recently put a new ignition and prior to that I had it bypassed so i could ride. When i bypassed the ignition switch the neutral light stayed on. After installing the new switch it continued to stay on. I decided to pull wires on neutral switch oand now i do not know how they go back in plug for sure. But back to beginning, the bike will not start in gear. The neutral lught is working properly now but as soon as i put in gear the bike dies. I tried bypassing stand switch by connect the two wires to it together, but still dies as soon as put in gear. So my main question is.... how do i bypass the stand switch and clutch switch, is there and could it be a neutral safety switch, and can i get a pic of that clutch switch plug sonI can install the wires back in it correctly???? Thanks!!
×
×
  • Create New...