-
Posts
66 -
Joined
-
Last visited
Reputation
24 ExcellentPersonal Information
-
Name
anssi
location
-
Location
Helsinki, Finland
Converted
-
City
Helsinki
Converted
-
State/Province
AL
Converted
-
Home Country
Finland
Converted
-
Bike Year and Model
Xvz 1200, xvz 1300
Recent Profile Visitors
The recent visitors block is disabled and is not being shown to other users.
-
My forks are missing this washer 26h-2319L-00-00. My Venture is from 1984, but same part is also in this pic. https://www.partzilla.com/product/yamaha/26H-2319L-00-00 Questions? Is it needed? I'm unable to find one to buy so I need make one, any ideas? If you've come across this part how would you describe it? Is it plain washer. Maybe I can make one myself Thanks,
-
Thanks. OK, then it should be the other way round. Let's see if i got this correct. When it's time to put the washer back, I will drop it from the top, so that the "higher" center points up. then the seal, open side down. I think I got now. I know that in the pic they are not where they end up in assembly. Hopefully get the new seal today and go for a ride.
-
Love my bike but hate these forks. I hope do upgrade in the future but until then I need to fix the leaking anti-dive. I read people have used o-rings from hardware store. By chance anyone have specs? Does these seals come in contact with brake fluid? I'm guessing not. Thanks for the help.
-
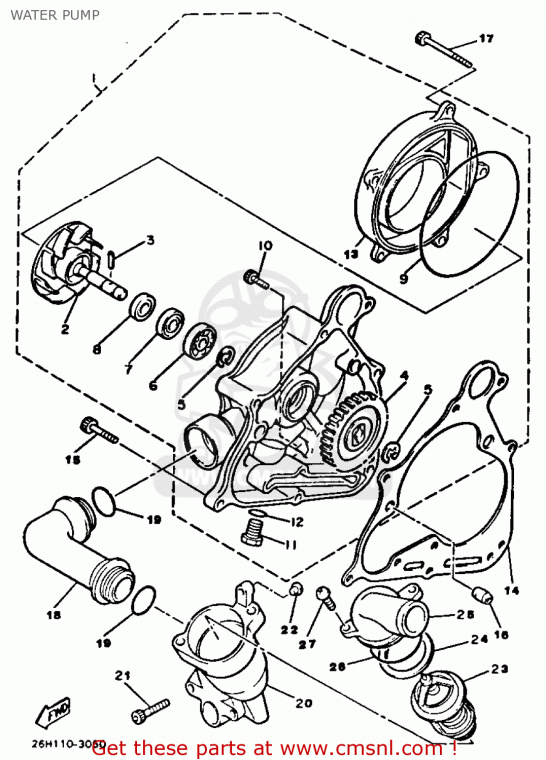
Water pump repair 2 questions pic
Arxvz1200 replied to Arxvz1200's topic in Venture and Venture Royale Tech Talk ('83 - '93)
Thanks. Like you said the oil seal has been sitting the wrong way. I was surprised it has sealed over five years now, ever since I got this bike. The other part is still mystery as it fell from engine side while the shaft and impeller was still in place. the mecahinal seal(8) was sittin in its right place. Thanks again for tour reply. https://www.cmsnl.com/yamaha-xvz12dkc2-venture-royale-1984-e-usa_model9016/partslist/A-12.html#.YM-Z8ZMzZQK -
Hi, I took off water pump from xvz1200 -84. 1)This part in the pic no 1 fell out as I was wiggling the pump out. Do you have any idea what is it? 2)Am I correct saying that oil seal has been facing wrong way. Pic 2 behind the bearing the oil sealing letter side was the engine? It should the facing the other way? Thanks for all the help. I waiting for the parts to arrive. Started this job because there was leak from weep hole.
-
Hi, So here's what I did. I did remove insulation, the jumper wire is not connecting any other component (it's close and in the pic it looks like it's connected to one above). Isn't pretty, but selfmade I have not soldered anything for 30 yrs. Dunno if it works, might take a while before I'm taking the dash out. I'll be sure to update when I do
-
I was comparing the board to the working one. There are more broken connections than I expected. Maybe beyond repair for me ? in The magnetic reed switch, is the copper winding the high beam and the other contact are for warning light ? if the current in high beam is too low then the switch turns opens or closes the other ?
-
Hi, My high beam from 84 venture was lost and the fault is the computer (thank you all for helping me to find it). I thought I start new thread for this rescue mission. Removing the dashboard and computer is quite easy. There is a corner broken off and burned. I don't know if component has given up and burned or has the corner broken off and cause the component to burn. Anyway I'm very unexperienced in circuit boards and soldering. People with HID/LED have jumped that part so it will not cause warning. great info getting the computer out http://www.venturerider.org/forum/sh...Display-Repair Jumping CMU http://www.venturerider.org/forum/showthread.php?92274-How-do-you-quot-Jumper-the-CMU-quot-for-LED-s-bulbs-to-prevent-the-warning-light-coming-on&highlight=jumpers What do you think can the computer be rescued ? Anssi
